电脑桌面
添加小米粒文库到电脑桌面
安装后可以在桌面快捷访问

物业地下人防设施每日防火巡查记录表

物业地下人防设施每日防火巡查记录表_第1页
1/3
物业地下人防设施每日防火巡查记录表_第2页
2/3
物业地下人防设施每日防火巡查记录表_第3页
3/3
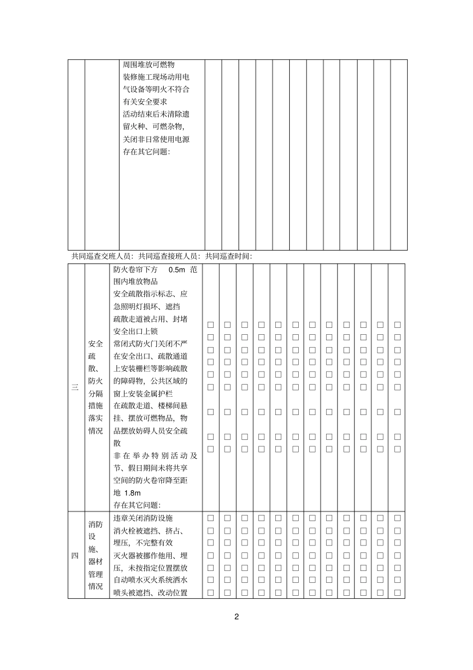
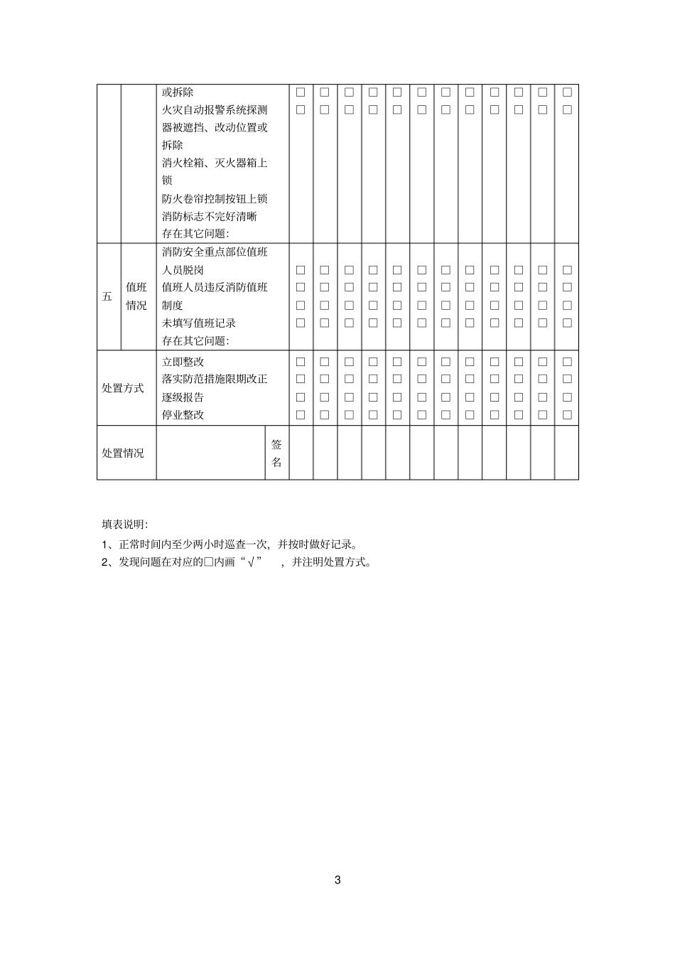
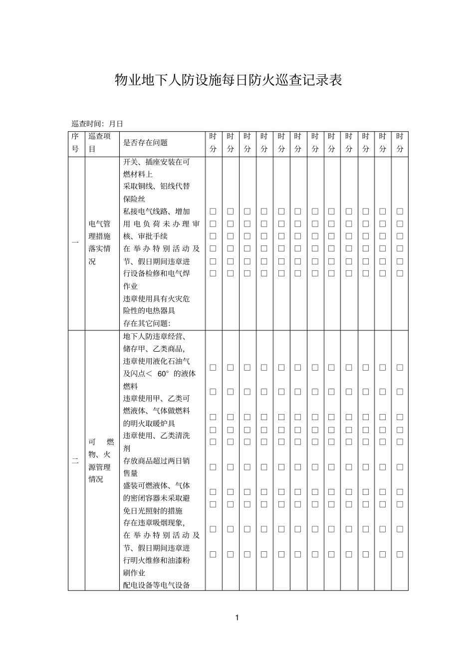
1 物业地下人防设施每日防火巡查记录表巡查时间:月日序号巡查项目是否存在问题时分时分时分时分时分时分时分时分时分时分时分时分一电气管理措施落实情况开关、插座安装在可燃材料上采取铜线、铝线代替保险丝私接电气线路、增加用 电 负 荷 未 办 理 审核、审批手续在 举 办 特 别 活 动 及节、假日期间违章进行设备检修和电气焊作业违章使用具有火灾危险性的电热器具存在其它问题:□□□□□□□□□□□□□□□□□□□□□□□□□□□□□□□□□□□□□□□□□□□□□□□□□□□□□□□□□□□□□□□□□□□□□□□□二可燃物、火源管理情况地下人防违章经营、储存甲、乙类商品,违章使用液化石油气及闪点< 60° 的液体燃料违章使用甲、乙类可燃液体、气体做燃料的明火取暖炉具违章使用、乙类清洗剂存放商品超过两日销售量盛装可燃液体、气体的密闭容器未采取避免日光照射的措施存在违章吸烟现象,在 举 办 特 别 活 动 及节、假日期间违章进行明火维修和油漆粉刷作业配电设备等电气设备□□□□□□□□□□□□□□□□□□□□□□□□□□□□□□□□□□□□□□□□□□□□□□□□□□□□□□□□□□□□□□□□□□□□□□□□□□□□□□□□□□□□□□□□□□□□□□□□□□□□□□□□□□□□□□□□□□□□□□□□2 周围堆放可燃物装修施工现场动用电气设备等明火不符合有关安全要求活动结束后未清除遗留火种、可燃杂物,关闭非日常使用电源存在其它问题:共同巡查交班人员:共同巡查接班人员:共同巡查时间:三安全疏散、防火分隔措施落实情况防火卷帘下方0.5m 范围内堆放物品安全疏散指示标志、应急照明灯损坏、遮挡疏散走道被占用、封堵安全出口上锁常闭式防火门关闭不严在安全出口、疏散通道上安装栅栏等影响疏散的障碍物,公共区域的窗上安装金属护栏在疏散走道、楼梯间悬挂、摆放可燃物品,物品摆放妨碍人员安全疏散非 在 举 办 特 别 活 动 及节、假日期间未将共享空间的防火卷帘降至距地 1.8m 存在其它问题:□□□□□□□□□□□□□□□□□□□□□□□□□□□□□□□□□□□□□□□□□□□□□□□□□□□□□□□□□□□□□□□□□□□□□□□□□□□□□□□□□□□□□□□□□□□□□□□□□□□□□□□□□□□□四消防设施、器材管理情况违章关闭消防设施消火栓被遮挡、挤占、埋压,不完整有效灭火器被挪作他用、埋压...

1、当您付费下载文档后,您只拥有了使用权限,并不意味着购买了版权,文档只能用于自身使用,不得用于其他商业用途(如 [转卖]进行直接盈利或[编辑后售卖]进行间接盈利)。
2、本站所有内容均由合作方或网友上传,本站不对文档的完整性、权威性及其观点立场正确性做任何保证或承诺!文档内容仅供研究参考,付费前请自行鉴别。
3、如文档内容存在违规,或者侵犯商业秘密、侵犯著作权等,请点击“违规举报”。

碎片内容

物业地下人防设施每日防火巡查记录表

您可能关注的文档

确认删除?
VIP
微信客服
  • 扫码咨询
会员Q群
  • 会员专属群点击这里加入QQ群
客服邮箱
回到顶部