电脑桌面
添加小米粒文库到电脑桌面
安装后可以在桌面快捷访问

物业项目服务质量检查方案服务质量检查方案VIP专享

物业项目服务质量检查方案服务质量检查方案_第1页
1/5
物业项目服务质量检查方案服务质量检查方案_第2页
2/5
物业项目服务质量检查方案服务质量检查方案_第3页
3/5
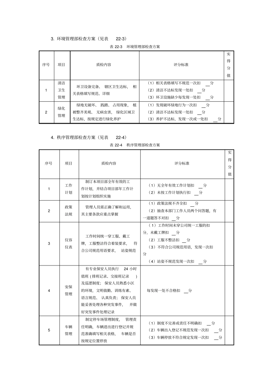
物业项目服务质量检查方案一、目的为了有效提高公司服务质量水平,确保各部门工作人员都能达到公司质量标准,特制订本方案。二、适用范围本方案适用于公司各部门物业服务项目的质量检测工作。三、人员组成各部门分别成立质量检测小组,小组成员由部门经理、相关主管及业主代表组成。四、各部门质量检测方案1. 客户服务部质量检查方案(见表22-1)表 22-1 客户服务部质量检查方案序号项目质检内容评分标准实得分值1 工作计划制订本部门全年有效的工作计划,并结合项目部年工作计划按计划组织实施( 1)无全年有效工作计划扣分( 2)未按工作计划执行扣分2 员工考勤考勤内容真实准确,符合文本格式,电子版、归档及时齐全( 1)考勤未及时归档扣分( 2)人数不真实准确与编制不符分( 3)不符合文本格式扣分3 员工仪容仪表工作时间统一穿工服、戴工牌,工服整洁符合着装要求,符合公司规范用语要求( 1)工作时间未穿公司统一工服的扣分,未戴工牌扣分( 2)工服不整洁扣分( 3)不符合公司规范用语,发现一次扣分4 客服接待相关资料填写规范、详细、准确,及时处理客户问题( 1)记录不规范扣分( 2)有记录、无处理扣分( 3)无记录扣分5 业户投诉处理投诉处理及时有效,符合规定要求;《投诉处理登记表》归档整齐,内容填写完整: 回访及时,符合要求( 1)投诉处理不符合公司规范要求扣分( 2)发生投诉事件没有进行处理扣分( 3)无回访记录扣分6 报修时限水、电、气急迫性报修20 分钟内到达现场不符合规定扣分7 社区文化活动制订社区活动计划,记录准确详细,有相关记录并附图片( 1)无社区活动计划扣分( 2)活动记录不规范、没有图片说明扣分8 意见箱每天开箱收集、登记,及时处理后归档( 1)未能每天开箱整理业主意见扣分( 2)登记、归档不完整扣分( 3)有未及时进行处理的业主意见扣分3. 环境管理部检查方案(见表22-3)表 22-3 环境管理部检查方案序号项目质检内容评分标准实得分值1 清洁卫生管理环卫设备完备、 辖区卫生达标, 相关表格填写规范、详细(1)相关表格填写不规范一次扣分(2)清洁不达标发现一处扣分(3)环卫设施缺少每发现一处扣分2 绿化管理绿地无破坏、 践踏、 占用现象, 植被整齐美观、 无病虫害, 绿化区域卫生达标,按规定进行绿化养护(1)发现破坏绿地行为一次扣分(2)清洁不达标发现一处扣分(3)养护不达标,发现一次或一处扣分4. 秩序管理部检查方案(见表...

1、当您付费下载文档后,您只拥有了使用权限,并不意味着购买了版权,文档只能用于自身使用,不得用于其他商业用途(如 [转卖]进行直接盈利或[编辑后售卖]进行间接盈利)。
2、本站所有内容均由合作方或网友上传,本站不对文档的完整性、权威性及其观点立场正确性做任何保证或承诺!文档内容仅供研究参考,付费前请自行鉴别。
3、如文档内容存在违规,或者侵犯商业秘密、侵犯著作权等,请点击“违规举报”。

碎片内容

物业项目服务质量检查方案服务质量检查方案

确认删除?
VIP
微信客服
  • 扫码咨询
会员Q群
  • 会员专属群点击这里加入QQ群
客服邮箱
回到顶部