电脑桌面
添加小米粒文库到电脑桌面
安装后可以在桌面快捷访问

物料提升机基础施工方案分析

物料提升机基础施工方案分析_第1页
1/7
物料提升机基础施工方案分析_第2页
2/7
物料提升机基础施工方案分析_第3页
3/7
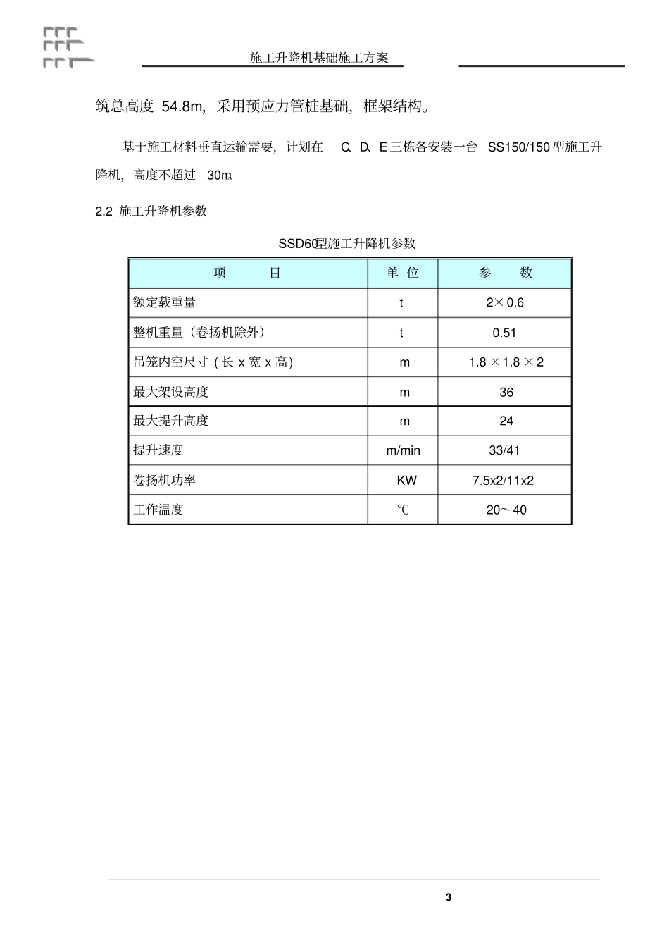
施工升降机基础施工方案1目录1. 编制依据 ........................................................ 22. 工程概况 ........................................................ 22.1 工程概况 .................................................... 22.2 施工升降机参数 .............................................. 33.施工升降机基础................................................. 43.1 基础尺寸 .................................................... 43.2 基础技术参数 ................................................ 43.3 地质情况 .................................................... 54.施工升降机基础位置布置......................................... 55.基础施工工艺 ................................................... 55.1 、施工升降机基础施工流程 .................................... 55.2 、基础施工 .................................................. 56. 施工升降机自重及基础计算....................................... 66.1 、自重计算 .................................................. 66.2 、动荷载计算 ................................................ 66.3 、基础自重计算 .............................................. 66.4 、地基承载力验算 ............................................ 7施工升降机基础施工方案21. 编制依据《庐江碧桂园 . 领誉二标段工程施工图》《施工现场常用垂直运输设备技术标准》 (ZJQ08-SGJB 004-2003)《建筑机械使用安全技术规范》 (JGJ33-2001)《建筑施工安全检查标准》 (JGJ59-99)《SSD60施工升降机使用说明》2. 工程概况2.1 工程概况工程名称庐江碧桂园 . 领誉二标段 13#楼工程类别住宅建设地点城东大道建设单位庐江碧源房地产开发有限公司设计单位广东建筑艺术设计院有限公司监理公司合肥市瑞元建设项目管理有限公司施工单位合肥市义兴建筑安装工程有限责任公司广弘美居工程位于深圳市龙岗区平湖街道办平新北路与富安西路的交界处。工程用地面积为45388.25M2,占地面积为 18363.4M2,总建筑面积为 141673.56 M2,其中地下室建筑面积为26981.05 M2。地下设计 1 层,为车库,地上设计 6 栋相互独立又通过连廊连成整体的建筑物,其中A 栋、C栋、D栋、E栋设计 5 层...

1、当您付费下载文档后,您只拥有了使用权限,并不意味着购买了版权,文档只能用于自身使用,不得用于其他商业用途(如 [转卖]进行直接盈利或[编辑后售卖]进行间接盈利)。
2、本站所有内容均由合作方或网友上传,本站不对文档的完整性、权威性及其观点立场正确性做任何保证或承诺!文档内容仅供研究参考,付费前请自行鉴别。
3、如文档内容存在违规,或者侵犯商业秘密、侵犯著作权等,请点击“违规举报”。

碎片内容

物料提升机基础施工方案分析

确认删除?
VIP
微信客服
  • 扫码咨询
会员Q群
  • 会员专属群点击这里加入QQ群
客服邮箱
回到顶部