电脑桌面
添加小米粒文库到电脑桌面
安装后可以在桌面快捷访问

特种设备作业人员种类及项目表VIP专享

特种设备作业人员种类及项目表_第1页
1/2
特种设备作业人员种类及项目表_第2页
2/2
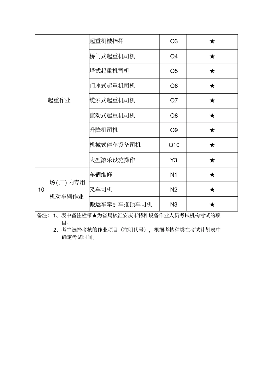
特种设备作业人员种类及项目表序号种类作业项目项目代号备注01 安全管理锅炉压力容器压力管道安全管理A3★电梯安全管理A4★起重机械安全管理A5★场( 厂) 内专用机动车辆安全管理A8★02锅炉作业一级锅炉司炉G1★二级锅炉司炉G2★一级锅炉水质处理G4★二级锅炉水质处理G5★03压力容器作业固定式压力容器操作R1★移动式压力容器充装R2★04气瓶作业永久气体气瓶充装P1★液化气体气瓶充装P2★溶解乙炔气瓶充装P3★液化石油气瓶充装P4★车用气瓶充装P5★05压力管道作业压力管道巡检维护D1★电梯作业电梯司机T3★起重作业起重机械指挥Q3★桥门式起重机司机Q4★塔式起重机司机Q5★门座式起重机司机Q6★缆索式起重机司机Q7★流动式起重机司机Q8★升降机司机Q9★机械式停车设备司机Q10★大型游乐设施操作Y3★10场 ( 厂) 内专用机动车辆作业车辆维修N1★叉车司机N2★搬运车牵引车推顶车司机N3★备注: 1、表中备注栏带★为省局核准安庆市特种设备作业人员考试机构考试的项目。2、考生选择考核的作业项目(注明代号),根据考核种类在考试计划表中确定考试时间。

1、当您付费下载文档后,您只拥有了使用权限,并不意味着购买了版权,文档只能用于自身使用,不得用于其他商业用途(如 [转卖]进行直接盈利或[编辑后售卖]进行间接盈利)。
2、本站所有内容均由合作方或网友上传,本站不对文档的完整性、权威性及其观点立场正确性做任何保证或承诺!文档内容仅供研究参考,付费前请自行鉴别。
3、如文档内容存在违规,或者侵犯商业秘密、侵犯著作权等,请点击“违规举报”。

碎片内容

特种设备作业人员种类及项目表

确认删除?
VIP
微信客服
  • 扫码咨询
会员Q群
  • 会员专属群点击这里加入QQ群
客服邮箱
回到顶部