电脑桌面
添加小米粒文库到电脑桌面
安装后可以在桌面快捷访问

危险性较大分部分项监理细则

危险性较大分部分项监理细则_第1页
1/52
危险性较大分部分项监理细则_第2页
2/52
危险性较大分部分项监理细则_第3页
3/52
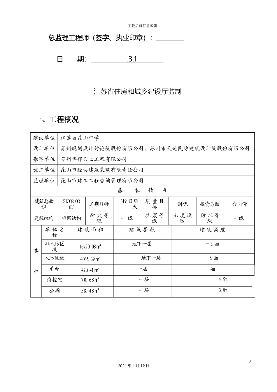
下载后可任意编辑危险性较大分部分项监理细则12024 年 4 月 19 日下载后可任意编辑A.0.4 昆 山 中 学 地 下 停 车 场 建 设 工 程( 地 下 车 库 、 消 控 室 、 公 厕 、 看 台 ) 工 程监理实施细则监理实施细则(危险性较大的分部分项)(危险性较大的分部分项) 内容提要: 专业工程特点 监理工作流程 监理工作要点 监理工作方法及措施 项目监理机构(章): 专业监理工程师: 22024 年 4 月 19 日下载后可任意编辑 总监理工程师(签字、执业印章): 日 期: .3.1 江苏省住房和城乡建设厅监制一、工程概况 建设单位江苏省昆山中学 设计单位苏州规划设计讨论院股份有限公司、苏州市天地民防建筑设计院股份有限公司勘察单位苏州华邦岩土工程有限公司施工单位昆山市经协建筑装璜有限责任公司监理单位昆山市建工工程咨询管理有限公司基 本 情 况建筑总面积21302.08㎡工期目标319 日历天质 量 目 标创优投资总额合同价建筑结构框架结构耐 火 等 级一 级抗 震 等 级七 度 设 防防 水 等 级一级其中单 体 名 称建 筑 面 积建 筑 层 数建 筑 高 度非人防区域16720.08㎡地下一层- 5.7m人防区域4065.69㎡地下一层-5.7m看台420.41㎡一层4m消控室 70.68㎡一层4.5m公厕58.48㎡一层3.8m32024 年 4 月 19 日下载后可任意编辑工程建筑结构概况本工程为框架结构,采纳预制钢筋混凝土方桩,基础地梁、板、挡土墙,现浇楼面、柱、板、剪力墙采纳 C35 砼,±0.000 以下外墙采纳 MU15 砼实心砖,水泥砂浆强度为M10.±0.000 以上墙体采纳 ALC 加气砼砌,砂浆强度为 M7.5。地下室分为 6 个防火分区。地库门窗为甲级防火门、乙级防火门、铝合金门窗门、特级防火卷帘门。外墙采纳聚合物水泥防水涂膜、PET 卷材、50 厚聚苯板。地面和顶板均为混凝土防水地面,采纳抗渗等级 P6 以上的混凝土现浇底板,1.5 厚 PET 型自粘卷材。屋面为防水不保温不上人屋面。二、监理依据:1、《中华人民共和国建筑法》;2、《中华人民共和国安全生产法》;3、《建设工程安全生产管理条例》;4、《建设工程质量管理条例》; 5、《危险性较大的分部分项工程安全管理办法》建质【 】87 号文; 6、《关于印发〈建设工程高大模板支撑系统施工安全监督管理导则〉的通知》建质【 】254 号文; 7、《关于进一步加强建设工程危险性较大分部分项工程安全管理的通知》吴住建...

1、当您付费下载文档后,您只拥有了使用权限,并不意味着购买了版权,文档只能用于自身使用,不得用于其他商业用途(如 [转卖]进行直接盈利或[编辑后售卖]进行间接盈利)。
2、本站所有内容均由合作方或网友上传,本站不对文档的完整性、权威性及其观点立场正确性做任何保证或承诺!文档内容仅供研究参考,付费前请自行鉴别。
3、如文档内容存在违规,或者侵犯商业秘密、侵犯著作权等,请点击“违规举报”。

碎片内容

危险性较大分部分项监理细则

确认删除?
VIP
微信客服
  • 扫码咨询
会员Q群
  • 会员专属群点击这里加入QQ群
客服邮箱
回到顶部