电脑桌面
添加小米粒文库到电脑桌面
安装后可以在桌面快捷访问

化粪池隐蔽工程检查验收记录VIP免费

化粪池隐蔽工程检查验收记录_第1页
1/20
化粪池隐蔽工程检查验收记录_第2页
2/20
化粪池隐蔽工程检查验收记录_第3页
3/20
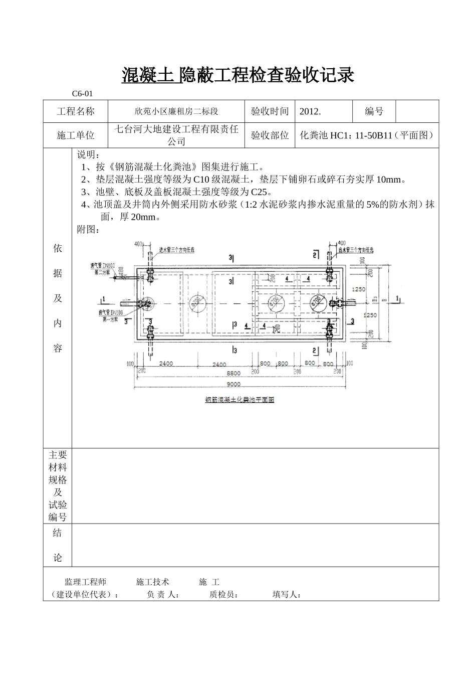
混凝土隐蔽工程检查验收记录C6-01工程名称欣苑小区廉租房二标段验收时间2012.编号施工单位七台河大地建设工程有限责任公司验收部位化粪池HC1:11-50B11(1-1剖)依据及内容说明:1、按《钢筋混凝土化粪池》图集进行施工。2、垫层混凝土强度等级为C10级混凝土,垫层下铺卵石或碎石夯实厚10mm。3、池壁、底板及盖板混凝土强度等级为C25级。4、池顶盖及井筒内外侧采用防水砂浆(1:2水泥砂浆内掺水泥重量的5%的防水剂)抹面,厚20mm。附图:主要材料规格及试验编号结论监理工程师施工技术施工(建设单位代表):负责人:质检员:填写人:钢筋隐蔽工程检查验收记录C6-01工程名称欣苑小区廉租房二标段验收时间2012.编号施工单位七台河大地建设工程有限责任公司验收部位化粪池HC1:11-50B11(1-1正剖)依据及内容说明:1、按《钢筋混凝土化粪池》图集进行施工。2、钢筋采用HPB235级、HRB335级。3、钢筋混凝土底板采用Φ16@150、Φ14@150主筋,Φ18@150、Φ16@150分布筋进行铺设。号:Φ14@75:Φ14@150:Φ12@75:Φ12@150:ф10@150:Φ18@150:Φ14@150:Φ12@150:Φ12@150:Φ14@150:Φ12@150:ф10@150:Φ12:300:Φ18@150:Φ16@150:Φ16@150:Φ14@150:Φ12@150见化粪池的配筋图。附图:主要材料规格及试验编号结论监理工程师施工技术施工(建设单位代表):负责人:质检员:填写人:混凝土隐蔽工程检查验收记录C6-01工程名称欣苑小区廉租房二标段验收时间2012.编号施工单位七台河大地建设工程有限责任公司验收部位化粪池HC1:11-50B11(平面图)依据及内容说明:1、按《钢筋混凝土化粪池》图集进行施工。2、垫层混凝土强度等级为C10级混凝土,垫层下铺卵石或碎石夯实厚10mm。3、池壁、底板及盖板混凝土强度等级为C25。4、池顶盖及井筒内外侧采用防水砂浆(1:2水泥砂浆内掺水泥重量的5%的防水剂)抹面,厚20mm。附图:主要材料规格及试验编号结论监理工程师施工技术施工(建设单位代表):负责人:质检员:填写人:钢筋隐蔽工程检查验收记录C6-01工程名称欣苑小区廉租房二标段验收时间2012.编号施工单位七台河大地建设工程有限责任公司验收部位化粪池HC1:11-50B11(平面图)依据及内容说明:1、按《钢筋混凝土化粪池》图集进行施工。2、钢筋采用HPB235级、HRB335级。3、钢筋混凝土池壁分别采用ф10@150、Φ12@150、Φ14@150、,Φ16@150、Φ18@150进行铺设。:Φ16@150:Φ12@150:Φ14@150:Φ12@150:ф10@150:Φ18@150:Φ14@150:Φ12@150:Φ12@150:Φ14@150:Φ12@150:ф10@150详见化粪池的配筋图。附图:主要材料规格及试验编号结论监理工程师施工技术施工(建设单位代表):负责人:质检员:填写人:混凝土隐蔽工程检查验收记录C6-01工程名称欣苑小区廉租房二标段验收时间2012.编号施工单位七台河大地建设工程有限责任公司验收部位化粪池HC1:11-50B11(2-2剖)依据及内容说明:1、按《钢筋混凝土化粪池》图集进行施工。2、垫层混凝土强度等级为C10级混凝土,垫层下铺卵石或碎石夯实厚10mm。3、池壁、底板及盖板混凝土强度等级为C25。4、池顶盖及井筒内外侧采用防水砂浆(1:2水泥砂浆内掺水泥重量的5%的防水剂)抹面,厚20mm。附图:主要材料规格及试验编号结论监理工程师施工技术施工(建设单位代表):负责人:质检员:填写人:钢筋隐蔽工程检查验收记录C6-01工程名称欣苑小区廉租房二标段验收时间2012.编号施工单位七台河大地建设工程有限责任公司验收部位化粪池HC1:11-50B11(2-2剖)依据及内容说明:1、按《钢筋混凝土化粪池》图集进行施工。2、钢筋采用HPB235级、HRB335级。3、钢筋混凝土池壁分别采用Φ12@150、Φ14@150、,Φ16@150、Φ18@150、Φ16@75、Φ12@75进行铺设。:Φ16@150:Φ16@75:Φ12@150:Φ12@:75:Φ18@150:Φ14@150:Φ12:300:Φ18@150:Φ16@150:Φ16@150:Φ14@150详见化粪池的配筋图。附图:主要材料规格及试验编号结论监理工程师施工技术施工(建设单位代表):负责人:质检员:填写人:混凝土隐蔽工程检查验收记录C6-01工程名称欣苑小区廉租房二标段验收时间2012.编号施工单位七台河大地建设工程有限责任公司验收部位化粪池HC1...

1、当您付费下载文档后,您只拥有了使用权限,并不意味着购买了版权,文档只能用于自身使用,不得用于其他商业用途(如 [转卖]进行直接盈利或[编辑后售卖]进行间接盈利)。
2、本站所有内容均由合作方或网友上传,本站不对文档的完整性、权威性及其观点立场正确性做任何保证或承诺!文档内容仅供研究参考,付费前请自行鉴别。
3、如文档内容存在违规,或者侵犯商业秘密、侵犯著作权等,请点击“违规举报”。

碎片内容

化粪池隐蔽工程检查验收记录

文章天下+ 关注
实名认证
内容提供者

各种文档应有尽有

确认删除?
VIP
微信客服
  • 扫码咨询
会员Q群
  • 会员专属群点击这里加入QQ群
客服邮箱
回到顶部