电脑桌面
添加小米粒文库到电脑桌面
安装后可以在桌面快捷访问

2024年校内实训基地建设方案VIP免费

2024年校内实训基地建设方案_第1页
1/20
2024年校内实训基地建设方案_第2页
2/20
2024年校内实训基地建设方案_第3页
3/20
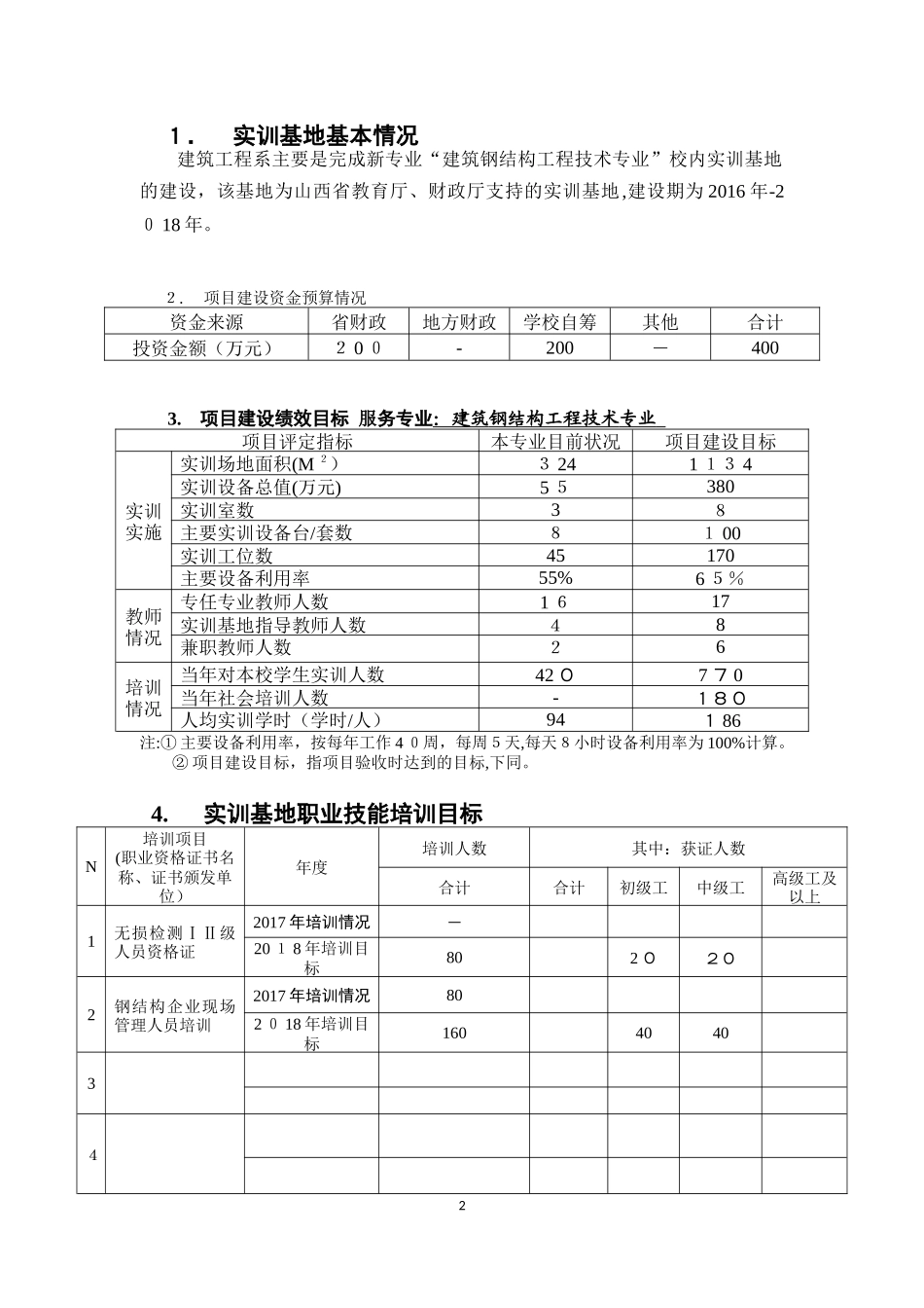
校内实训基地建设方案建筑工程系2017年3月ﻬ1.实训基地基本情况建筑工程系主要是完成新专业“建筑钢结构工程技术专业”校内实训基地的建设,该基地为山西省教育厅、财政厅支持的实训基地,建设期为2016年-2018年。2.项目建设资金预算情况资金来源省财政地方财政学校自筹其他合计投资金额(万元)200-200-4003.项目建设绩效目标服务专业:建筑钢结构工程技术专业项目评定指标本专业目前状况项目建设目标实训实施实训场地面积(M2)3241134实训设备总值(万元)55380实训室数38主要实训设备台/套数8100实训工位数45170主要设备利用率55%65%教师情况专任专业教师人数1617实训基地指导教师人数48兼职教师人数26培训情况当年对本校学生实训人数420770当年社会培训人数-180人均实训学时(学时/人)94186注:①主要设备利用率,按每年工作40周,每周5天,每天8小时设备利用率为100%计算。②项目建设目标,指项目验收时达到的目标,下同。4.实训基地职业技能培训目标N培训项目(职业资格证书名称、证书颁发单位)年度培训人数其中:获证人数合计合计初级工中级工高级工及以上1无损检测ⅠⅡ级人员资格证2017年培训情况-2018年培训目标8020202钢结构企业现场管理人员培训2017年培训情况802018年培训目标16040403425.项目设备预算N设备名称型号规格单位单价(元)小计(元)实训内容1超声波探伤仪PXUT-S6015台29800447000超声检测2超声检测标准试块(带支CSK-IA15块带支架160024000超声检测3超声检测对比试块(带支RB-215块带支架146021900超声检测4平底孔试块CS-32块18003600超声检测5UT缺陷试块(板板焊接)1.试块应包含有裂纹、夹渣、未焊透、未融合、气孔等五种焊接缺陷。每件试块有2-3个缺陷,缺陷距试块端部不少于30mm,两缺陷之间不少于40mm,单个缺陷长度不大于50mm。2.每个试块左上角刻上试块编号(电脑排刻),试块做一提手,试块规格:(长X宽X高)300mm×300mm×20mm;3.每个试块要提供X射线底片和中、英文版超声检测报告。15块190028500超声检测6UT缺陷试块(T型对接焊缝K坡口)1.试块应包含有裂纹、夹渣、未焊透、未融合、气孔等五种焊接缺陷。每件试块有2-3陷,缺陷距试块端部不少于30mm,两缺陷之间不少于40mm,单个缺陷长度不大于50mm。2.每个试块左上角刻上试块编号(电脑排刻),试块做一提手。试块规格:(长×宽×高)150mm×150mm×20mm。3.每个试块要提供X射线底片和中、英文版超声检测报告。3块19005700超声检测37UT缺陷试块(T型对接焊缝单V坡口)1.试块应包含有裂纹、夹渣、未焊透、未融合、气孔等五种焊接缺陷。每件试块有2-3个缺陷,缺陷距试块端部不少于30mm,两缺陷之间不少于40mm,单个缺陷长度不大于50mm。2.每个试块左上角刻上试块编号(电脑排刻),试块做一提手。试块规格:(长×宽×高)150mm×150mm×25mm。ﻫ3.每个试块要提供X射线底片和中、英文版超声检测报告。3块19005700超声检测8UT缺陷试块(T型对接焊缝Y坡口)1.试块应包含有裂纹、夹渣、未焊透、未融合、气孔等五种焊接缺陷。每件试块有2-3个缺陷,缺陷距试块端部不少于30mm,两缺陷之间不少于40mm,单个缺陷长度不大于50mm。2.每个试块左上角刻上试块编号(电脑排刻),试块做一提手。试块规格:(长×宽×高)150mm×150mm×25mm。3.每个试块要提供X射线底片和中、英文版超声检测报告。3块19005700超声检测9UT缺陷试块(钢锻件)1.试块直径为120mm,高为160mm。上端面为检测面,应光滑平整,上下端面应平行。每个试块做2个不同当量和不同深度的内部人工缺陷。2.每个试块正面刻上试块编号(电脑排刻),并刻上定位标记,每个试块做两个提手,提手高点低于上端面20mm。3.每个试块要提供X射线底片和中、英文版超声检测报告。3块19005700超声检测10UT缺陷试块(钢板缺陷)1.试块300mm×300mm×30(长×宽×高厚)。上端面为检测面,应光滑平整,上下端面应平行。每个试块做2个不同规格的缺陷。2.每个试块正面刻上试块编号(电脑排刻),并刻上定位标记,每个试块做两个提手,提手高点低于上端面20mm。3.提供中、英...

1、当您付费下载文档后,您只拥有了使用权限,并不意味着购买了版权,文档只能用于自身使用,不得用于其他商业用途(如 [转卖]进行直接盈利或[编辑后售卖]进行间接盈利)。
2、本站所有内容均由合作方或网友上传,本站不对文档的完整性、权威性及其观点立场正确性做任何保证或承诺!文档内容仅供研究参考,付费前请自行鉴别。
3、如文档内容存在违规,或者侵犯商业秘密、侵犯著作权等,请点击“违规举报”。

碎片内容

2024年校内实训基地建设方案

您可能关注的文档

确认删除?
VIP
微信客服
  • 扫码咨询
会员Q群
  • 会员专属群点击这里加入QQ群
客服邮箱
回到顶部