电脑桌面
添加小米粒文库到电脑桌面
安装后可以在桌面快捷访问

网版检验规范

网版检验规范_第1页
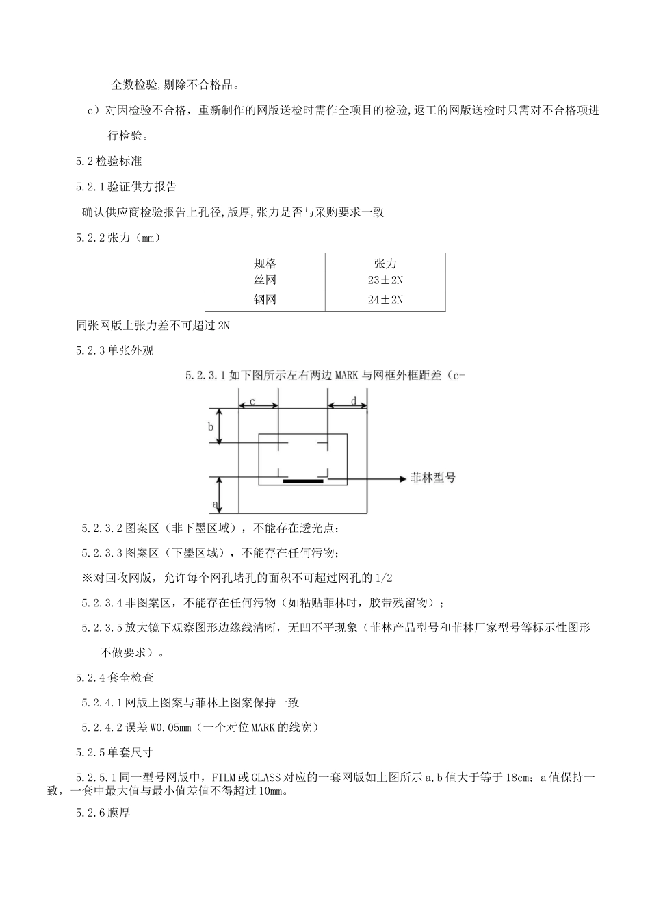
1/6
网版检验规范_第2页
2/6
网版检验规范_第3页
3/6
菲林检验规范版别VER日期DATE撰写者ORIGINATOR变更要旨DESCRIPTION2014/06/18核准Approved审核Check作成Consummate会签部门销售部工艺部品质部制造部资材部财务部签名菲林检验1 目的确保菲林能符合我司的生产要求,能适应于公司的工艺制作条件2 范围定义了过程检验员在过程检验过程中对菲林的品质进行控制和检验的内容,适用于对外公司菲林的检验。3 使用工具及参考资料原稿菲林、红胶片或铝片、10X 镜4 检验方法及步骤4.1、用原稿负片菲林拍生产正片菲林检查(有无遗漏图形)A、遗漏图形 B、线幼 C、板内图形到板边的距离4.2、用原稿正片菲林拍生产负片菲林检查(不可多余图形)A、多余图形 B、是否有增加标记 C、单元外形到板边的距离4.3、线路菲林的药膜面是否有反,可用以下方法检查(不可反药膜)A、确认菲林的正反面B、原则上所有药膜面为正面4.4、检验线路沙孔、缺口(不允许线路菲林有沙孔、缺口)用红丹填补5 检验规则,检验标准及检验方法5.1 检验规则a)检验项目序号检验项目检验方法和要求适用范围自制版外购版1验证供方报告主要项目是否符当次采购要求•2张力在张力仪上进行,符合 5.2.2 规定••3单张外观在光桌上进行,符合 5.2.3 规定••4套全检杳在光桌上进行,符合 5.2.4 规定••5单套尺寸在光桌上使用尺进行,符合 5.2.5 规定••6膜厚在光桌上使用膜厚仪进行,符合 5.2.6 规定•b)检验数量全数检验,剔除不合格品。c)对因检验不合格,重新制作的网版送检时需作全项目的检验,返工的网版送检时只需对不合格项进行检验。5.2 检验标准5.2.1 验证供方报告确认供应商检验报告上孔径,版厚,张力是否与采购要求一致5.2.2 张力(mm)规格张力丝网23±2N钢网24±2N同张网版上张力差不可超过 2N5.2.3 单张外观5.2.3.2 图案区(非下墨区域),不能存在透光点;5.2.3.3 图案区(下墨区域),不能存在任何污物;※对回收网版,允许每个网孔堵孔的面积不可超过网孔的 1/25.2.3.4 非图案区,不能存在任何污物(如粘贴菲林时,胶带残留物);5.2.3.5 放大镜下观察图形边缘线清晰,无凹不平现象(菲林产品型号和菲林厂家型号等标示性图形不做要求)。5.2.4 套全检查5.2.4.1 网版上图案与菲林上图案保持一致5.2.4.2 误差 W0.05mm(一个对位 MARK 的线宽)5.2.5 单套尺寸5.2.5.1 同一型号网版中,FILM 或 GLASS 对应的一套网版如上图所示 a,b 值大于等于 18cm;a 值保持一致,一套中最大值与最小值...

1、当您付费下载文档后,您只拥有了使用权限,并不意味着购买了版权,文档只能用于自身使用,不得用于其他商业用途(如 [转卖]进行直接盈利或[编辑后售卖]进行间接盈利)。
2、本站所有内容均由合作方或网友上传,本站不对文档的完整性、权威性及其观点立场正确性做任何保证或承诺!文档内容仅供研究参考,付费前请自行鉴别。
3、如文档内容存在违规,或者侵犯商业秘密、侵犯著作权等,请点击“违规举报”。

碎片内容

网版检验规范

确认删除?
VIP
微信客服
  • 扫码咨询
会员Q群
  • 会员专属群点击这里加入QQ群
客服邮箱
回到顶部