电脑桌面
添加小米粒文库到电脑桌面
安装后可以在桌面快捷访问

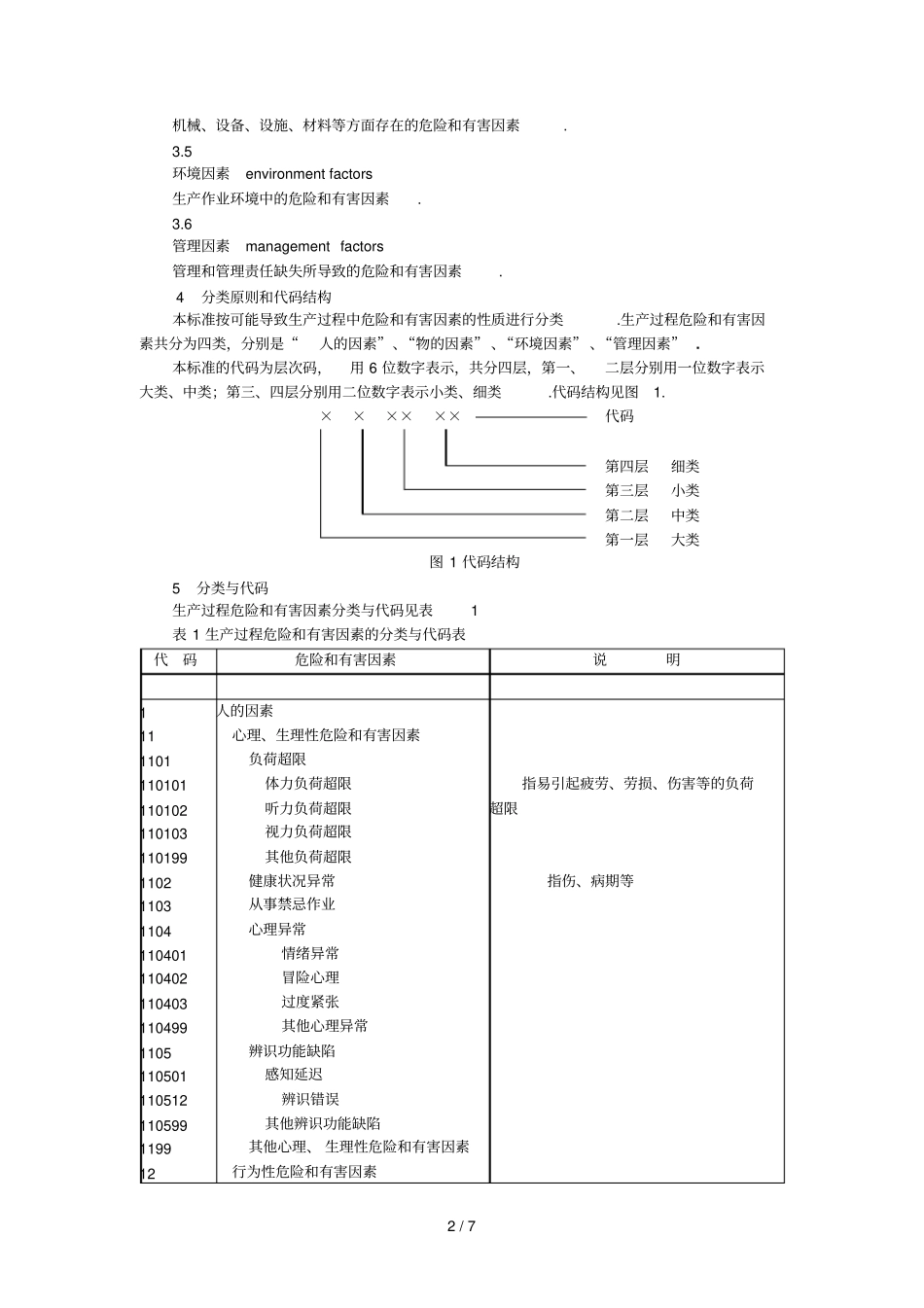
生产过程危险和有害因素分类与代码说明

生产过程危险和有害因素分类与代码说明_第1页
1/7
生产过程危险和有害因素分类与代码说明_第2页
2/7
生产过程危险和有害因素分类与代码说明_第3页
3/7
1 / 7 生产过程危险和有害因素分类与代码(GB13861-2009)前言本标准代替GB/T 13861-1992 《生产过程危险和有害因素分类与代码》. 本标准与 GB/T 13861-1992 相比,主要变化如下:—— 增加了 “规范性引用文件”—— 增加了 “术语和定义 ”;—— 代码结构由“三层”改为“四层”;—— 大类设置由六类改为四类,分别是“人的因素 ”、“物的因素 ”、“环境因素 ”和“管理因素 ”;——“环境因素 ”下的中类增加了“自然环境 ”. 本标准由中国标准化研究院提出. 本标准由全国信息分类与编码标准化技术委员会归口. 本标准起草单位:中国标准化研究院,中国安全生产科学研究院,辽宁省安全科学研究院. 本标准主要起草人:张艳琦,张惠军,刘骥,隋旭、郝银贵,李荣华. 本标准所代替的历次版本发布情况为:—— GB/T13861-1992 生产过程危险和有害因素分类与代码1范围本标准规定了生产过程中各种主要危险和有害因素的分类和代码. 本标准适用于各行业在规划、设计和组织生产时,对危险和有害因素的预测、预防,对伤亡事故原因的辨识和分析,也适用于职业安全卫生信息的处理与交换. 2规范性引用文件下列文件中的条款通过本标准的引用而成为本标准的条款.凡是注日期的引用文件,其随后所有的修改单(不包括勘误的内容)或修订版均不适用于本标准.然而,鼓励根据本标准达成协议的各方研究是否可使用这些文件的最新版本.凡是不注日期的引用文件,其最新版本适用于本标准. GB13690 常用危险化学品的分类及标志3术语和定义3.1 生产过程 production process 劳动者在生产领域从事生产活动的全过程. 3.2 危险和有害因素hazardous and harmful factors 能对人造成伤亡或影响人的身体健康甚至导致疾病的因素. 3.3 人的因素hominine factors 与生产各环节有关的,来自人员自身或人为性质的危险和有害因素. 3.4 物的因素material factors 2 / 7 机械、设备、设施、材料等方面存在的危险和有害因素. 3.5 环境因素environment factors 生产作业环境中的危险和有害因素. 3.6 管理因素management factors 管理和管理责任缺失所导致的危险和有害因素. 4分类原则和代码结构本标准按可能导致生产过程中危险和有害因素的性质进行分类.生产过程危险和有害因素共分为四类,分别是“人的因素”、“物的因素” 、“环境因素” 、“管理因素” .本标准的代码为层次码,用 6 位数字表示,共分四层,第一...

1、当您付费下载文档后,您只拥有了使用权限,并不意味着购买了版权,文档只能用于自身使用,不得用于其他商业用途(如 [转卖]进行直接盈利或[编辑后售卖]进行间接盈利)。
2、本站所有内容均由合作方或网友上传,本站不对文档的完整性、权威性及其观点立场正确性做任何保证或承诺!文档内容仅供研究参考,付费前请自行鉴别。
3、如文档内容存在违规,或者侵犯商业秘密、侵犯著作权等,请点击“违规举报”。

碎片内容

生产过程危险和有害因素分类与代码说明

爱的疯狂+ 关注
实名认证
内容提供者

该用户很懒,什么也没介绍

确认删除?
VIP
微信客服
  • 扫码咨询
会员Q群
  • 会员专属群点击这里加入QQ群
客服邮箱
回到顶部