电脑桌面
添加小米粒文库到电脑桌面
安装后可以在桌面快捷访问

生产过程现场检查表

生产过程现场检查表_第1页
1/38
生产过程现场检查表_第2页
2/38
生产过程现场检查表_第3页
3/38
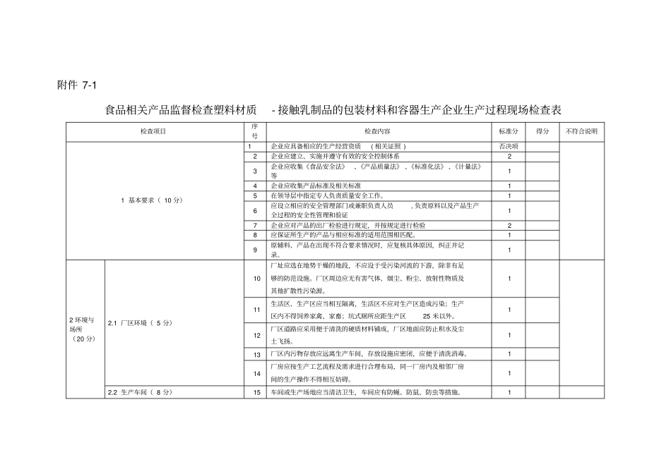
附件 7-1 食品相关产品监督检查塑料材质- 接触乳制品的包装材料和容器生产企业生产过程现场检查表检查项目序号检查内容标准分得分不符合说明1 基本要求( 10 分)1企业应具备相应的生产经营资质( 相关证照 )否决项2企业应建立、实施并遵守有效的安全控制体系23企业应收集《食品安全法》、《产品质量法》 、《标准化法》 、《计量法》等14企业应收集产品标准及相关标准15在领导层中指定专人负责质量安全工作。16应设立相应的安全管理部门或兼职负责人员, 负责原料以及产品生产全过程的安全性管理和验证17企业应对产品的出厂检验进行规定,并按规定进行检验28应保证所生产的产品与相应标准的适用范围相匹配。19原辅料、产品在出现不符合要求情况时,应复核具体原因,纠正并记录。12 环境与场所( 20 分)2.1 厂区环境( 5 分)10厂址应选在地势干燥的地段,不应设于受污染河流的下游,除非有足够的防范设施。厂区周边应无有害气体、烟尘、粉尘、放射性物质及其他扩散性污染源。111生活区、生产区应当相互隔离,生活区不应对生产区造成污染;生产区内不得饲养家禽、家畜;坑式厕所应距生产区25 米以外。112厂区道路应采用便于清洗的硬质材料铺成,厂区地面应防止积水及尘土飞扬。113厂区内污物存放应远离生产车间,存放设施应密闭,应便于清洗消毒。114厂房应按生产工艺流程及需求进行合理布局,同一厂房内及相邻厂房间的生产操作不得相互妨碍。12.2 生产车间( 8 分)15车间或生产场地应当清洁卫生,车间应有防蝇、防鼠、防虫等措施。1检查项目序号检查内容标准分得分不符合说明16车间地面应用防滑的硬质材料铺设,平整无积水,便于清扫,排水系统良好,固体废弃物应及时清理;车间墙壁易于清扫。车间内的水池、地漏等不得对生产造成污染。117生产区内的公共设施避免出现不易清洁的部位。生产区域内的更衣室和洗手设施等公共设施不应给生产带来污染。车间厕所应为水冲式,应与生产区域有效隔离,应有防虫、防蝇设施。厕所的通风设施应独立,不得与生产车间相通。118对生产区的温度、湿度有要求的产品,应具备满足工艺要求的相应设施。119对无菌包装产品,应监测生产区的空气质量,并将结果记录存档。120车间内通风应良好,光线应充足,照度应满足生产加工要求;工作台、敞开式生产线及裸露产品上方的照明设备应有防护装置;车间内应有应急照明设施。121车间应分别建立人员进出和物流的通道,人员进入应有消毒、除尘或风淋(浴)...

1、当您付费下载文档后,您只拥有了使用权限,并不意味着购买了版权,文档只能用于自身使用,不得用于其他商业用途(如 [转卖]进行直接盈利或[编辑后售卖]进行间接盈利)。
2、本站所有内容均由合作方或网友上传,本站不对文档的完整性、权威性及其观点立场正确性做任何保证或承诺!文档内容仅供研究参考,付费前请自行鉴别。
3、如文档内容存在违规,或者侵犯商业秘密、侵犯著作权等,请点击“违规举报”。

碎片内容

生产过程现场检查表

您可能关注的文档

确认删除?
VIP
微信客服
  • 扫码咨询
会员Q群
  • 会员专属群点击这里加入QQ群
客服邮箱
回到顶部