电脑桌面
添加小米粒文库到电脑桌面
安装后可以在桌面快捷访问

大工18春《钢筋混凝土结构课程设计》大作业及答案

大工18春《钢筋混凝土结构课程设计》大作业及答案_第1页
1/14
大工18春《钢筋混凝土结构课程设计》大作业及答案_第2页
2/14
大工18春《钢筋混凝土结构课程设计》大作业及答案_第3页
3/14
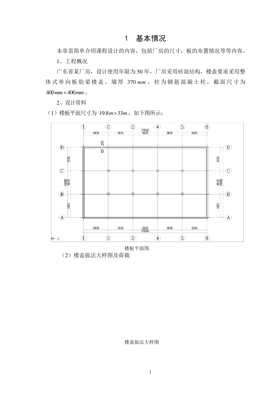
网络教育学院 《钢筋混凝土结构课程设计》 题 目:某厂房单向板设计 学习中心: 专 业: 年 级: 学 号: 学 生: 指导教师: 1 1 基本情况 本章需简单介绍课程设计的内容,包括厂房的尺寸,板的布置情况等等内容。 1 、工程概况 广东省某厂房,设计使用年限为 5 0 年,厂房采用砖混结构,楼盖要求采用整体 式 单向 板肋 梁 楼 盖 。墙 厚 3 7 0 mm ,柱 为 钢 筋 混 凝 土 柱 ,截 面 尺寸为4 0 04 0 0mmmm。 2 、设计资料 (1 )楼板平面尺寸为 1 9 .83 3mm,如下图所示: 楼板平面图 (2 )楼盖做法大样图及荷载 楼盖做法大样图 2 楼面均布活荷载标准值为:7kN/m2 楼面面层用20m m 厚水泥砂浆抹面,  20kN/m3, 板底及梁用20mm 厚混合砂浆天棚抹底,  17kN/m 3 楼盖自重即为钢筋混凝土容重,  25KN/m 3 ④ 恒载分项系数1.2;活荷载分项系数为1.3(因工业厂房楼盖楼面活荷载标准值大于4kN/m2) ⑤ 材料选用 混凝土:C30 钢 筋:梁中受力纵筋采用级钢筋;板内及梁内的其它钢筋可以采用Φ级钢筋。 3 2 单向板结构设计 2.1 板的设计 本节内容是根据已知的荷载条件对板进行配筋设计,按塑性理论进行计算。 2.1.1 荷载 板的永久荷载标准值 80mm 现浇钢筋混凝土板 0.08×25=2 kN/m2 20mm 厚水泥砂浆抹面 0.02×20=0.4 kN/m2 20mm 厚混合砂浆天棚抹底 0.02×17=0.34 kN/m2 小计 2.74 kN/m2 楼面均布活荷载标准值 7 kN/m2 永久荷载分项系数取 1.2,因工业厂房楼盖楼面活荷载标准值大于 4kN/m2,所以活荷载分项系数取 1.3。于是板的荷载总计算值: ①q=Gkg +Qkq =1.2×2.74+0.7×1.3×7=9.658kN/m2 ②q=Gkg +Qkq =1.2×2.74+1.3×7=12.388kN/m2 由于②>①,所以取②q=12.388kN/m2,近似取 q=12kN/m2 2.1.2 计算简图 次梁截面为 200mm×500mm,现浇板在墙上的支承长度不小于 100mm,取板在墙上的支承长度为 120mm 。按塑性内力重分布设计,板的计算跨度: 边跨0l =nl +h/2=2200-100-120+80/2=2020mm<1.025nl =2030mm,取0l =2020mm 中间跨0l =nl =2200-200=2000mm 因跨度相差小于 10%,可按等跨连续板计算。取 1m 宽板带作为计算单元,计算简图如图所示: 板计算简图 2.1.3 内力计算 板厚 h=100mm, 4 次梁 b×h=220mm×450mm 计算跨度:边跨 L01=Ln+h/2=3000-120-2...

1、当您付费下载文档后,您只拥有了使用权限,并不意味着购买了版权,文档只能用于自身使用,不得用于其他商业用途(如 [转卖]进行直接盈利或[编辑后售卖]进行间接盈利)。
2、本站所有内容均由合作方或网友上传,本站不对文档的完整性、权威性及其观点立场正确性做任何保证或承诺!文档内容仅供研究参考,付费前请自行鉴别。
3、如文档内容存在违规,或者侵犯商业秘密、侵犯著作权等,请点击“违规举报”。

碎片内容

大工18春《钢筋混凝土结构课程设计》大作业及答案

小辰4+ 关注
实名认证
内容提供者

出售各种资料和文档

确认删除?
VIP
微信客服
  • 扫码咨询
会员Q群
  • 会员专属群点击这里加入QQ群
客服邮箱
回到顶部