电脑桌面
添加小米粒文库到电脑桌面
安装后可以在桌面快捷访问

女儿墙施工方案

女儿墙施工方案_第1页
1/9
女儿墙施工方案_第2页
2/9
女儿墙施工方案_第3页
3/9
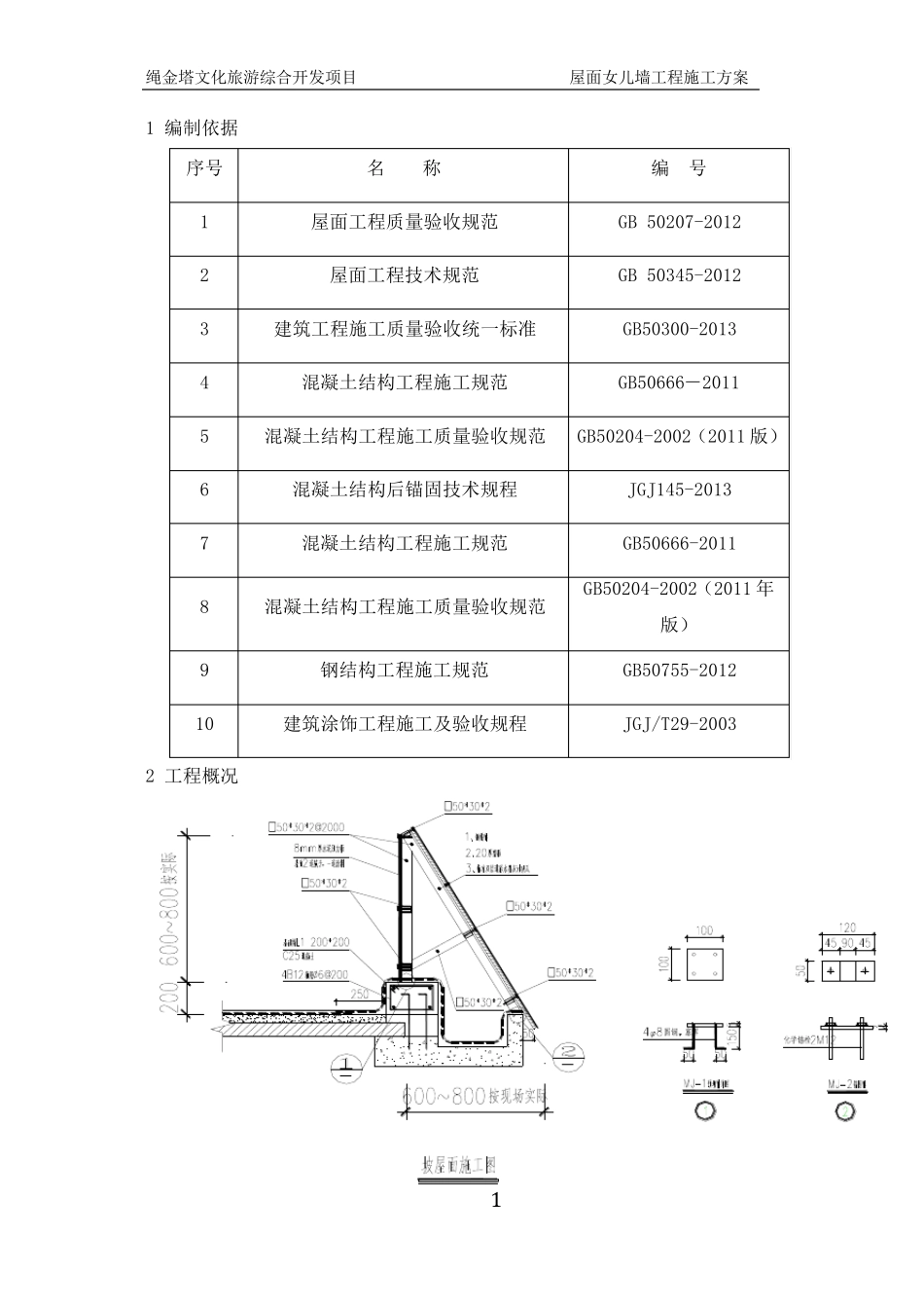
绳金塔文化旅游综合开发项目 屋面女儿墙工程施工方案 绳金塔文化街区改造项目工程 屋面女儿墙施工方案 北京市第三建筑工程有限公司 2015 年 9 月 绳金塔文化旅游综合开发项目 屋面女儿墙工程施工方案 目 录 1 编制依据 ......................................................... 1 2 工程概况 ......................................................... 1 3 施工准备 ......................................................... 2 3.1 材料准备 .............................................................................................................................. 2 3.2 施工机具的配备 .................................................................................................................. 2 3.3 作业条件准备 ...................................................................................................................... 2 3.4 技术准备 .............................................................................................................................. 2 3.5 人员及分工 .......................................................................................................................... 3 4 施工部署 ......................................................... 3 5. 女儿墙斜屋面工程施工工艺 ......................................... 3 6 质量验收标准 ..................................................... 6 6.1 质量管理目标 ...................................................................................................................... 6 6.2 检验报验程序 ...................................................................................................................... 6 6.3 质量控制标准 ....................................................................................... 错误!未定义书签。 6.4 质量保证措施 ...................................................................................................................... 6 7 成品保护措施 ........................................................

1、当您付费下载文档后,您只拥有了使用权限,并不意味着购买了版权,文档只能用于自身使用,不得用于其他商业用途(如 [转卖]进行直接盈利或[编辑后售卖]进行间接盈利)。
2、本站所有内容均由合作方或网友上传,本站不对文档的完整性、权威性及其观点立场正确性做任何保证或承诺!文档内容仅供研究参考,付费前请自行鉴别。
3、如文档内容存在违规,或者侵犯商业秘密、侵犯著作权等,请点击“违规举报”。

碎片内容

女儿墙施工方案

小辰3+ 关注
实名认证
内容提供者

出售各种资料和文档

确认删除?
VIP
微信客服
  • 扫码咨询
会员Q群
  • 会员专属群点击这里加入QQ群
客服邮箱
回到顶部