电脑桌面
添加小米粒文库到电脑桌面
安装后可以在桌面快捷访问

屋顶钢结构吊装方案

屋顶钢结构吊装方案_第1页
1/7
屋顶钢结构吊装方案_第2页
2/7
屋顶钢结构吊装方案_第3页
3/7
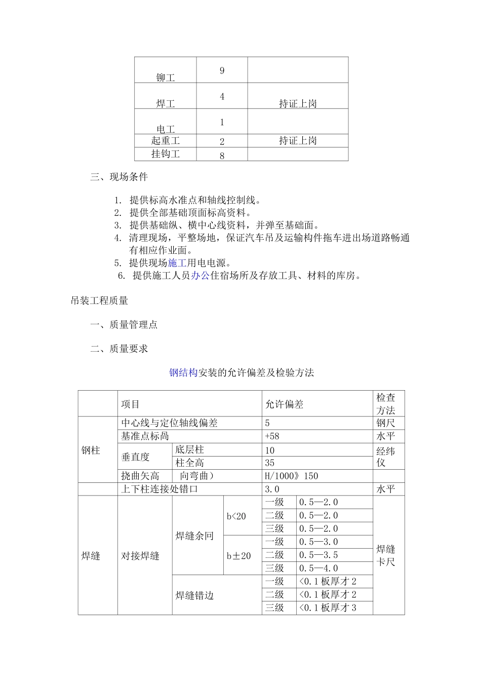
屋顶钢结构吊装方案方案编制的依据根据业主和总包的提供的钢结构图纸,按照国家有关标准及规范,结合本公司的实力与施工经验,进行方案的编制。《钢结构工程施工及验收规范》(GB50205—95)《钢结构工程质量检验标准》(GB50221—95)《钢结构设计规范》(GBJ17-88)建筑钢结构焊接规范》(JGJ82-99)吊装准备工作一、机具材料序号设备名称规格型号数量用途1汽车吊QY651 台吊钢梁2汽车吊45T1 台吊立钢柱3拖车10T1 台运构件4钢丝绳©6x19-1404 付吊构件5麻绳30 米/付2 付溜绳6卡环3.3T8 个吊构件7倒链2T8 个封车8电焊机BX3-5003 台焊接9氧气、乙炔各 2 套焊接10水准仪1 台测量11经纬仪2 台测量12水平尺2 把检杳水平13割枪2 把切割14磁性铅坠2 个校正15对讲机1 套联络16自制卡具两种吊装二、劳动力工种人数备注铆工9焊工4持证上岗电工1起重工2持证上岗挂钩工8三、现场条件1. 提供标高水准点和轴线控制线。2. 提供全部基础顶面标高资料。3. 提供基础纵、横中心线资料,并弹至基础面。4. 清理现场,平整场地,保证汽车吊及运输构件拖车进出场道路畅通有相应作业面。5. 提供现场施工用电电源。6. 提供施工人员办公住宿场所及存放工具、材料的库房。吊装工程质量一、质量管理点二、质量要求钢结构安装的允许偏差及检验方法项目允许偏差检查方法钢柱中心线与定位轴线偏差5钢尺基准点标咼+58水平仪垂直度底层柱10经纬仪柱全高35挠曲矢高(侧向弯曲)H/1000》150上下柱连接处错口3.0水平尺焊缝对接焊缝焊缝余冋b<20一级0.5—2.0焊缝卡尺二级0.5—2.0三级0.5—2.0b±20一级0.5—3.0二级0.5—3.5三级0.5—4.0焊缝错边一级<0.1 板厚才 2二级<0.1 板厚才 2三级<0.1 板厚才 3支承面、地脚螺栓的允许偏差:项目允许偏差支承面标咼±3.0水平度L/1000预留孔中心偏移10.0三、质量控制吊装工艺与吊装施工组织一、吊装工艺流程定位——定标高——柱地脚螺栓植筋——弹线——柱安装——钢梁安装—檩条安装——补漆——竣工二、钢柱安装工艺(一)、钢柱吊装、校正1.对基础进行复测,包括锚栓的露出长度,锚栓中心线对基准线的位移偏差锚栓间距,基础标高,对于不合格的进行处理后方可进行吊装。2. 为了控制柱子的安装标高,还事先在柱子可视的截面上划出 500mm 的位置,以便安装时进行标高的微调、校正。在复测合格的基础上安装钢柱,首先用单支钢丝绳将柱子捆绑好,吊点位置选择在距柱端 1/3 柱长的位置。通过旋转法将柱子吊起,将钢柱吊起...

1、当您付费下载文档后,您只拥有了使用权限,并不意味着购买了版权,文档只能用于自身使用,不得用于其他商业用途(如 [转卖]进行直接盈利或[编辑后售卖]进行间接盈利)。
2、本站所有内容均由合作方或网友上传,本站不对文档的完整性、权威性及其观点立场正确性做任何保证或承诺!文档内容仅供研究参考,付费前请自行鉴别。
3、如文档内容存在违规,或者侵犯商业秘密、侵犯著作权等,请点击“违规举报”。

碎片内容

屋顶钢结构吊装方案

您可能关注的文档

确认删除?
VIP
微信客服
  • 扫码咨询
会员Q群
  • 会员专属群点击这里加入QQ群
客服邮箱
回到顶部