电脑桌面
添加小米粒文库到电脑桌面
安装后可以在桌面快捷访问

暗龙骨吊顶工程检验批质量验收记录表模板

暗龙骨吊顶工程检验批质量验收记录表模板_第1页
1/3
暗龙骨吊顶工程检验批质量验收记录表模板_第2页
2/3
暗龙骨吊顶工程检验批质量验收记录表模板_第3页
3/3
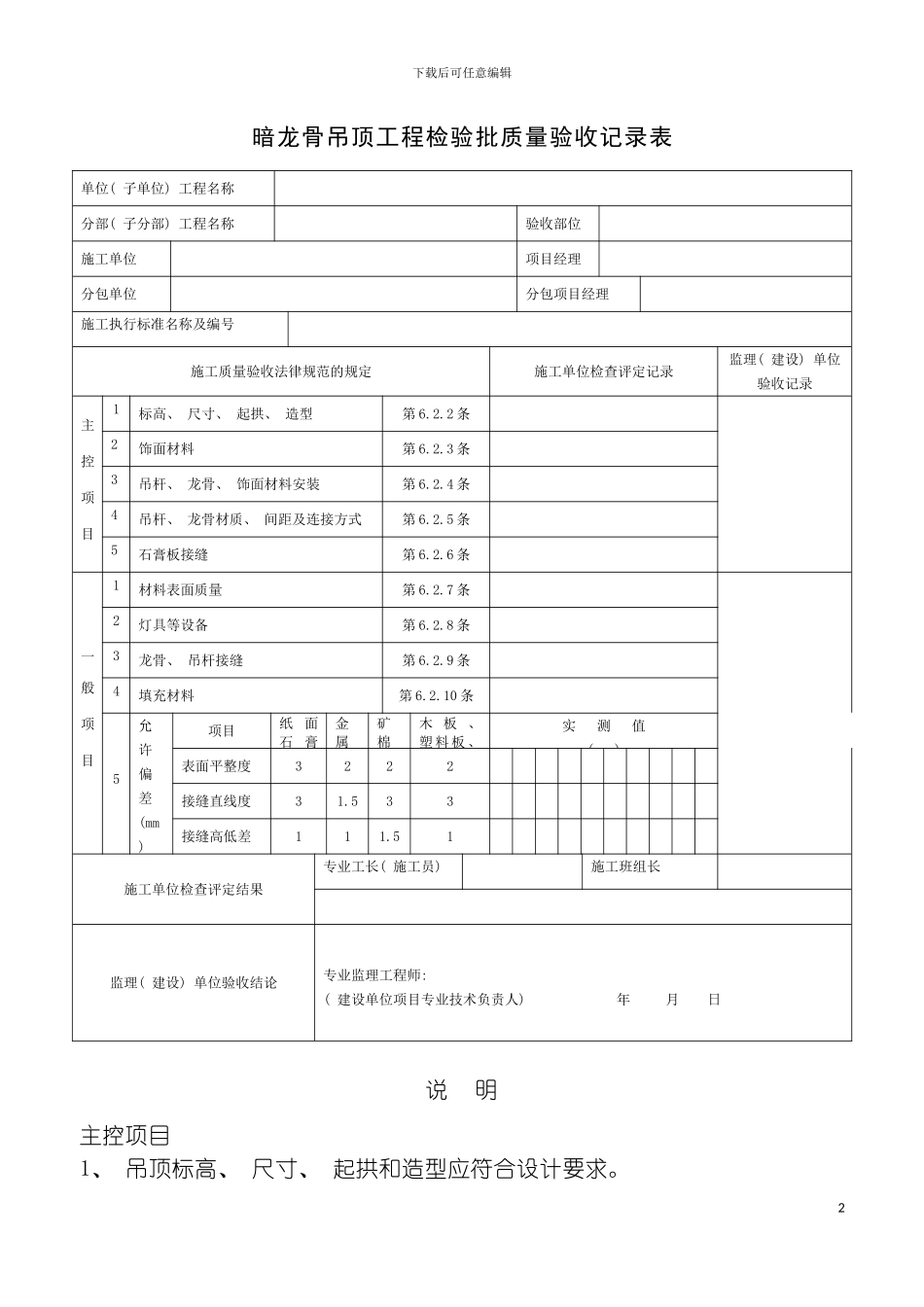
下载后可任意编辑暗龙骨吊顶工程检验批质量验收记录表1下载后可任意编辑暗龙骨吊顶工程检验批质量验收记录表单位( 子单位) 工程名称分部( 子分部) 工程名称验收部位施工单位项目经理分包单位分包项目经理施工执行标准名称及编号施工质量验收法律规范的规定施工单位检查评定记录监理( 建设) 单位验收记录主控项目1标高、 尺寸、 起拱、 造型第 6.2.2 条2饰面材料第 6.2.3 条3吊杆、 龙骨、 饰面材料安装第 6.2.4 条4吊杆、 龙骨材质、 间距及连接方式第 6.2.5 条5石膏板接缝第 6.2.6 条一般项目1材料表面质量第 6.2.7 条2灯具等设备第 6.2.8 条3龙骨、 吊杆接缝第 6.2.9 条4填充材料第 6.2.10 条5允许偏差(mm)项目纸面石膏金属矿棉木 板 、 塑 料 板 、 实 测 值( mm) 表面平整度3222接缝直线度31.533接缝高低差111.51施工单位检查评定结果专业工长( 施工员) 施工班组长监理( 建设) 单位验收结论专业监理工程师: ( 建设单位项目专业技术负责人) 年 月 日说 明 主控项目1、 吊顶标高、 尺寸、 起拱和造型应符合设计要求。2下载后可任意编辑观察和尺量检查。2、 饰面材料的材质、 品种、 规格、 图案和颜色应符合设计要求。观察和检查产品合格证书、 性能检测报告、 进场验收记录和复验报告。3、 暗龙骨吊顶工程的吊杆、 龙骨和饰面材料的安装必须牢固。观察和手扳检查; 检查隐蔽工程验收记录和施工记录。4、 吊杆、 龙骨的材质、 规格、 安装间距及连接方式应符合设计要求。金属吊杆、 龙骨应经过表面防腐处理; 木吊杆、 龙骨应进行防腐、 防火处理。观察和尺量检查; 检查产品合格证书、 性能检测报告、 进场验收记录和隐蔽工程验收记录。5、 石膏板的接缝应按其施工工艺标准进行板缝防裂处理。安装双层石膏板时, 面层板与基层板的接缝应错开, 并不得在同一根龙骨上接缝。观察检查。一般项目1、 饰面材料表面应干净、 色泽一致, 不得有翘曲、 裂缝及缺损。压条应平直、 宽窄一致。观察和尺量检查。2、 饰面板上的灯具、 烟感器、 喷淋头、 风口蓖于等设备的位置应合理 、 美观, 与饰面板的交接应吻合、 严密。观察检查。3、 金属吊杆、 龙骨的接缝应均匀一致, 角缝应吻合, 表面应平整, 无翘曲、 锤印。木质吊杆、 龙骨应顺直, 无劈裂、 变形。检查隐蔽工程验收记录和施工记录。4、 吊顶内填充吸声材料的品种和铺设厚度应符合设计要求, 并...

1、当您付费下载文档后,您只拥有了使用权限,并不意味着购买了版权,文档只能用于自身使用,不得用于其他商业用途(如 [转卖]进行直接盈利或[编辑后售卖]进行间接盈利)。
2、本站所有内容均由合作方或网友上传,本站不对文档的完整性、权威性及其观点立场正确性做任何保证或承诺!文档内容仅供研究参考,付费前请自行鉴别。
3、如文档内容存在违规,或者侵犯商业秘密、侵犯著作权等,请点击“违规举报”。

碎片内容

暗龙骨吊顶工程检验批质量验收记录表模板

确认删除?
VIP
微信客服
  • 扫码咨询
会员Q群
  • 会员专属群点击这里加入QQ群
客服邮箱
回到顶部