电脑桌面
添加小米粒文库到电脑桌面
安装后可以在桌面快捷访问

消防车技术资料样本

消防车技术资料样本_第1页
1/19
消防车技术资料样本_第2页
2/19
消防车技术资料样本_第3页
3/19
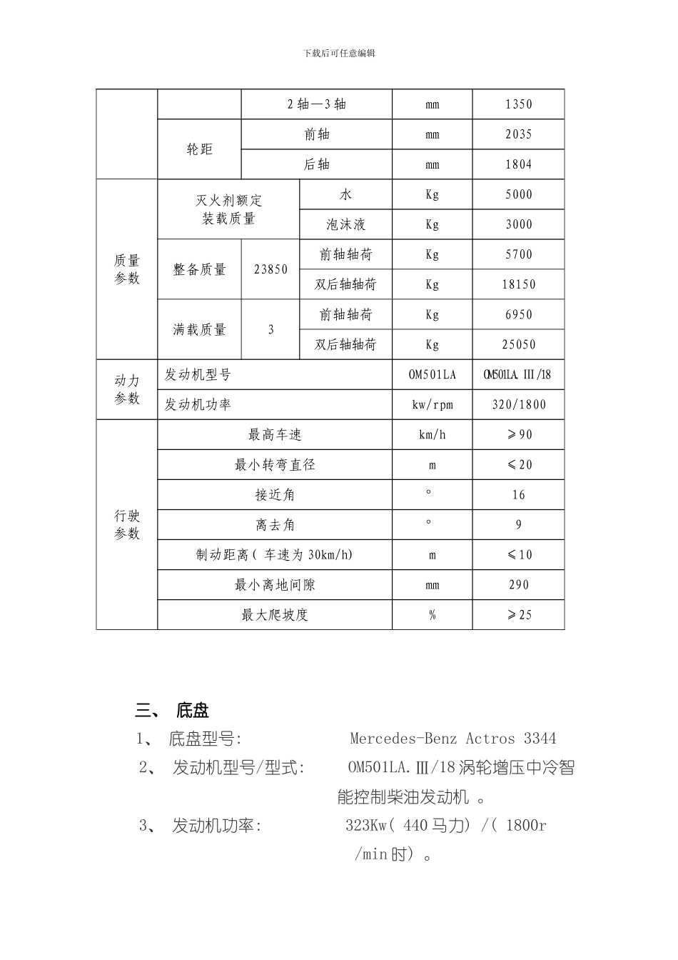
JP42( 进口底盘) 高喷消防车技术规格书JP42( 进口底盘) 高喷消防车技术规格书一、 整车下载后可任意编辑整车要求符合国家标准, 额定工作高度: 42 米( 从水炮水平轴线至地面的垂直高度) 各项相关认证齐全, 车辆比功率≥10, 车辆进入发改委车辆公告目录, 符合环保、 特种车辆免税和上牌要求。 1、 底盘: 德国原装梅赛德斯奔驰 ACTROS 3344 底盘6X4。2、 消防泵: 美国大力 PSP1500。3、 消防炮: 美国阿克隆 3578/5177/3626 电控炮。4、 臂架: 全回转、 组合臂( 伸缩臂+折叠臂式) 5、 支腿: H 型。6、 液压系统: 变量泵+比例阀系统。7、 控制系统: 计算机集成电液控制系统。8、 水路系统: 全部采纳不锈钢材质。9、 火场监视系统: 采纳荷兰 ORLACO 公司高解像视像监察系统( 8 倍光学变焦、 25 倍数码变焦 ) 。10、 车身: 钢制焊接框架, 铝合金花纹防滑走台板, 便于拆卸维修的铆接式蒙皮, 并安装有铝合金卷帘门。11、 颜色: 臂架白色、 车身消防红色、 支腿红白相间的警戒条纹、 保险杠和轮毂钢圈根据底盘原厂颜色, 警戒色根据国家相关要求。二、 JP42 进口底盘消防车技术参数表 类 别项 目单 位参 数尺寸参数整机全长mm12200整机总宽mm2500整机总高mm3950轴距1 轴—2 轴mm4500下载后可任意编辑2 轴—3 轴mm1350轮距前轴mm2035后轴mm1804质量参数灭火剂额定装载质量水Kg5000泡沫液Kg3000整备质量23850前轴轴荷Kg5700双后轴轴荷Kg18150满载质量3 前轴轴荷Kg6950双后轴轴荷Kg25050动力参数发动机型号OM501LAOM501LA.Ⅲ/18发动机功率kw/rpm320/1800行驶参数最高车速km/h≥90最小转弯直径m≤20接近角°16离去角°9制动距离( 车速为 30km/h) m≤10最小离地间隙mm290最大爬坡度%≥25三、 底盘1、 底盘型号: Mercedes-Benz Actros 3344 2、 发动机型号/型式: OM501LA.Ⅲ/18 涡轮增压中冷智能控制柴油发动机 。 3、 发动机功率: 323Kw( 440 马力) /( 1800r/min 时) 。下载后可任意编辑4、 发动机最大扭矩: Nm/( 1080r/min 时) 5、 发动机控制: 奔驰 Telligent®智能发动机管理系统奔驰 Telligent®智能保养系统自动巡航系统及电子限速系统。6、 最高车速: 90km/h7、 轴距: 4500+1350mm8、 排放: 欧Ⅲ9、 变速箱: 全同步变速箱、 16 个前进挡 , 2 个 倒 挡 , 奔 驰Telligent 智能换档系统。10、 前桥: 7 吨11: 中、 后桥: 26...

1、当您付费下载文档后,您只拥有了使用权限,并不意味着购买了版权,文档只能用于自身使用,不得用于其他商业用途(如 [转卖]进行直接盈利或[编辑后售卖]进行间接盈利)。
2、本站所有内容均由合作方或网友上传,本站不对文档的完整性、权威性及其观点立场正确性做任何保证或承诺!文档内容仅供研究参考,付费前请自行鉴别。
3、如文档内容存在违规,或者侵犯商业秘密、侵犯著作权等,请点击“违规举报”。

碎片内容

消防车技术资料样本

确认删除?
VIP
微信客服
  • 扫码咨询
会员Q群
  • 会员专属群点击这里加入QQ群
客服邮箱
回到顶部