电脑桌面
添加小米粒文库到电脑桌面
安装后可以在桌面快捷访问

直流电阻测试仪说明书资料

直流电阻测试仪说明书资料_第1页
1/7
直流电阻测试仪说明书资料_第2页
2/7
直流电阻测试仪说明书资料_第3页
3/7
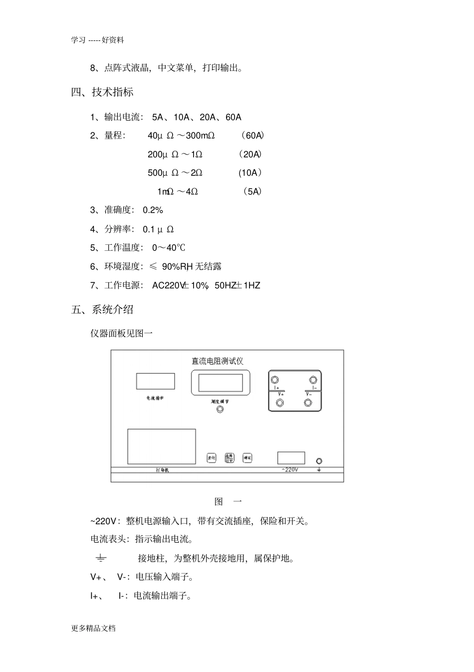
学习 -----好资料更多精品文档目 录一、概述 ..................................................................................................... 1二、安全措施 ............................................................................................. 1三、性能特点 ............................................................................................. 1四、技术指标 ............................................................................................. 2五、系统介绍 ............................................................................................. 2六、测试与操作方法 ................................................................................ 3七、注意事项 ............................................................................................. 5八、仪器成套性 ......................................................................................... 6九、售后服务 ............................................................................................. 6学习 -----好资料更多精品文档一、概述变压器直流电阻是变压器制造中半成品、成品出厂试验、安装、大修、改变分接开关后、 交接试验及电力部门预防性试验的必测项目。可以检查绕组接头的焊接质量和绕组有无匝间短路, 可以检测电压分接开关的各个位置接触是否良好以及分接开关实际位置与指示位置是否相符,引出线是否有断裂, 多股导线并绕是否有断股等情况。 为了满足变压器直流电阻快速测量的需要,我公司研制的直流电阻测试仪。该仪器采用全新电源技术,具有体积小、重量轻、输出电流大、重复性好、抗干扰能力强、保护功能完善等特点。整机由高速单片机控制,自动化程度高,具有自动放电和放电报警功能。仪器测试精度高,操作简便,可实现变压器直阻的快速测量。二、安全措施1、使用本仪器前必须认真阅读本手册。2、仪器的使用者应具备一般电气常识。3、仪器使用避开雨淋、腐蚀气体、尘埃过浓、高温、阳光直射等场所。4、仪表应避免长期颠簸和剧烈振动。4、对仪器的维修、调试应由专业人员进行。5、测试完毕后一定要等放电报警声停止后再关闭电源,拆除测试线。6、测量无载调压变压器,一定要等放电指示报警音停止后,切换档位。7、在测试过程...

1、当您付费下载文档后,您只拥有了使用权限,并不意味着购买了版权,文档只能用于自身使用,不得用于其他商业用途(如 [转卖]进行直接盈利或[编辑后售卖]进行间接盈利)。
2、本站所有内容均由合作方或网友上传,本站不对文档的完整性、权威性及其观点立场正确性做任何保证或承诺!文档内容仅供研究参考,付费前请自行鉴别。
3、如文档内容存在违规,或者侵犯商业秘密、侵犯著作权等,请点击“违规举报”。

碎片内容

直流电阻测试仪说明书资料

您可能关注的文档

确认删除?
VIP
微信客服
  • 扫码咨询
会员Q群
  • 会员专属群点击这里加入QQ群
客服邮箱
回到顶部