电脑桌面
添加小米粒文库到电脑桌面
安装后可以在桌面快捷访问

真空预压施工工艺

真空预压施工工艺_第1页
1/6
真空预压施工工艺_第2页
2/6
真空预压施工工艺_第3页
3/6
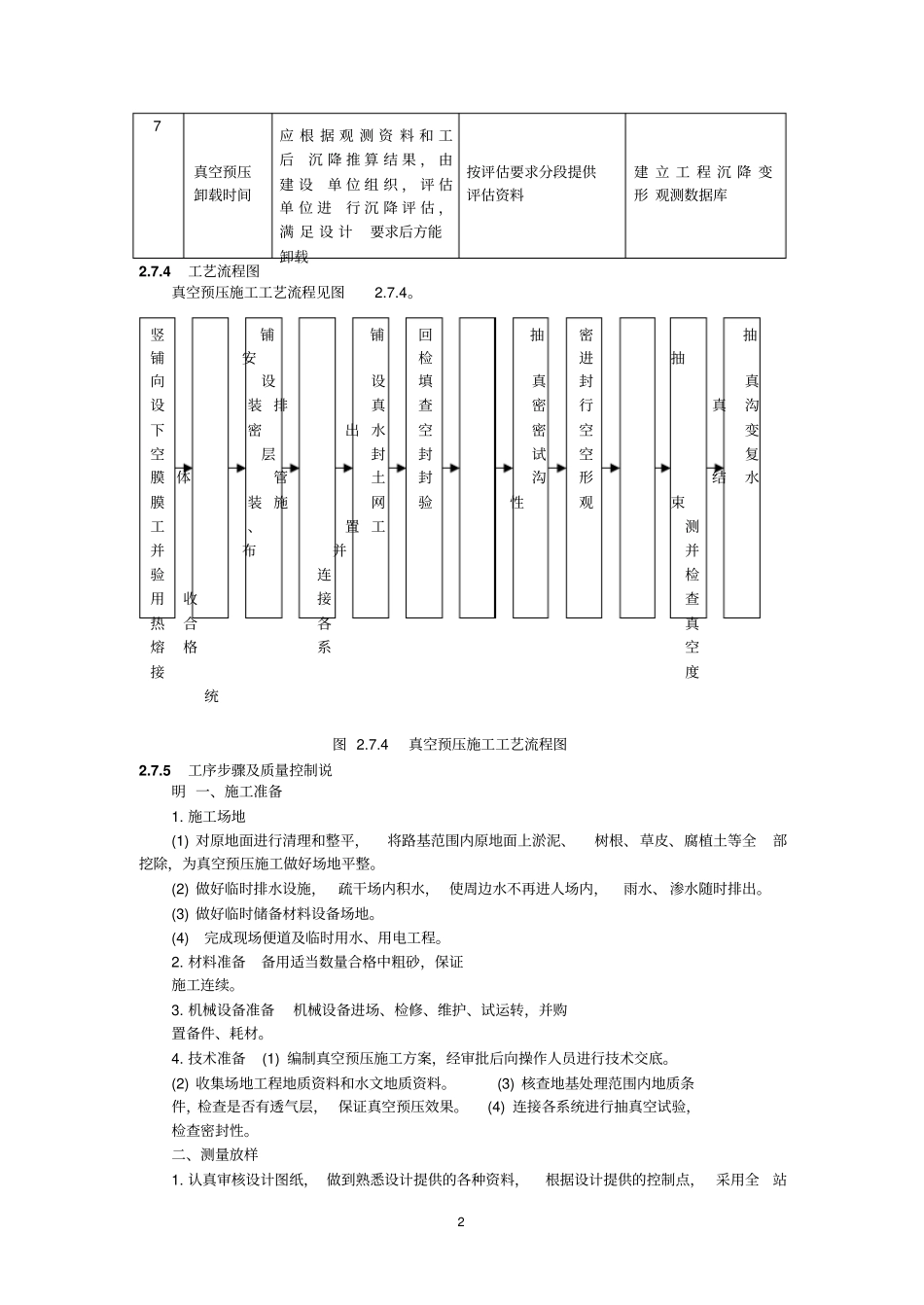
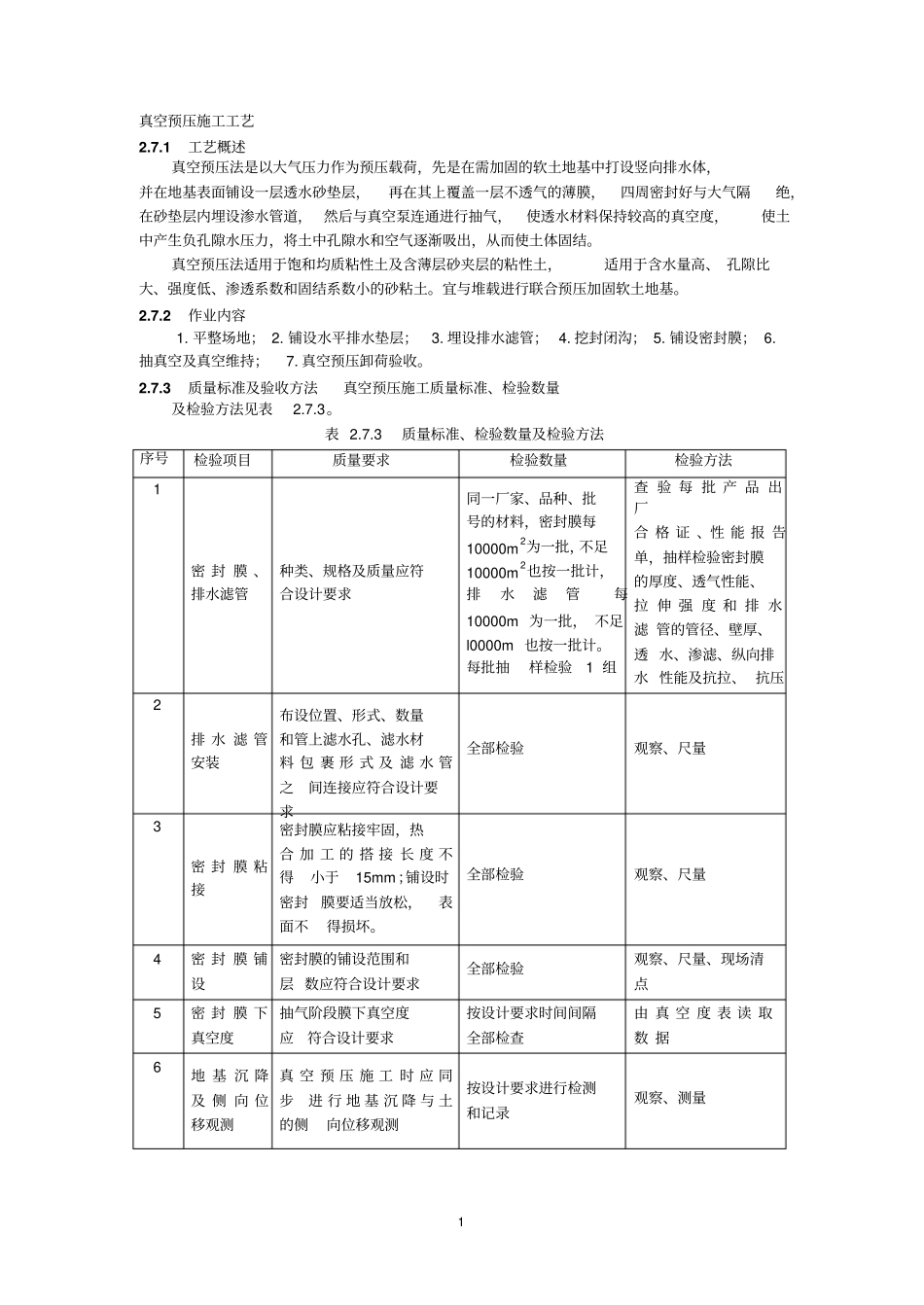
1 真空预压施工工艺2.7.1 工艺概述真空预压法是以大气压力作为预压载荷,先是在需加固的软土地基中打设竖向排水体,并在地基表面铺设一层透水砂垫层,再在其上覆盖一层不透气的薄膜,四周密封好与大气隔绝,在砂垫层内埋设渗水管道, 然后与真空泵连通进行抽气,使透水材料保持较高的真空度,使土中产生负孔隙水压力,将土中孔隙水和空气逐渐吸出,从而使土体固结。真空预压法适用于饱和均质粘性土及含薄层砂夹层的粘性土,适用于含水量高、 孔隙比大、强度低、渗透系数和固结系数小的砂粘土。宜与堆载进行联合预压加固软土地基。2.7.2 作业内容1. 平整场地; 2. 铺设水平排水垫层;3. 埋设排水滤管; 4. 挖封闭沟; 5. 铺设密封膜; 6.抽真空及真空维持;7. 真空预压卸荷验收。2.7.3 质量标准及验收方法真空预压施工质量标准、检验数量及检验方法见表2.7.3。表 2.7.3 质量标准、检验数量及检验方法序号检验项目质量要求检验数量检验方法1密 封 膜 、排水滤管种类、规格及质量应符合设计要求同一厂家、品种、批号的材料,密封膜每10000m2为一批,不足10000m2也按一批计,排水滤管每10000m 为一批, 不足l0000m 也按一批计。每批抽样检验1 组查 验 每 批 产 品 出厂合 格 证 、性 能 报 告单,抽样检验密封膜的厚度、透气性能、拉 伸 强 度 和 排 水滤 管的管径、壁厚、透 水、渗滤、纵向排水 性能及抗拉、 抗压2排 水 滤 管安装布设位置、形式、数量和管上滤水孔、滤水材料 包 裹 形 式 及 滤 水 管之间连接应符合设计要求全部检验观察、尺量3密 封 膜 粘接密封膜应粘接牢固,热合 加 工 的 搭 接 长 度 不得小于15mm ;铺设时密封膜要适当放松,表面不得损坏。全部检验观察、尺量4密 封 膜 铺设密封膜的铺设范围和层 数应符合设计要求全部检验观察、尺量、现场清点5密 封 膜 下真空度抽气阶段膜下真空度应符合设计要求按设计要求时间间隔全部检查由 真 空 度 表 读 取数 据6地 基 沉 降及 侧 向 位移观测真 空 预 压 施 工 时 应 同步进 行 地 基 沉 降 与 土的侧向位移观测按设计要求进行检测和记录观察、测量2 7真空预压卸载时间应 根 据 观 测 资 料 和 工后沉 降 推 算 结 果 , 由建 设单 位 组 织 , 评 估单 位 进行 沉 降 评 估 ,满 足 设 计要求后方能卸载按评估要求分段提供评估资料建 ...

1、当您付费下载文档后,您只拥有了使用权限,并不意味着购买了版权,文档只能用于自身使用,不得用于其他商业用途(如 [转卖]进行直接盈利或[编辑后售卖]进行间接盈利)。
2、本站所有内容均由合作方或网友上传,本站不对文档的完整性、权威性及其观点立场正确性做任何保证或承诺!文档内容仅供研究参考,付费前请自行鉴别。
3、如文档内容存在违规,或者侵犯商业秘密、侵犯著作权等,请点击“违规举报”。

碎片内容

真空预压施工工艺

您可能关注的文档

确认删除?
VIP
微信客服
  • 扫码咨询
会员Q群
  • 会员专属群点击这里加入QQ群
客服邮箱
回到顶部