电脑桌面
添加小米粒文库到电脑桌面
安装后可以在桌面快捷访问

2024年医院污水运营综合方案VIP专享VIP免费

2024年医院污水运营综合方案_第1页
1/15
2024年医院污水运营综合方案_第2页
2/15
2024年医院污水运营综合方案_第3页
3/15
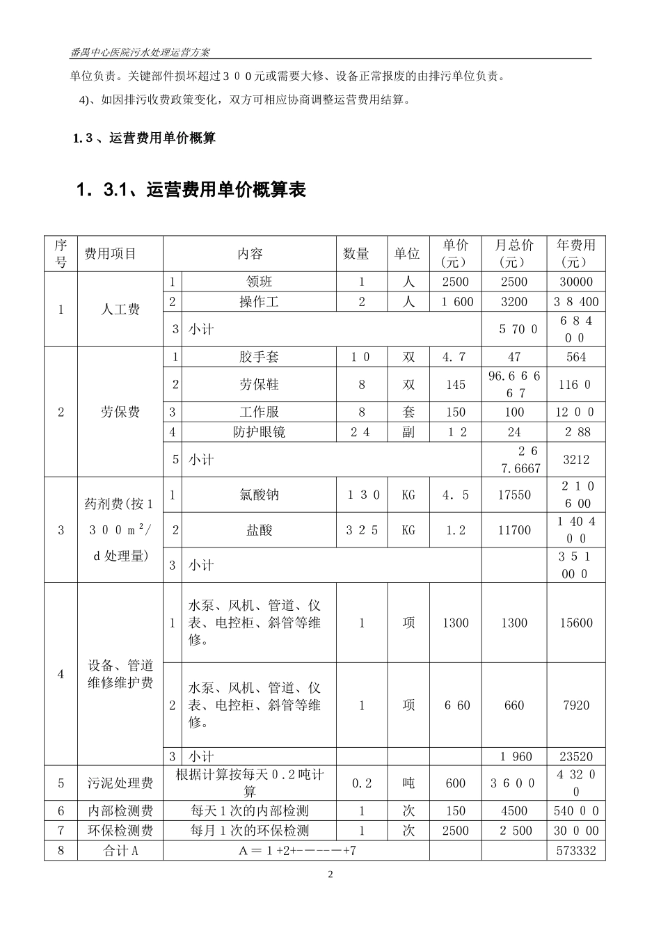
医院污水处理运营方案(1300m3/d)广州市南风环境设施管理有限公司2009年10月28日番禺中心医院污水处理运营方案一、报价文件1.1编制依据1)、《中华人民共和国环境保护法》;《中华人民共和国水污染防治法》;2)、《环境保护设施运营资质认可管理办法》;《广东省排污费征收使用管理办法》;3)、《广东省地方标准水污染物排放标准》(DB44/46-2001);污水处理站所需要的药剂费。4)、《环境监理实用手册》。1.2运营服务内容及报价1.2.1运营承包范围1)、污水处理站设施操作及管理工作。2)、污水处理站的设备日常保养及维护工作。1.2.2运营费用单价本项目污水的污水处理设施运营费用为:固定收费为65726.21元/月,折算收费为1.68元/吨。具体计算方法参见运营费用单价概算表。1.2.3运营费用主要构成1)、污水处理站设施操作人员工资及管理费。2)、污水处理站的设备日常保养及维护费用。3)、污水处理站所需要的药剂费。4)、污水处理站所需要的监测分析费。1.2.4其他约定1)、若污水排放指标超标,由此发生的罚款由运营单位负责;但由于进水水质太差,导致污水处理系统不能处理,而排放指标超标,由此发生的罚款需要排污单位负责。2)、污水处理站所需水、电由排污单位提供。3)、设备在日常保养和维修中单一零备件价格或单一材料价格在300元或300元以下的,由运营1番禺中心医院污水处理运营方案单位负责。关键部件损坏超过300元或需要大修、设备正常报废的由排污单位负责。4)、如因排污收费政策变化,双方可相应协商调整运营费用结算。1.3、运营费用单价概算1.3.1、运营费用单价概算表序号费用项目内容数量单位单价(元)月总价(元)年费用(元)1人工费1领班1人25002500300002操作工2人16003200384003小计5700684002劳保费1胶手套10双4.7475642劳保鞋8双14596.6666711603工作服8套15010012004防护眼镜24副12242885小计267.666732123药剂费(按1300m2/d处理量)1氯酸钠130KG4.5175502106002盐酸325KG1.2117001404003小计3510004设备、管道维修维护费1水泵、风机、管道、仪表、电控柜、斜管等维修。1项13001300156002水泵、风机、管道、仪表、电控柜、斜管等维修。1项66066079203小计1960235205污泥处理费根据计算按每天0.2吨计算0.2吨6003600432006内部检测费每天1次的内部检测1次1504500540007环保检测费每月1次的环保检测1次25002500300008合计AA=1+2+-----+75733322番禺中心医院污水处理运营方案9公司管理费BB=A*3.0%1720010正常收益CC=(A+B)*20%11810611风险抵抗费DD=(A+B+C)*5.0%35431.912税金EE=(A+B+C+D)*6.0%44644.213合计FF=A+B+C+D+E1.685365726.21788714吨月年1.3.2计量收费依据1.3.2.1药剂价格:1.3.2.2污水处理费:由于该污水处理站有医疗废水,故该废水处理费用比较稳定。1.3.2.3医疗废水根据设计方案的进水水质报告及按照改造后的工艺要求,处理医疗废水需要投加二氧化氯(HCl及NaClO3产生二氧化氯)进行消毒处理。根据实际废水浓度及设计参数,经计算及结合我方在医疗废水处理的实际经验,处理1吨医疗废水需要投加:HCl0.25KG,NaClO30.1KG。费用为:HCl0.25KG×1.2元=0.3元,NaClO30.1KG×4.5元=0.45元,小计:C7=HCl0.3元/吨+NaClO30.45元/吨=0.75元/吨。二、运营方案2.1、项目概述为了适应番禺区经济发展和群众保健的需要,番禺区政府拟在番禺中心城区南区建立一个面向全区,可提供全面连续的医疗、护理、预防保健和康复服务的现代化综合医院-番禺中心医院。项目占地面积147042平方米,总建筑面积149731平方米,医院计划安排病床位1200个。为了保护环境,执行环保部门的“三同时”的规定,番禺区中心医院拟建设一污水处理站3番禺中心医院污水处理运营方案对医院产生的污水进行治理达标排放,现特委托广州市南风环境设施管理有限公司对该医院的污水处理站进行运营管理方案,达到预处理标准后排放至前锋污水处理厂市政污水收集管道。2.2、污水处理厂进水水量及水质番禺中心医院污水处理设计能力为1361m3/d。实际处理量为...

1、当您付费下载文档后,您只拥有了使用权限,并不意味着购买了版权,文档只能用于自身使用,不得用于其他商业用途(如 [转卖]进行直接盈利或[编辑后售卖]进行间接盈利)。
2、本站所有内容均由合作方或网友上传,本站不对文档的完整性、权威性及其观点立场正确性做任何保证或承诺!文档内容仅供研究参考,付费前请自行鉴别。
3、如文档内容存在违规,或者侵犯商业秘密、侵犯著作权等,请点击“违规举报”。

碎片内容

2024年医院污水运营综合方案

您可能关注的文档

山水人家+ 关注
实名认证
内容提供者

读万卷书,行万里路。

确认删除?
VIP
微信客服
  • 扫码咨询
会员Q群
  • 会员专属群点击这里加入QQ群
客服邮箱
回到顶部