电脑桌面
添加小米粒文库到电脑桌面
安装后可以在桌面快捷访问

矿用橡套软电缆载流量

矿用橡套软电缆载流量_第1页
1/9
矿用橡套软电缆载流量_第2页
2/9
矿用橡套软电缆载流量_第3页
3/9
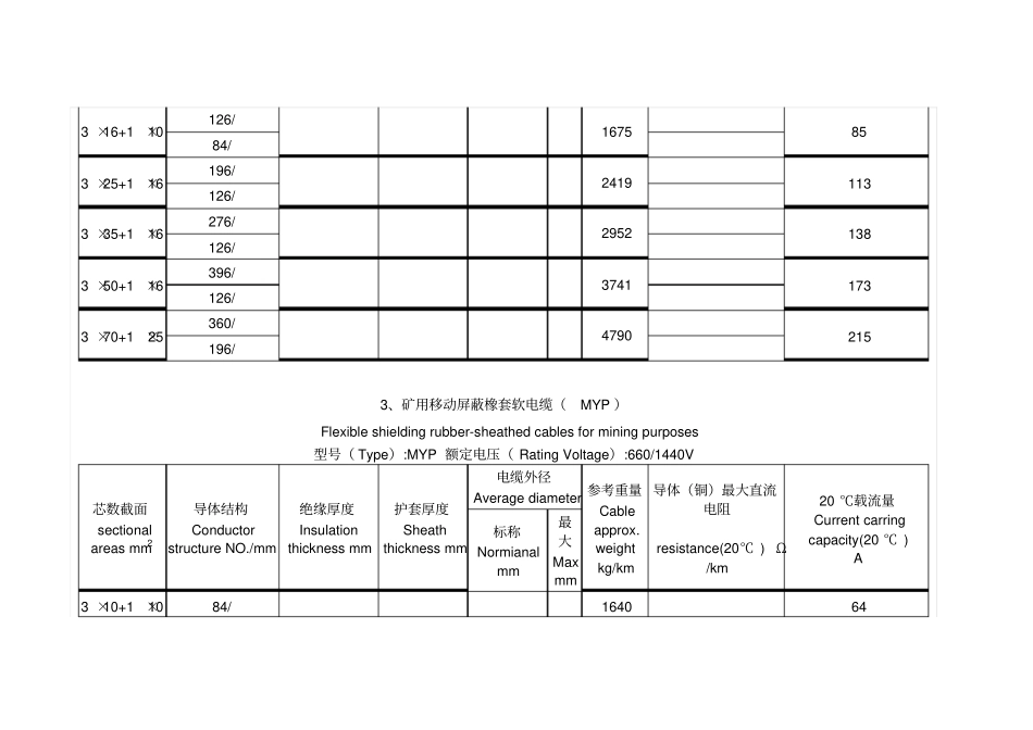
矿用橡套软电缆载流量1 、矿用移动橡套软电缆型号( Type ):MY 额定电压( Rating Voltage): 380/660V芯数截面sectional areas mm2导体结构Conductor structure NO./mm 绝缘厚度Insulation thickness mm护套厚度Sheath thickness mm电缆外径Average diameter参考重量Cable approx. weight kg/km导体(铜)最大直流电阻resistance(20 ℃ ) Ω /km20 ℃载流量Current carring capacity(20 ℃ ) A标称Normianal mm最大Max mm3 × 4+1 × 456/6373556/3 × 6+1 × 684/8564684/3 × 10+1 × 1084/13046484/3 × 16+1 × 10126/15458584/3 × 25+1 × 16196/2269113126/3 × 35+1 × 16276/2786138126/3 × 50+1 × 16396/3554173126/3 × 70+1 × 25360/4587215196/2、矿用移动屏蔽橡套软电缆Flexible shielding rubber-sheathed cables for mining purposes 型号( Type):MYP 额定电压( Rating Voltage):380/660V 芯数截面sectional areas mm2导体结构Conductor structure NO./mm绝缘厚度Insulation thickness mm护套厚度Sheath thickness mm电缆外径Average diameter 参考重量Cable approx. weight kg/km导体(铜)最大直流电阻resistance(20 ℃ ) Ω /km20 ℃载流量Current carring capacity(20 ℃ ) A标称Normianal mm最大Max mm3 × 4+1 × 456/7303556/3 × 6+1 × 684/9594684/3 × 10+1 × 1084/14276484/3 × 16+1 × 10126/16758584/3 × 25+1 × 16196/2419113126/3 × 35+1 × 16276/2952138126/3 × 50+1 × 16396/3741173126/3 × 70+1 × 25360/4790215196/3、矿用移动屏蔽橡套软电缆(MYP )Flexible shielding rubber-sheathed cables for mining purposes 型号( Type):MYP 额定电压( Rating Voltage):660/1440V 芯数截面sectional areas mm2导体结构Conductor structure NO./mm绝缘厚度Insulation thickness mm护套厚度Sheath thickness mm电缆外径Average diameter 参考重量Cable approx. weight kg/km导体(铜)最大直流电阻resistance(20 ℃ ) Ω /km20 ℃载流量Current carring capacity(20 ℃ ) A标称Normianal mm最大Max mm3 × 10+1 × 1084/16406484/3 × 16+1 × 10126/18998584/3 × 25+1 × 16196/2648113126/3 ×...

1、当您付费下载文档后,您只拥有了使用权限,并不意味着购买了版权,文档只能用于自身使用,不得用于其他商业用途(如 [转卖]进行直接盈利或[编辑后售卖]进行间接盈利)。
2、本站所有内容均由合作方或网友上传,本站不对文档的完整性、权威性及其观点立场正确性做任何保证或承诺!文档内容仅供研究参考,付费前请自行鉴别。
3、如文档内容存在违规,或者侵犯商业秘密、侵犯著作权等,请点击“违规举报”。

碎片内容

矿用橡套软电缆载流量

您可能关注的文档

确认删除?
VIP
微信客服
  • 扫码咨询
会员Q群
  • 会员专属群点击这里加入QQ群
客服邮箱
回到顶部