电脑桌面
添加小米粒文库到电脑桌面
安装后可以在桌面快捷访问

硬泡聚氨酯喷涂外墙外保温施工方案12

硬泡聚氨酯喷涂外墙外保温施工方案12_第1页
1/15
硬泡聚氨酯喷涂外墙外保温施工方案12_第2页
2/15
硬泡聚氨酯喷涂外墙外保温施工方案12_第3页
3/15
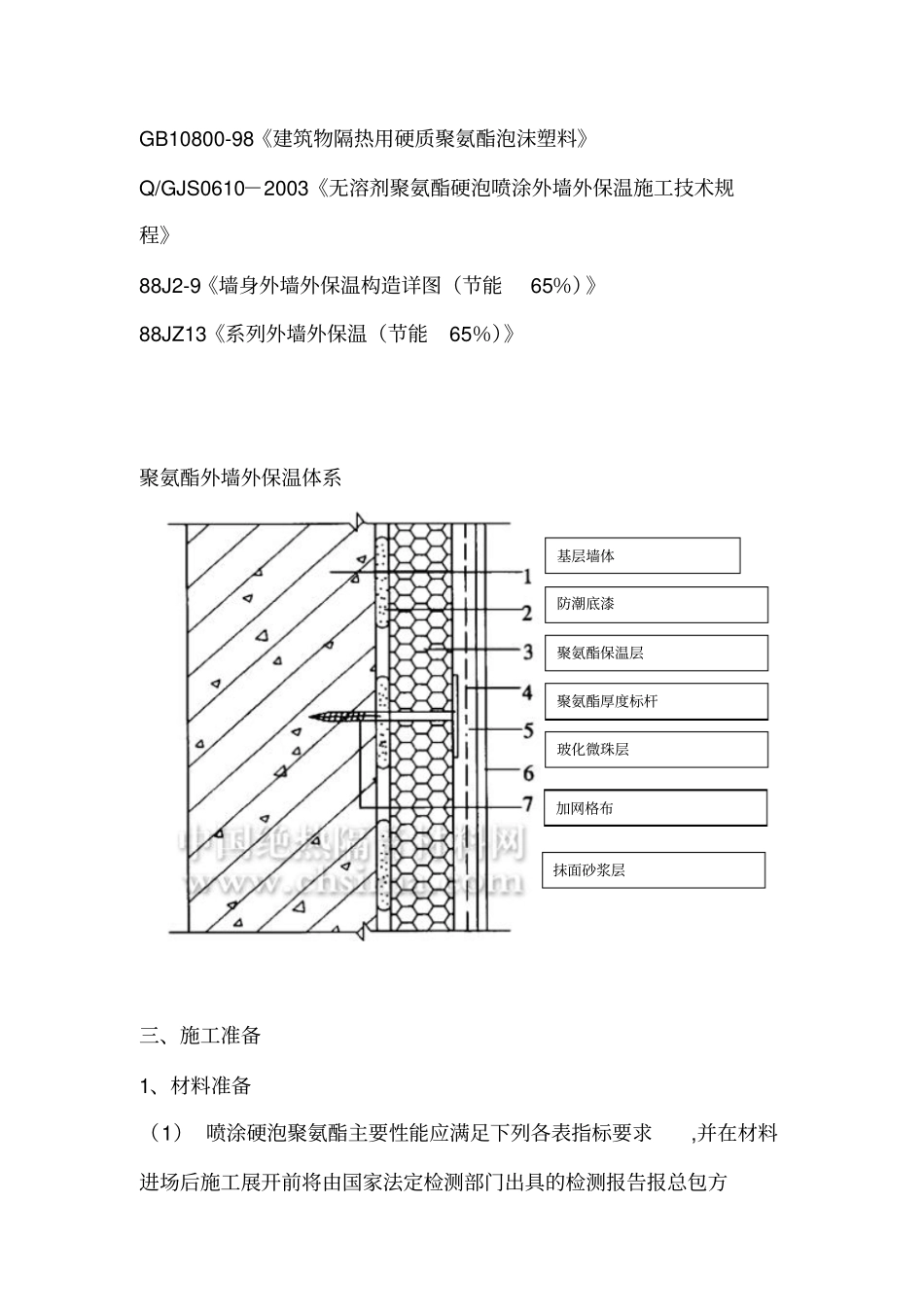
硬泡聚氨酯喷涂外墙外保温施工方案一、范围本方案适用于采用聚氨酯硬泡保温材料组成墙体保温层,外墙外保温保温厚度由设计根据规范计算确定。根据 65%节能要求 , 无溶剂硬质聚氨酯泡沫塑料外墙外保温技术构造由硬泡聚氨酯保温层、 聚氨酯界面处理层组成。 其中保温层采用无溶剂硬质聚氨酯泡沫塑料,具有导热系数低,耐水性能好,绿色环保等特性。聚氨酯 -浆料界面之间采用了专用面处理剂,有效解决了有机与无机材料之间的粘接难题。使体系具有阻燃防火、防老化、抗裂防护性能更稳定等特性。二、编制依据工程设计图纸及说明L06J113《居住建筑保温构造详图》 (节能 65%)GB50176-93《民用建筑热工设计规范》JGJ26-95《民用建筑节能设计标准》 (采暖居住建筑部分)GB50210-2001 《建筑装饰装修工程质量验收规范》GB50300-2001 《建筑工程施工质量验收统一标准》GB50203-2002 《砌体工程施工质量验收规范》GB50204-2002《混凝土结构工程施工质量验收规范》DBJ/T01-50-2002《外墙外保温施工技术规程》02J121-1 《外墙外保温建筑构造》GB10800-98《建筑物隔热用硬质聚氨酯泡沫塑料》Q/GJS0610-2003《无溶剂聚氨酯硬泡喷涂外墙外保温施工技术规程》88J2-9《墙身外墙外保温构造详图(节能65%)》88JZ13《系列外墙外保温(节能65%)》聚氨酯外墙外保温体系三、施工准备1、材料准备(1) 喷涂硬泡聚氨酯主要性能应满足下列各表指标要求,并在材料进场后施工展开前将由国家法定检测部门出具的检测报告报总包方基层墙体防潮底漆聚氨酯保温层聚氨酯厚度标杆玻化微珠层加网格布抹面砂浆层备案 . 应报验材料的品种和性能指标及材料包装规格贮运注意事项如下: A、聚氨酯外保温系统性能指标试验项目性能指标耐候性经 80 次高温(70℃)-淋水( 15℃)循环和 20 次加热(50℃)-冷冻(- 20℃)循环后不得出现开裂、空鼓或脱落。抗裂防护层与保温层的拉伸粘结强度不应小于0.1Mpa,破坏界面应位于保温层。吸水量 g/m2 浸水 1h ≤1000 抗冲击强度C 型普通型(单网)3J 冲击合格加强型(双网)10J冲击合格T 型3J 冲击合格抗风压值不小于工程项目的风荷载设计值耐冻融严寒及寒冷地区30 次循环、夏热动冷地区10 次循环表面无裂纹、空鼓、起泡、剥离现象水蒸气湿流密度g/(m2?h) ≥0.85 不透水性试样防护层内侧无水渗透耐磨损500L 砂无开裂、龟裂或表面保护层剥落、损伤系统拉抗强度(C 型),MPa ≥0.1 并且破坏部位不得...

1、当您付费下载文档后,您只拥有了使用权限,并不意味着购买了版权,文档只能用于自身使用,不得用于其他商业用途(如 [转卖]进行直接盈利或[编辑后售卖]进行间接盈利)。
2、本站所有内容均由合作方或网友上传,本站不对文档的完整性、权威性及其观点立场正确性做任何保证或承诺!文档内容仅供研究参考,付费前请自行鉴别。
3、如文档内容存在违规,或者侵犯商业秘密、侵犯著作权等,请点击“违规举报”。

碎片内容

硬泡聚氨酯喷涂外墙外保温施工方案12

确认删除?
VIP
微信客服
  • 扫码咨询
会员Q群
  • 会员专属群点击这里加入QQ群
客服邮箱
回到顶部