电脑桌面
添加小米粒文库到电脑桌面
安装后可以在桌面快捷访问

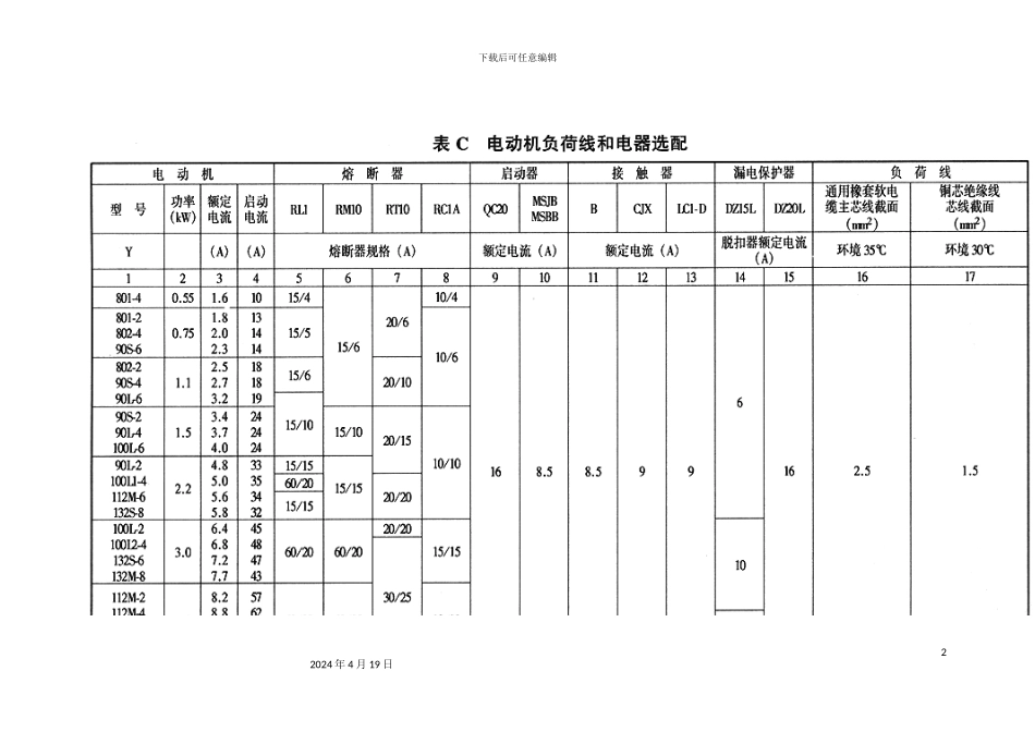
重点的附录临电安全技术规范附录电动机负荷线和电器选配

重点的附录临电安全技术规范附录电动机负荷线和电器选配_第1页
1/4
重点的附录临电安全技术规范附录电动机负荷线和电器选配_第2页
2/4
重点的附录临电安全技术规范附录电动机负荷线和电器选配_第3页
3/4
下载后可任意编辑重点的附录临电安全技术法律规范附录电动机负荷线和电器选配12024 年 4 月 19 日下载后可任意编辑22024 年 4 月 19 日下载后可任意编辑32024 年 4 月 19 日下载后可任意编辑42024 年 4 月 19 日

1、当您付费下载文档后,您只拥有了使用权限,并不意味着购买了版权,文档只能用于自身使用,不得用于其他商业用途(如 [转卖]进行直接盈利或[编辑后售卖]进行间接盈利)。
2、本站所有内容均由合作方或网友上传,本站不对文档的完整性、权威性及其观点立场正确性做任何保证或承诺!文档内容仅供研究参考,付费前请自行鉴别。
3、如文档内容存在违规,或者侵犯商业秘密、侵犯著作权等,请点击“违规举报”。

碎片内容

重点的附录临电安全技术规范附录电动机负荷线和电器选配

确认删除?
VIP
微信客服
  • 扫码咨询
会员Q群
  • 会员专属群点击这里加入QQ群
客服邮箱
回到顶部