电脑桌面
添加小米粒文库到电脑桌面
安装后可以在桌面快捷访问

钻孔检验批质量验收记录表样表

钻孔检验批质量验收记录表样表_第1页
1/8
钻孔检验批质量验收记录表样表_第2页
2/8
钻孔检验批质量验收记录表样表_第3页
3/8
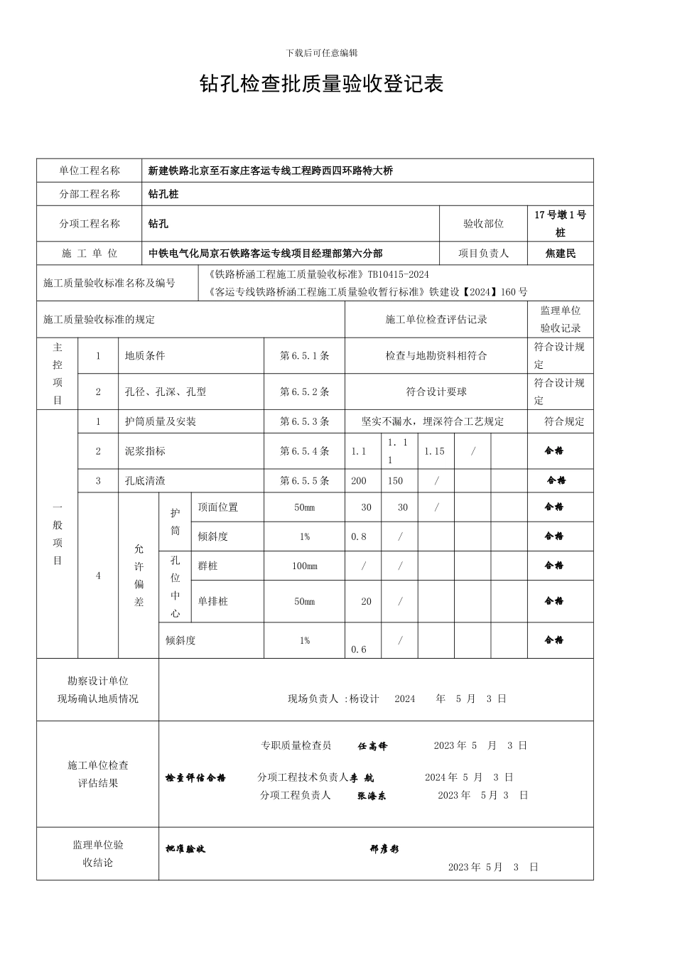
下载后可任意编辑钻孔检查批质量验收登记表单位工程名称新建铁路北京至石家庄客运专线工程跨西四环路特大桥分部工程名称钻孔桩分项工程名称钻孔验收部位17 号墩 1 号桩施 工 单 位中铁电气化局京石铁路客运专线项目经理部第六分部项目负责人焦建民施工质量验收标准名称及编号《铁路桥涵工程施工质量验收标准》TB10415-2024《客运专线铁路桥涵工程施工质量验收暂行标准》铁建设【2024】160 号施工质量验收标准的规定施工单位检查评估记录监理单位验收记录主控项目1地质条件第 6.5.1 条检查与地勘资料相符合 符合设计规定2孔径、孔深、孔型第 6.5.2 条符合设计要球 符合设计规定一般项目1护筒质量及安装第 6.5.3 条 坚实不漏水,埋深符合工艺规定 符合规定2泥浆指标第 6.5.4 条1.11.111.15 / 合格3孔底清渣第 6.5.5 条200150 / 合格4允许偏差护筒顶面位置50mm 30 30 / 合格倾斜度1%0.8 / 合格孔位中心群桩100mm / / 合格单排桩50mm 20 / 合格倾斜度1% 0.6 / 合格勘察设计单位现场确认地质情况 现场负责人 :杨设计 2024 年 5 月 3 日施工单位检查评估结果 专职质量检查员 任高锋 2023 年 5 月 3 日检查评估合格 分项工程技术负责人李 航 2024 年 5 月 3 日 分项工程负责人 张海东 2023 年 5 月 3 日监理单位验收结论批准验收 邢彦彩 2023 年 5 月 3 日下载后可任意编辑京 石 铁 路 客 运 专 线挖孔检查批质量验收登记表单位工程名称新建铁路北京至石家庄客运专线工程跨西四环路特大桥分部工程名称挖孔桩分项工程名称挖孔验收部位17 号墩 1 号桩桩施工单位中铁电气化局京石铁路客运专线项目经理部第六分部项目负责人焦建民施工质量验收标准名称及编号《铁路桥涵工程施工质量验收标准》TB10415-2024施 工 质 量 验 收 标 准 的 规 定施工单位检查平定记录监理单位验收记录主控项目1开挖顺序和防护措施第 6.5.7 条开挖顺序和防护措施符合工艺规定。符合规定。2地址情况第 6.5.8 条地址情况与勘测相符。符合规定。3孔底质量和孔径、孔深、孔型第 6.5.9 条孔底质量和孔径、孔深、孔型符合设计规定符合规定。一般项目1允许偏差孔位中心50mm35/ 合格2倾斜度0.5%0.3%/ 勘察设计单位现场确认地质情况 经检查施工过程记录,该孔的地质情况与勘察资料相符 现场负责人 杨设计 2023 年 5 月 3 日施工单位检查评估结果检查评估合格 专职质...

1、当您付费下载文档后,您只拥有了使用权限,并不意味着购买了版权,文档只能用于自身使用,不得用于其他商业用途(如 [转卖]进行直接盈利或[编辑后售卖]进行间接盈利)。
2、本站所有内容均由合作方或网友上传,本站不对文档的完整性、权威性及其观点立场正确性做任何保证或承诺!文档内容仅供研究参考,付费前请自行鉴别。
3、如文档内容存在违规,或者侵犯商业秘密、侵犯著作权等,请点击“违规举报”。

碎片内容

钻孔检验批质量验收记录表样表

您可能关注的文档

一二三四传媒+ 关注
实名认证
内容提供者

大量资料供您选择,没有合适的可以联系小二。

确认删除?
VIP
微信客服
  • 扫码咨询
会员Q群
  • 会员专属群点击这里加入QQ群
客服邮箱
回到顶部