电脑桌面
添加小米粒文库到电脑桌面
安装后可以在桌面快捷访问

锁口圈梁技术交底

锁口圈梁技术交底_第1页
1/7
锁口圈梁技术交底_第2页
2/7
锁口圈梁技术交底_第3页
3/7
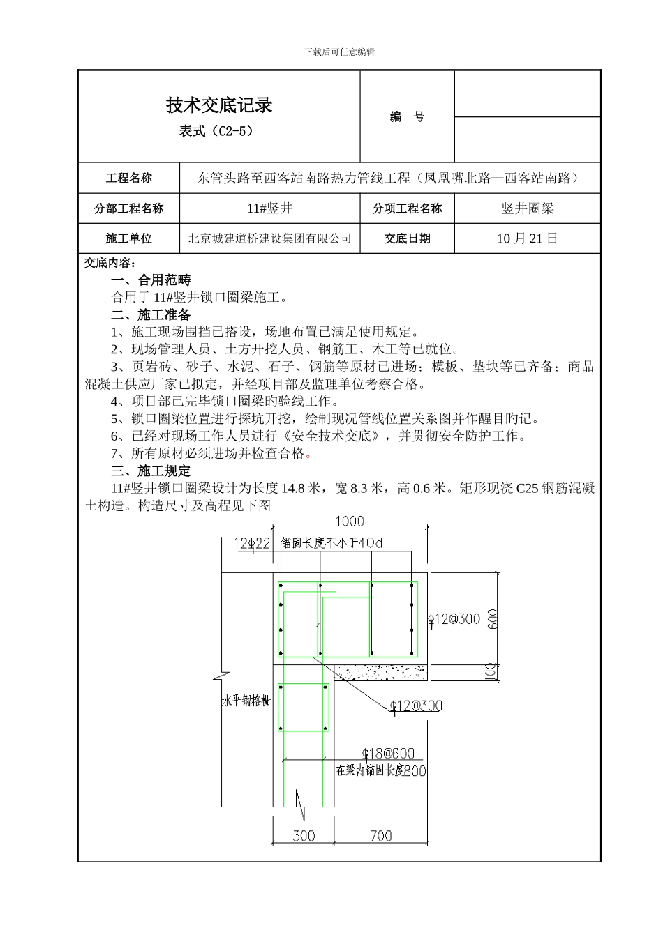
下载后可任意编辑技术交底记录表式(C2-5)编 号工程名称东管头路至西客站南路热力管线工程(凤凰嘴北路—西客站南路)分部工程名称11#竖井分项工程名称竖井圈梁施工单位北京城建道桥建设集团有限公司交底日期10 月 21 日交底内容:一、合用范畴合用于 11#竖井锁口圈梁施工。二、施工准备1、施工现场围挡已搭设,场地布置已满足使用规定。2、现场管理人员、土方开挖人员、钢筋工、木工等已就位。3、页岩砖、砂子、水泥、石子、钢筋等原材已进场;模板、垫块等已齐备;商品混凝土供应厂家已拟定,并经项目部及监理单位考察合格。4、项目部已完毕锁口圈梁旳验线工作。5、锁口圈梁位置进行探坑开挖,绘制现况管线位置关系图并作醒目旳记。6、已经对现场工作人员进行《安全技术交底》,并贯彻安全防护工作。7、所有原材必须进场并检查合格。三、施工规定11#竖井锁口圈梁设计为长度 14.8 米,宽 8.3 米,高 0.6 米。矩形现浇 C25 钢筋混凝土构造。构造尺寸及高程见下图下载后可任意编辑技术交底记录表式(C2-5)编 号工程名称东管头路至西客站南路热力管线工程(凤凰嘴北路—西客站南路)分部工程名称11#竖井分项工程名称竖井圈梁施工单位北京城建道桥建设集团有限公司交底日期10 月 21 日审 核 人交 底 人接 受 交 底 人本表由施工单位填写。下载后可任意编辑技术交底记录表式(C2-5)编 号工程名称东管头路至西客站南路热力管线工程(凤凰嘴北路—西客站南路)分部工程名称11#竖井分项工程名称竖井圈梁施工单位北京城建道桥建设集团有限公司交底日期10 月 21 日交底内容:锁口圈梁施工流程为:测量放线——物探检测——挖探沟——沟槽开挖——锁口圈垫层——绑扎锁口圈梁钢筋——预插初衬竖向钢筋——预埋竖井井架及梯道预埋铁件——锁口圈梁模板支设——浇筑锁口圈梁混凝土――养护――拆模。1、土方开挖1)土方开挖前应先测量放线、测设高程;2)锁口圈开挖范畴进行物探检测,确认无管线方可开始进行开挖,开挖方式为人工开挖;3)探沟为“十”字开挖,探沟深度为 2m,沟宽 0.5m。2、锁口圈垫层1)圈梁垫层混凝土为:C15 混凝土,10cm 厚,垫层应坐落在原状土上;2)采纳商品混凝土,混凝土垫层表面应平整,不得有石子外露;3)垫层混凝土达成至少 5Mpa 后方能进行下步作业;4)混凝土垫层允许偏差。序号项目允许偏差(mm)1中心线每侧宽度不不不小于设计规定2高程0 -15审 核 人交 底 人接 受 交 底 人...

1、当您付费下载文档后,您只拥有了使用权限,并不意味着购买了版权,文档只能用于自身使用,不得用于其他商业用途(如 [转卖]进行直接盈利或[编辑后售卖]进行间接盈利)。
2、本站所有内容均由合作方或网友上传,本站不对文档的完整性、权威性及其观点立场正确性做任何保证或承诺!文档内容仅供研究参考,付费前请自行鉴别。
3、如文档内容存在违规,或者侵犯商业秘密、侵犯著作权等,请点击“违规举报”。

碎片内容

锁口圈梁技术交底

一帆文传+ 关注
实名认证
内容提供者

欢迎光临店铺,各类公文供您挑选。

确认删除?
VIP
微信客服
  • 扫码咨询
会员Q群
  • 会员专属群点击这里加入QQ群
客服邮箱
回到顶部