电脑桌面
添加小米粒文库到电脑桌面
安装后可以在桌面快捷访问

防爆特殊型蓄电池电机车技术要求格式样本

防爆特殊型蓄电池电机车技术要求格式样本_第1页
1/4
防爆特殊型蓄电池电机车技术要求格式样本_第2页
2/4
防爆特殊型蓄电池电机车技术要求格式样本_第3页
3/4
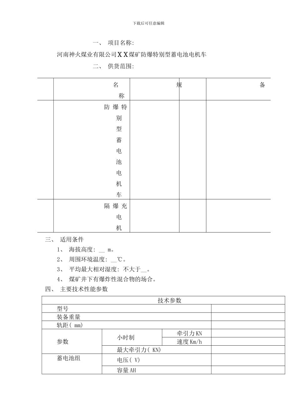
下载后可任意编辑ⅩⅩ 煤矿防爆特别型蓄电池电机车技术要求ⅩⅩ 煤矿防爆特别型蓄电池电机车技术要求河南神火煤业有限公司ⅩⅩⅩⅩ 矿200Ⅹ-ⅩⅩ-ⅩⅩ根据我矿( 厂) ⅩⅩⅩ 要求, 需购置防爆特别型蓄电池电机车, 为满足现场需求, 确保防爆特别型蓄电池电机车的质量及按期交货, 提出如下技术要求: 下载后可任意编辑一、 项目名称: 河南神火煤业有限公司ⅩⅩ煤矿防爆特别型蓄电池电机车二、 供货范围: 三、 适用条件1、 海拔高度: __ m。2、 周围环境温度: __℃。3、 平均最大相对湿度: 不大于__。4、 煤矿井下有爆炸性混合物的场合。四、 主要技术性能参数技术参数型号装备重量轨距( mm) 参数小时制牵引力 KN速度 Km/h最大牵引力( KN)蓄电池组电压( V)容量 AH名 称规备 防 爆 特别型蓄电池电机车隔 爆 充电机下载后可任意编辑牵引电机 功率×台数( KW×台) 机车外形及主要尺寸( mm) 总长总宽轨面至顶棚高牵引高度轴距轮距最小曲线半径调速方式制动方式备注 五、 主要部件说明六、 技术及制造加工要求1、 防爆特别型蓄电池电机车必须根据《煤矿安全规程》及 MT491-1995《煤矿防爆蓄电池电机车通用技术条件》生产。2、 每台防爆特别型蓄电池电机车配备充电电瓶__组。 3、 警铃使用电动或气动警铃。4、 电机车整机结构要合理, 防爆性能可靠, 启动平滑, 降低耗能, 结构简单, 易于检修。5、 机车的牵引电机、 电器、 灯具、 蓄电池组等均要采纳矿用防爆型电器。6、 每台电机车要配备蓄电池监控仪, 插销连接器采纳整体型, 照明电阻安装位置不应阻碍插销连接器的使用。7、 撒沙装置出口必须正对轨道面。序号名称参考型号或规格数量材质或厂家( 煤安标志) 1牵引电动机2调速装置3蓄电池容量监控仪4插销连接器5照明灯6电源装置7主令开关8隔爆型电阻箱9信号灯下载后可任意编辑8、 厂家供货时提供安全标志、 产品合格证、 产品说明书、 各种技术图纸等相关资料及技术文件全套资料__套。9、 整机质保期_年, 在质保期内出现质量问题, 厂家负责免费维修或更换。七、 乙方向甲方提供相关技术资料、 安装图纸, 并负责技术培训及现场指导安装调试, 由甲方确定培训时间的长短。八、 因产品质量问题或交货期拖延, 技术性能达不到要求, 影响甲方生产或造成事故, 责任损失有乙方承担。九、 乙方提供的设备必须与相关的设备配套, 否则, 出现任何问题由乙方承担责任。十、 备注: 推...

1、当您付费下载文档后,您只拥有了使用权限,并不意味着购买了版权,文档只能用于自身使用,不得用于其他商业用途(如 [转卖]进行直接盈利或[编辑后售卖]进行间接盈利)。
2、本站所有内容均由合作方或网友上传,本站不对文档的完整性、权威性及其观点立场正确性做任何保证或承诺!文档内容仅供研究参考,付费前请自行鉴别。
3、如文档内容存在违规,或者侵犯商业秘密、侵犯著作权等,请点击“违规举报”。

碎片内容

防爆特殊型蓄电池电机车技术要求格式样本

您可能关注的文档

确认删除?
VIP
微信客服
  • 扫码咨询
会员Q群
  • 会员专属群点击这里加入QQ群
客服邮箱
回到顶部