电脑桌面
添加小米粒文库到电脑桌面
安装后可以在桌面快捷访问

剪力墙结构混凝土工程施工方案VIP免费

剪力墙结构混凝土工程施工方案_第1页
1/26
剪力墙结构混凝土工程施工方案_第2页
2/26
剪力墙结构混凝土工程施工方案_第3页
3/26
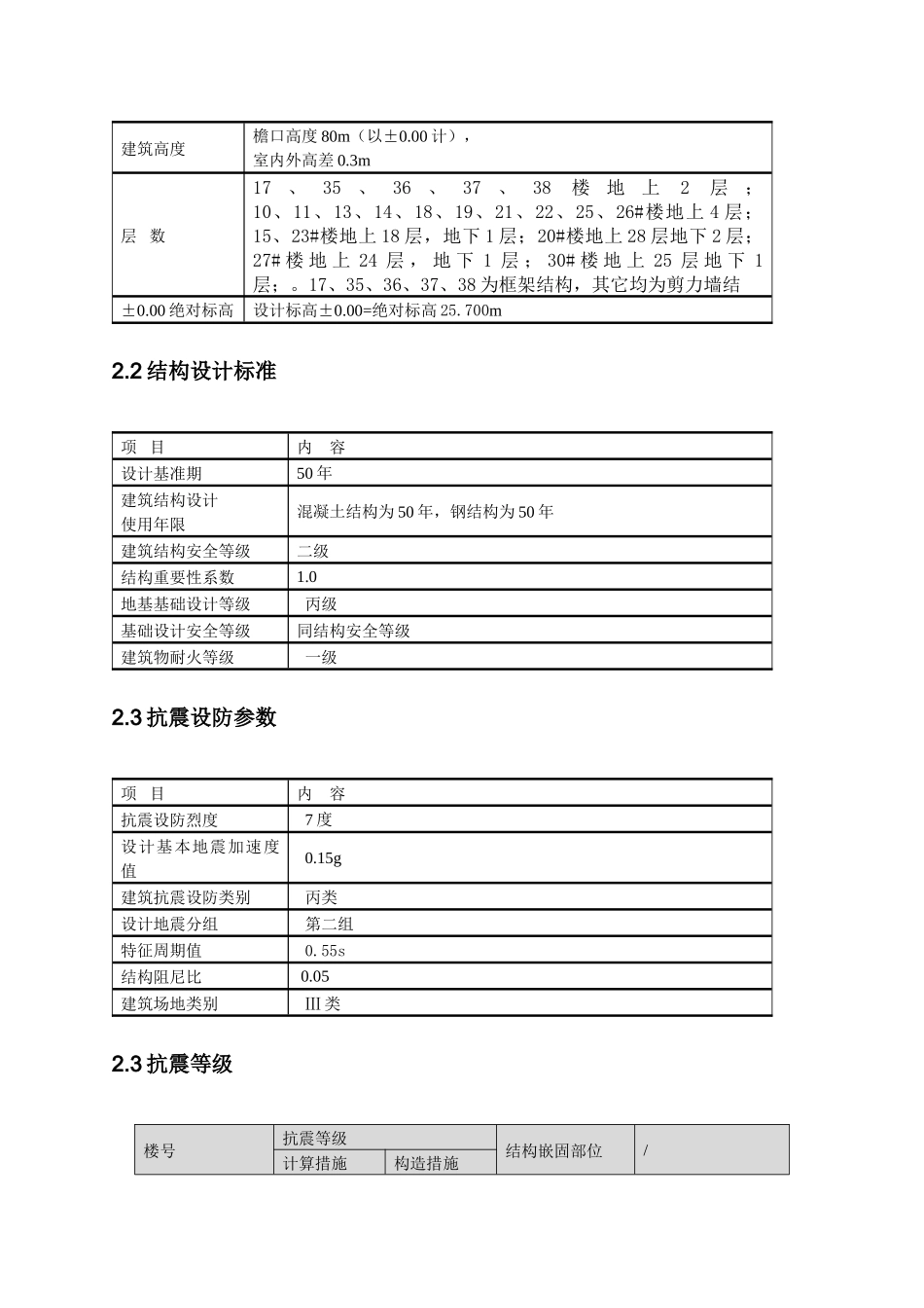
孔雀新城2.6期御景园、文景园工程混凝土施工方案目录一、编制依据........................................................2二、工程概况........................................................2三、施工部署.......................................................53.1总体部署:...................................................53.2流水段划分...................................................5四、施工准备........................................................54.1劳动力准备...................................................54.2混凝土施工...................................................54.2.1商品混凝土的选择...........................................64.2.2商品混凝土技术参数确定.....................................64.2.3现场与机具准备.............................................74.2.4现场作业条件...............................................7五、混凝土工程施工方法..............................................85.1总原则.......................................................85.2工艺流程.....................................................95.3.混凝土工程施工...............................................95.4主体结构墙、梁、板砼的施工..................................115.5后浇带混凝土施工............................................165.6施工缝的留置与处理..........................................17六、质量保证措施..................................................................................................176.1、地下消防水池砼裂缝控制.......................................................................176.2、砼原材料与砼品质的控制措施...............................................................186.3、底板砼施工及大面积楼面裂缝控制.........................................................186.4、现浇钢筋混凝土楼板质量控制...............................................................196.5、楼板的质量控制.........................................................................................206.6、现浇钢筋混凝土楼板的裂缝控制...........................................................20七、成品保护.............................................24八、应注意的质量问题.....................................25九、质量保证措施.........................................25十、安全措施.............................................27孔雀新城2.6期御景园、文景园混凝土施工方案一、编制依据孔雀新城2.6期御景园、文景园工程招标文件廊坊轩辕建筑设计有限公司设计的“孔雀新城2.6期御景园、文景园”设计图纸施工现场情况工程建设标准强制性条文(房屋建筑部分)序号规范、规程、标准名称编号类别1《建筑工程施工质量验收统一标准》GB50300-20132《建筑工程技术资料管理规程》DB13J35-20023《混凝土外加剂应用技术规范》GB50119-2003国家标准4《建筑结构荷载规范》GB50009-2012国家标准5《预防混凝土碱集料反应技术管理规定》JGJ/T10-956《商品混凝土质量管理规程》GB50011-2010国家标准7《混凝土结构耐久性设计规范》GB/T50476-2008国家标准8《建筑地基基础设计规范》GB50007-2011国家标准9《建筑地基处理技术规范》JGJ79-2012国家行业标准10《地下工程防水技术规范》GB50108-2008国家标准11《混凝土结构工程施工质量验收规范》GB50204-2011国家行业标准12《自密实混凝土应用技术规程》JGJ/T28313《混凝土泵送施工技术规程》JGJ/T10二、工程概况2.1建筑概况项目内容工程名称孔雀新城2.6期御景园建设地点河北省固安县锦绣大道北侧,永盛路东侧建筑面积总建筑面积约105446m2主要建筑功能住宅、别墅建筑高度檐口高度80m(以±0.00计),室内外高差0.3m层数17、35、36、37、38楼地上2层;10、11、13、14...

1、当您付费下载文档后,您只拥有了使用权限,并不意味着购买了版权,文档只能用于自身使用,不得用于其他商业用途(如 [转卖]进行直接盈利或[编辑后售卖]进行间接盈利)。
2、本站所有内容均由合作方或网友上传,本站不对文档的完整性、权威性及其观点立场正确性做任何保证或承诺!文档内容仅供研究参考,付费前请自行鉴别。
3、如文档内容存在违规,或者侵犯商业秘密、侵犯著作权等,请点击“违规举报”。

碎片内容

剪力墙结构混凝土工程施工方案

确认删除?
VIP
微信客服
  • 扫码咨询
会员Q群
  • 会员专属群点击这里加入QQ群
客服邮箱
回到顶部