电脑桌面
添加小米粒文库到电脑桌面
安装后可以在桌面快捷访问

顺义商业楼外保温施工方案

顺义商业楼外保温施工方案_第1页
1/9
顺义商业楼外保温施工方案_第2页
2/9
顺义商业楼外保温施工方案_第3页
3/9
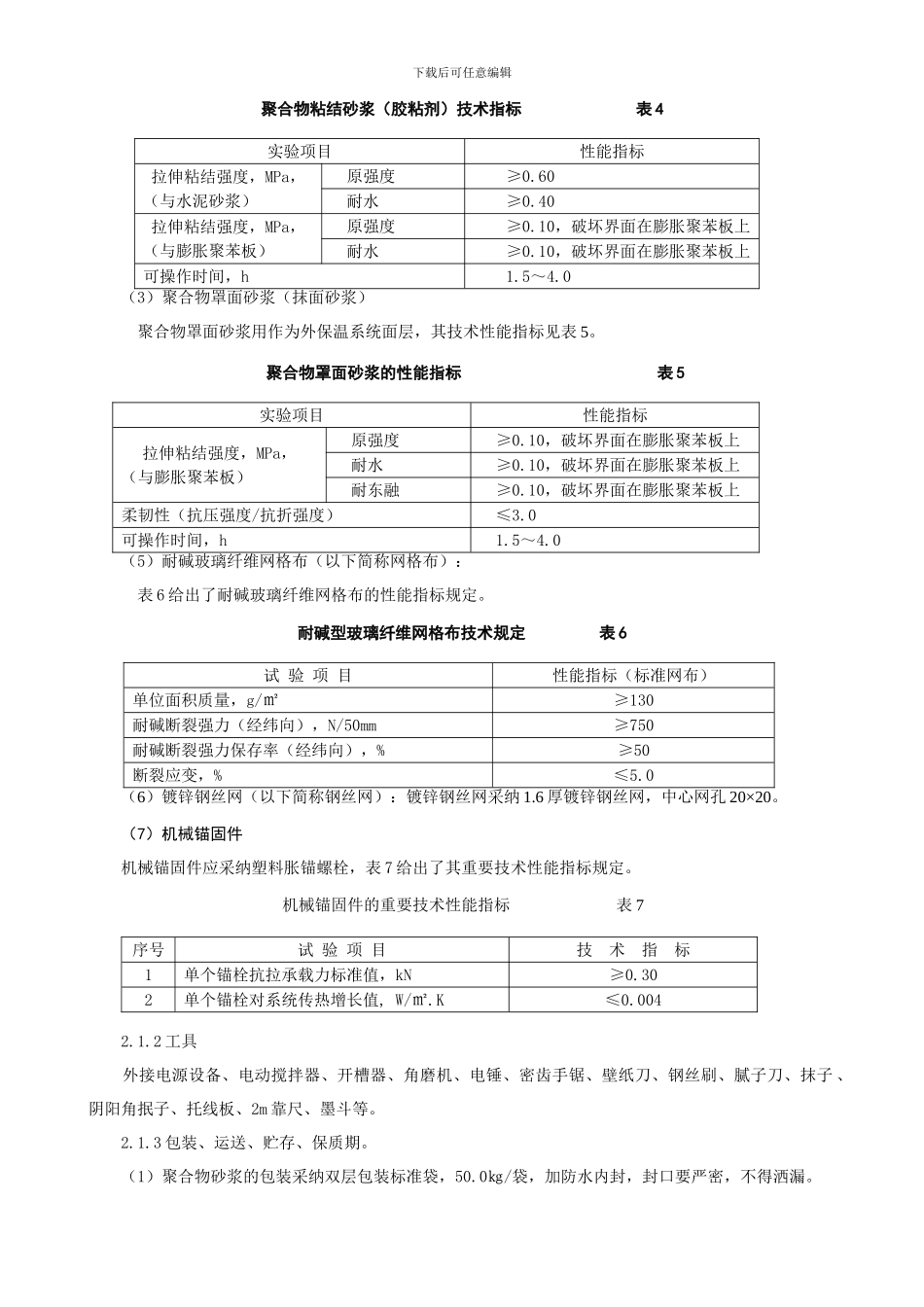
外贴挤塑聚苯板外墙外保温系统施工技术方案1.总则1.1 合用范围:本技术规程合用于寒冷和严寒地区采暖的新建、扩建的居住建筑(涉及住宅、集体宿舍、招待所、旅馆、托幼、病房楼等)的外墙外保温的施工和验收,建筑高度一般在 100 米以内。1.2 重要内容:本规程分别介绍了 WT-X1 外贴挤塑聚苯板外墙外保温系统的基本构造、保温性能、施工方法和节点大样,以作为设计和施工的参考依据。1.3 编制依据1.3.1 DBJ01-602-2024《民用建筑节能设计标准》 1.3.2 建筑构造通用图集 88J2-9《墙身—外墙外保温》和建筑构造专项图集 88JZ2《挤塑聚苯板保温构造》。1.3.3 JG 149-2024《挤塑板薄抹灰外墙外保温系统》。1.3.4 JGJ144—2024《外墙外保温技术规程》。1.3.5 施工图纸。 1.4 WTX 型外墙外保温基本构造见表 a。2.施工准备2.1 材料及工具2.1.1 材料(1)挤塑聚苯板(以下简称挤塑板):作为外墙外保温系统的保温芯材,其性能指标除应符合表1、表 2 的规定,其厚度根据设计拟定选用 50㎜。挤塑聚苯板技术指标 表 1项 目指 标项 目指 标表观密度,㎏/m3≥28.0导热系数(250C),W/m.k≤0.030压缩强度,MPa≥0.25吸水率,%(浸水 96h)≤1.5挤塑聚苯板的允许偏差 表 2项 目允许偏差项 目允许偏差厚度,㎜不大于 50±1.5宽度,㎜±1.5大于 50±2.0对角线差,㎜±3.0长度,㎜900±1.5板边平直,㎜±2.01200±2.0板面平整度,㎜±1.0(2)聚合物粘结砂浆(胶粘剂)聚合物粘结砂浆作为挤塑板与墙基面的胶粘剂。 其技术性能指标见表 4。下载后可任意编辑聚合物粘结砂浆(胶粘剂)技术指标 表 4实验项目性能指标拉伸粘结强度,MPa,(与水泥砂浆)原强度≥0.60耐水≥0.40拉伸粘结强度,MPa,(与膨胀聚苯板)原强度≥0.10,破坏界面在膨胀聚苯板上耐水≥0.10,破坏界面在膨胀聚苯板上可操作时间,h1.5~4.0(3)聚合物罩面砂浆(抹面砂浆)聚合物罩面砂浆用作为外保温系统面层,其技术性能指标见表 5。聚合物罩面砂浆的性能指标 表 5实验项目性能指标拉伸粘结强度,MPa,(与膨胀聚苯板)原强度≥0.10,破坏界面在膨胀聚苯板上耐水≥0.10,破坏界面在膨胀聚苯板上耐东融≥0.10,破坏界面在膨胀聚苯板上柔韧性(抗压强度/抗折强度)≤3.0可操作时间,h1.5~4.0(5)耐碱玻璃纤维网格布(以下简称网格布): 表 6 给出了耐碱玻璃纤维网格布的性能指标规定。耐碱型玻璃纤维网格布技术规定 表 6试 验 项 目性能指...

1、当您付费下载文档后,您只拥有了使用权限,并不意味着购买了版权,文档只能用于自身使用,不得用于其他商业用途(如 [转卖]进行直接盈利或[编辑后售卖]进行间接盈利)。
2、本站所有内容均由合作方或网友上传,本站不对文档的完整性、权威性及其观点立场正确性做任何保证或承诺!文档内容仅供研究参考,付费前请自行鉴别。
3、如文档内容存在违规,或者侵犯商业秘密、侵犯著作权等,请点击“违规举报”。

碎片内容

顺义商业楼外保温施工方案

您可能关注的文档

确认删除?
VIP
微信客服
  • 扫码咨询
会员Q群
  • 会员专属群点击这里加入QQ群
客服邮箱
回到顶部