电脑桌面
添加小米粒文库到电脑桌面
安装后可以在桌面快捷访问

预制装配式变电站施工方案

预制装配式变电站施工方案_第1页
1/23
预制装配式变电站施工方案_第2页
2/23
预制装配式变电站施工方案_第3页
3/23
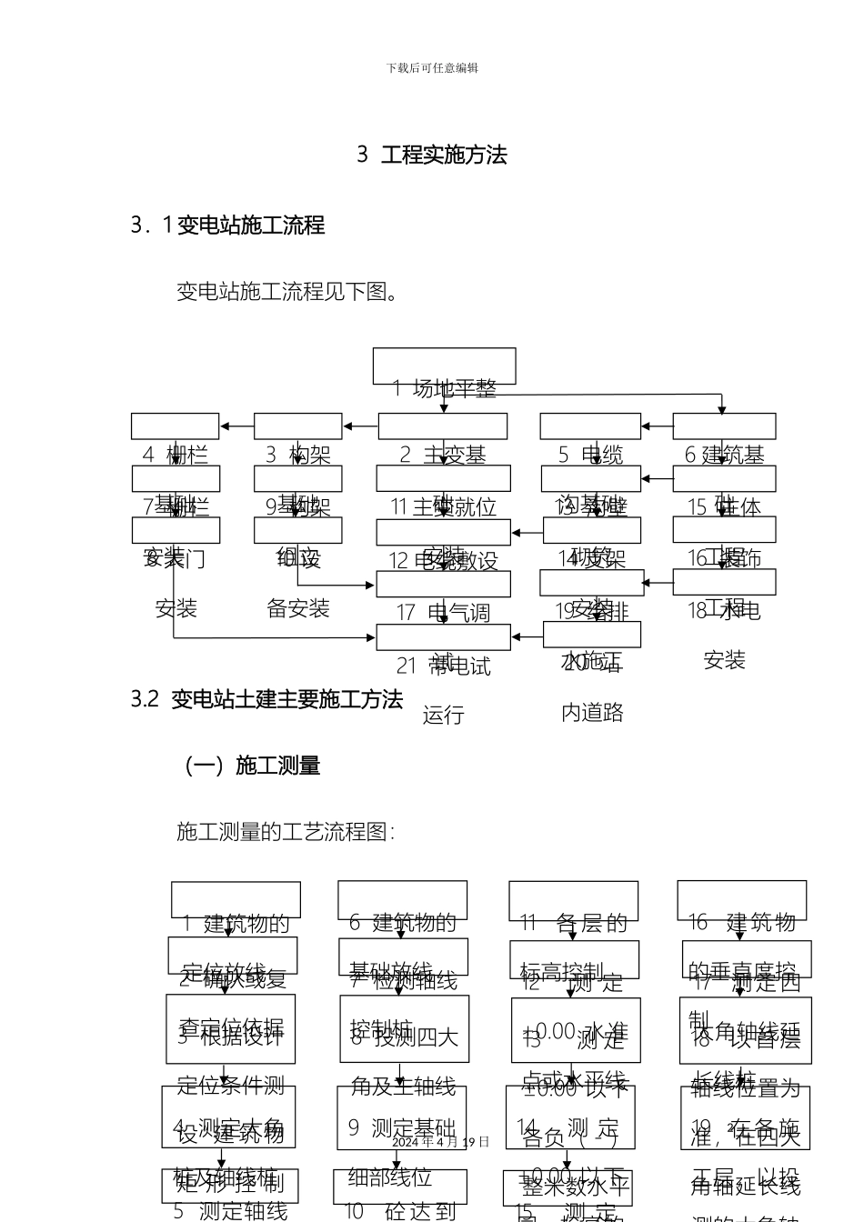
下载后可任意编辑预制装配式变电站施工方案12024 年 4 月 19 日下载后可任意编辑3 工程实施方法3.1 变电站施工流程变电站施工流程见下图。3.2 变电站土建主要施工方法(一)施工测量施工测量的工艺流程图:22024 年 4 月 19 日7 栅栏安装4 栅栏基础14 支架安装8 大门安装13 沟壁砌筑5 电缆沟基础10 设备安装12 电缆敷设16 装饰工程15 主体工程19 给排水施工17 电气调试9 构架组立18 水电安装3 构架基础6 建筑基础21 带电试运行11 主变就位安装20 站内道路2 主变基础1 场地平整9 测定基础细部线位4 测定大角桩及轴线桩14 测 定±0.00 以下同一标高的水平线19 在 各 施工层,以投测的大角轴线,测定其它轴线5 测定轴线控制桩10 砼 达 到规定强度15 测 定±0.00 以 上各起始标高线1 建筑物的定位放线11 各 层 的标高控制6 建筑物的基础放线2 确认或复查定位依据7 检测轴线控制桩12 测 定±0.00 水准点或水平线17 测 定 四大角轴线延长线桩3 根据设计定位条件测设 “ 建 筑 物矩 形 控 制图”8 投测四大角及主轴线13 测 定±0.00 以下各负( - )整米数水平线18 以 首 层轴线位置为准,在四大角轴延长线上向上逐层投测16 建 筑 物的垂直度控制下载后可任意编辑32024 年 4 月 19 日下载后可任意编辑(二)场平工程场地平整施工程序框图:(三)预制装配式构件施工方法:本工程拟采纳的预制装配结构是以预制构件为主要构件,经装配、连接而成的混凝土结构,是一项新兴的绿色环保节能型建筑结构。1.工艺流程本工程预制构件制作采纳工厂化流水生产,各种预制构件全部采纳定型模具。预制构件加工完毕后,运输至施工现场,结合42024 年 4 月 19 日8 边坡修整9 边坡验收13 场平验收11 浆砌石护坡12 完工资料整理4 土石方开挖5 边坡修整6 边坡验收10 废料弃除2 测量放线1 施工准备3 植被清理7 土方回填下载后可任意编辑钢结构安装知识,进行组装。2.预制构件的运输由于城市高架、桥梁道路的限制,建筑预制构件体形高大异犁、重心不一,一般运输车辆不适宜装载,因此需要进行改装,降低车辆装载重心高度并设置车辆运输稳定专用固定支架。 预制构件运输图3.预制构件的堆放 施工现场须设计专用搁置堆放架后才能起用吊装。4.现场塔机布置 塔吊数量需根据构件数量进行确定(结构构件数量一定,塔吊52024 年 4 月 19 日下载后可任意编辑数量与...

1、当您付费下载文档后,您只拥有了使用权限,并不意味着购买了版权,文档只能用于自身使用,不得用于其他商业用途(如 [转卖]进行直接盈利或[编辑后售卖]进行间接盈利)。
2、本站所有内容均由合作方或网友上传,本站不对文档的完整性、权威性及其观点立场正确性做任何保证或承诺!文档内容仅供研究参考,付费前请自行鉴别。
3、如文档内容存在违规,或者侵犯商业秘密、侵犯著作权等,请点击“违规举报”。

碎片内容

预制装配式变电站施工方案

您可能关注的文档

确认删除?
VIP
微信客服
  • 扫码咨询
会员Q群
  • 会员专属群点击这里加入QQ群
客服邮箱
回到顶部