电脑桌面
添加小米粒文库到电脑桌面
安装后可以在桌面快捷访问

仓顶除尘器技术协议

仓顶除尘器技术协议_第1页
1/8
仓顶除尘器技术协议_第2页
2/8
仓顶除尘器技术协议_第3页
3/8
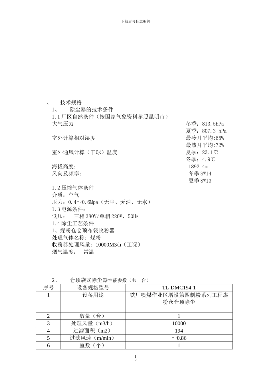
下载后可任意编辑武钢集团昆明钢铁股份炼铁厂喷煤作业区增设第四制粉系统工程仓顶布袋除尘器技 术 协 议武钢集团昆明钢铁股份有限公司炼铁厂无锡志诚机械制造有限公司11下载后可任意编辑2024 年 月 日技 术 协 议承包方(甲方):武钢集团昆明钢铁股份有限公司炼铁厂承揽方(乙方):无锡志诚机械制造有限公司武钢集团昆明钢铁股份有限公司炼铁厂喷煤作业区增设第四制粉系列工程,配套的煤粉仓仓顶布袋收粉器设备供货技术协议经过多次协商讨论,业主、设计方、承揽方一起就相关技术问题进行了一步全面友好的协商和讨论,在所有技术问题均达成一致意见的前提下,协商签订本技术协议。1)本技术协议作为除尘器设备供货合同的技术附件,与商务合同具有同等法律效力。2)乙方对除尘器的完整性、正确性负责,对本协议中未明确的内容及事项但是涉及到考核指标的达到、生产安全的保证、操作及维护检修等所需满足的条件,乙方必须补充完善。本技术协议经双方代表签字后生效。 本技术协议一式 6 份,甲方执 4 份,乙方执 2 份。发包方:武钢集团昆明钢铁股份有限公司炼铁厂代表签字:承揽方:无锡志诚机械制造有限公司代表签字:目 录一、技术规格二、供货范围三、设备、制造、验收标准四、设计审查及资料交付五、设备监制、检验及验收六、性能指标、保证值和考核办法七、技术服务八、设备外购配置及厂家九、其他21下载后可任意编辑一、技术规格1、除尘器的技术条件1.1 厂区自然条件(按国家气象资料参照昆明市)大气压力 冬季:813.5hPa 夏季:807.3 hPa室外计算相对湿度 最冷月平均:65% 最热月平均:72%室外通风计算(干球)温度 夏季:23.1℃ 冬季:4.9℃海拔高度: 1892.4m风向及频率: 冬季 SW14 夏季 SW131.2 压缩气体条件介质:空气压力:0.4~0.6Mpa(无尘、无油、无水)1.3 电源条件:低压: 三相 380V/单相 220V,50Hz1.4 除尘工艺条件1、煤粉仓仓顶布袋收粉器处理气体名称:煤粉收粉器处理风量:10000M3/h(工况)烟气温度: 常温2、仓顶袋式除尘器性能参数(共一台)序号设备规格型号TL-DMC194-11设备用途铁厂喷煤作业区增设第四制粉系列工程煤粉仓仓顶除尘2数量(台)13处理风量(m3/h)100004过滤面积(m2)1945过滤风速(m/min)~0.866室数(个)131下载后可任意编辑7滤袋规格(mm)φ130*33008滤袋数量(条)1449袋笼规格(mm)φ125*325010袋笼数量(只)14411滤袋材质500g/m 防油/水/静电涤纶针刺...

1、当您付费下载文档后,您只拥有了使用权限,并不意味着购买了版权,文档只能用于自身使用,不得用于其他商业用途(如 [转卖]进行直接盈利或[编辑后售卖]进行间接盈利)。
2、本站所有内容均由合作方或网友上传,本站不对文档的完整性、权威性及其观点立场正确性做任何保证或承诺!文档内容仅供研究参考,付费前请自行鉴别。
3、如文档内容存在违规,或者侵犯商业秘密、侵犯著作权等,请点击“违规举报”。

碎片内容

仓顶除尘器技术协议

您可能关注的文档

文森传品+ 关注
实名认证
内容提供者

一家传播文化教育的小店,资料丰富,随意挑选。

确认删除?
VIP
微信客服
  • 扫码咨询
会员Q群
  • 会员专属群点击这里加入QQ群
客服邮箱
回到顶部