电脑桌面
添加小米粒文库到电脑桌面
安装后可以在桌面快捷访问

离心泵特性试验报告

离心泵特性试验报告_第1页
1/6
离心泵特性试验报告_第2页
2/6
离心泵特性试验报告_第3页
3/6
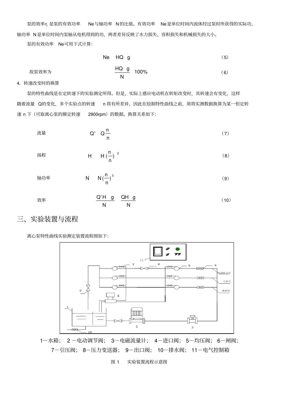
离心泵特性测定实验报告一、实验目的1.了解离心泵结构与特性,熟悉离心泵的使用;2.测定离心泵在恒定转速下的操作特性,做出特性曲线;3.了解电动调节阀、流量计的工作原理和使用方法。二、基本原理离心泵的特性曲线是选择和使用离心泵的重要依据之一,其特性曲线是在恒定转速下泵的扬程H、轴功率 N及效率η 与泵的流量Q之间的关系曲线,它是流体在泵内流动规律的宏观表现形式。由于泵内部流动情况复杂,不能用理论方法推导出泵的特性关系曲线,只能依靠实验测定。1.扬程 H的测定与计算取离心泵进口真空表和出口压力表处为1、2 两截面,列机械能衡算方程:fhgugpzHgugpz2222222111(1)由于两截面间的管长较短,通常可忽略阻力项fh,速度平方差也很小故可忽略,则有(Hgppzz1212)210(HHH表值)(2)式中:120zzH,表示泵出口和进口间的位差,m;ρ ——流体密度,kg/m3;g——重力加速度 m/s2;p1、p2——分别为泵进、出口的真空度和表压,Pa;H1、H2——分别为泵进、出口的真空度和表压对应的压头,m;u1、u2——分别为泵进、出口的流速,m/s;z1、z 2——分别为真空表、压力表的安装高度,m。由上式可知,只要直接读出真空表和压力表上的数值,及两表的安装高度差,就可计算出泵的扬程。2.轴功率 N的测量与计算kNN电( 3)其中, N 电为电功率表显示值,k 代表电机传动效率,可取95.0=k。即:电NN95.0(4)3.效率η 的计算泵的效率η 是泵的有效功率Ne与轴功率 N的比值。有效功率Ne是单位时间内流体经过泵时所获得的实际功,轴功率 N是单位时间内泵轴从电机得到的功,两者差异反映了水力损失、容积损失和机械损失的大小。泵的有效功率Ne可用下式计算:gHQNe(5)故泵效率为%100NgHQ(6)4.转速改变时的换算泵的特性曲线是在定转速下的实验测定所得。但是,实际上感应电动机在转矩改变时,其转速会有变化,这样随着流量 Q的变化,多个实验点的转速n 将有所差异,因此在绘制特性曲线之前,须将实测数据换算为某一恒定转速 n 下(可取离心泵的额定转速2900rpm)的数据。换算关系如下:流量nnQQ'(7)扬程2)(nnHH(8)轴功率3)(nnNN(9)效率NgQHNgHQ'(10)三、实验装置与流程离心泵特性曲线实验测定装置流程图如下:1-水箱; 2 -电动调节阀; 3-电磁流量计; 4-进口阀; 5-均压阀; 6-闸阀;7-引压阀; 8-压力变送器; 9-出口阀; 10-排水阀; 11-电气控制箱图 1 实验装置流程示意图四、实验步...

1、当您付费下载文档后,您只拥有了使用权限,并不意味着购买了版权,文档只能用于自身使用,不得用于其他商业用途(如 [转卖]进行直接盈利或[编辑后售卖]进行间接盈利)。
2、本站所有内容均由合作方或网友上传,本站不对文档的完整性、权威性及其观点立场正确性做任何保证或承诺!文档内容仅供研究参考,付费前请自行鉴别。
3、如文档内容存在违规,或者侵犯商业秘密、侵犯著作权等,请点击“违规举报”。

碎片内容

离心泵特性试验报告

您可能关注的文档

确认删除?
VIP
微信客服
  • 扫码咨询
会员Q群
  • 会员专属群点击这里加入QQ群
客服邮箱
回到顶部