电脑桌面
添加小米粒文库到电脑桌面
安装后可以在桌面快捷访问

六格西玛黄带第一次培训测试题(答案)VIP免费

六格西玛黄带第一次培训测试题(答案)_第1页
1/5
六格西玛黄带第一次培训测试题(答案)_第2页
2/5
六格西玛黄带第一次培训测试题(答案)_第3页
3/5
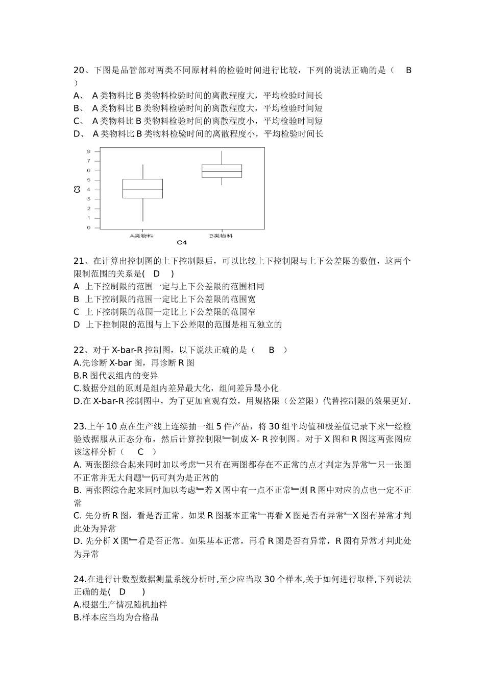
青岛啤酒–2015黄带课堂考试题姓名:得分:一、单选题(每个2分,共50分)1、定义阶段是六西格玛DMAIC五步法中非常重要的一个阶段,应正确地实施这个阶段的项目工作。下述陈述中哪一个不是定义阶段的工作(B)A.确认顾客关键需求明确本项目关注的关键质量特性B.对缺陷产生的原因进行分析C.识别项目所涉及的主要流程D.组建项目团队编制项目立项表2、在项目选择时,正确的说法是?(C)A.可以直接用财务指标作为YB.可以选定性描述的指标C.指标为连续数据比离散数据更合适D.项目的范围尽量要大3、要了解两个连续变量间的相关性,应该作以下哪一种图?(D)A、控制图B、鱼骨图C、直方图D、散点图4、以下是从随机取出的11个测量值。问中位数是多少(C)9111213.5109.5912121111.5A9.5B9C11D11.25E11.15F11.5G125、对σ水平的叙述当中错误的是(B)A、当客户规格限确定后,过程的σ值越小时,σ水平越高,流程能力越好B、σ水平越低,成本越低C、Motorola6σ水平代表一千万个产品中有34个产品不良。D、失误越多,σ水平就越低6、下面的哪一项不是测量阶段做的?(C)A、Y的流程能力分析。B、潜在原因变量(X)的优先排序。C、通过改善X,来改善Y。D、确保Y的测量系统能力。7、生产的啤酒,每瓶啤酒上可能的缺陷数为5种,现检查500瓶啤酒,发现缺陷品为10瓶,缺陷数共15个,则DPMO为:(C)A、10000B、20000C、6000D、0.038、希望对每天的[啤酒二次污染率]管控,最好使用下列哪个控制图(B);A、Xbar-R图B、p图C、u图D、C图9、包装部想评估1#、2#两个团队的品种转换时长水平是否有差异,各收集了100笔数据,最好使用以下哪个工具进行比较(D)A、直方图B、散点图C、柏拉图D、箱线图10、一个正态且稳定的流程,计算出它的流程能力指数Cp=1.65,Cpk=0.92。这时,应该对流程作出下列判断:(B)A、流程的均值偏离目标太远,且过程的标准差太大。B、流程的均值偏离目标太远,过程的标准差尚可。C、流程的均值偏离目标尚可,但过程的标准差太大。D、对于流程的均值偏离目标情况及过程的标准差都不能作出判断。11.对于数据的离散程度的度量没有以下哪个指标?(D)A.极差B.方差C.标准差D.中位值12.Cp与Cpk关系,以下哪个表述正确:BA.Cp<=CpkB.Cp>=CpkC.CpCpk13.要了解两个连续变量间的相关性,应该作以下哪一种图?DA.控制图B.鱼骨图C.直方图D.散点图14.在连续型MSA的研究中,不研究的是哪个项目?AA.KappaB.准确性C.精确性D.分辨率15、高端流程图(SIPOC)可以帮助我们(A)A、确定项目运作的范围B、找出影响过程的所有因素C、找出客户最关注的问题D、确定问题发生的重要环节16.李工程师想用流程的数据作I-MR(单值移动极差图).他按照时间顺序收集了10个数据点:5.73.62.13.72.94.86.03.15.04.2请问第一个移动极差点的数值应该是:(B)A.-1.9B.2.1C.1.9D.-2.117、下列区间估计基本原理正确的是(C)A、X+/-1σ包含约定78%数据B、X+/-2σ包含约定90%数据C、X+/-3σ包含约定99.9%数据D、X+/-2σ包含约定99.7%数据18、以下%R&R可以接受的是(B)A、50%B、30%C、30%D、50%19、以下哪种过程能力表示能力尚可的是(C)A、Cpk1.67B、1.67Cpk1.33C、1.33Cpk1D、1Cpk0.6720、下图是品管部对两类不同原材料的检验时间进行比较,下列的说法正确的是(B)A、A类物料比B类物料检验时间的离散程度大,平均检验时间长B、A类物料比B类物料检验时间的离散程度大,平均检验时间短C、A类物料比B类物料检验时间的离散程度小,平均检验时间短D、A类物料比B类物料检验时间的离散程度小,平均检验时间长21、在计算出控制图的上下控制限后,可以比较上下控制限与上下公差限的数值,这两个限制范围的关系是(D)A上下控制限的范围一定与上下公差限的范围相同B上下控制限的范围一定比上下公差限的范围宽C上下控制限的范围一定比上下公差限的范围窄D上下控制限的范围与上下公差限的范围是相互独立的22、对于X-bar-R控制图,以下说法正确的是(B)A.先诊断X-bar图,再诊断R图B.R图代表组内的变异C.数据分组的原则是组内差异最大化,组间差异最小化D.在X-bar-R控制图中,为了更加直观有效,用规...

1、当您付费下载文档后,您只拥有了使用权限,并不意味着购买了版权,文档只能用于自身使用,不得用于其他商业用途(如 [转卖]进行直接盈利或[编辑后售卖]进行间接盈利)。
2、本站所有内容均由合作方或网友上传,本站不对文档的完整性、权威性及其观点立场正确性做任何保证或承诺!文档内容仅供研究参考,付费前请自行鉴别。
3、如文档内容存在违规,或者侵犯商业秘密、侵犯著作权等,请点击“违规举报”。

碎片内容

六格西玛黄带第一次培训测试题(答案)

确认删除?
VIP
微信客服
  • 扫码咨询
会员Q群
  • 会员专属群点击这里加入QQ群
客服邮箱
回到顶部