电脑桌面
添加小米粒文库到电脑桌面
安装后可以在桌面快捷访问

矿用橡套软电缆载流量

矿用橡套软电缆载流量_第1页
1/9
矿用橡套软电缆载流量_第2页
2/9
矿用橡套软电缆载流量_第3页
3/9
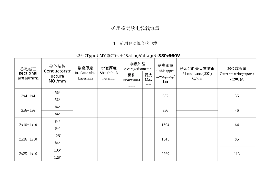
矿用橡套软电缆载流量1、矿用移动橡套软电缆型号(Type):MY 额定电压(RatingVoltage):380/660V芯数截面sectionalareasmm2导体结构ConductorstructureNO./mm绝缘厚度Insulationthicknessmm护套厚度Sheaththicknessmm电缆外径Averagediameter参考重量Cableapprox.weightkg/km导体(铜)最大直流电阻 resistance(20C)Q/km20C 载流量Currentcarringcapacity(20C)A标称Normianalmm最大Maxmm3x4+1x456/6373556/3x6+1x684/8564684/3x10+1x1084/13046484/3x16+1x10126/15458584/3x25+1x16196/2269113126/3x35+1x16276/2786138126/3x50+1x16396/3554173126/3x70+1x25360/4587215196/2、矿用移动屏蔽橡套软电缆Flexibleshieldingrubber-sheathedcablesforminingpurposes型号(Type):MYP 额定电压(RatingVoltage):380/660V芯数截面sectionalareasmm2导体结构ConductorstructureNO./mm绝缘厚度Insulationthicknessmm护套厚度Sheaththicknessmm电缆外径Averagediameter参考重量Cableapprox.weightkg/km导体(铜)最大直流电阻resistance(20C)Q/km20C 载流量Currentcarringcapacity(20C)A标称Normianalmm最大Maxmm3x4+1x456/7303556/3x6+1x684/9594684/3x10+1x1084/14276484/3x16+1x10126/16758584/3x25+1x16196/2419113126/3x35+1x16276/2952138126/3x50+1x16396/3741173126/3x70+1x25360/4790215196/3、矿用移动屏蔽橡套软电缆(MYP)Flexibleshieldingrubber-sheathedcablesforminingpurposes型号(Type):MYP 额定电压(RatingVoltage):660/1440V芯数截面sectionalareasmm2导体结构ConductorstructureNO./mm绝缘厚度Insulationthicknessmm护套厚度Sheaththicknessmm电缆外径Averagediameter参考重量Cableapprox.weightkg/km导体(铜)最大直流电阻resistance(20C)Q/km20C 载流量Currentcarringcapacity(20C)A标称Normianalmm最大Maxmm3x10+1x1084/16406484/3x16+1x10126/18998584/3x25+1x16196/2648113126/3x35+1x16276/3201138126/3x50+1x16396/4013173126/3x70+1x25360/5079215196/3x95+1x25475/6280260196/4、采煤机用屏蔽套软电缆Flexiblecoalcutterrubber-sheathedcablesforminingpurposes型号(Type):MC 额定电压(RatingVoltage):380/660V5、采煤机用橡套软电缆型号(Type):MCP 额定电压(RatingVoltage):380/660V芯数截面sectionalareasmm2导体结构ConductorstructureNO./mm绝缘厚度Insulationthicknessmm护套厚度Sheaththicknessmm电缆外径Averagediameter参...

1、当您付费下载文档后,您只拥有了使用权限,并不意味着购买了版权,文档只能用于自身使用,不得用于其他商业用途(如 [转卖]进行直接盈利或[编辑后售卖]进行间接盈利)。
2、本站所有内容均由合作方或网友上传,本站不对文档的完整性、权威性及其观点立场正确性做任何保证或承诺!文档内容仅供研究参考,付费前请自行鉴别。
3、如文档内容存在违规,或者侵犯商业秘密、侵犯著作权等,请点击“违规举报”。

碎片内容

矿用橡套软电缆载流量

您可能关注的文档

确认删除?
VIP
微信客服
  • 扫码咨询
会员Q群
  • 会员专属群点击这里加入QQ群
客服邮箱
回到顶部