电脑桌面
添加小米粒文库到电脑桌面
安装后可以在桌面快捷访问

竣工验收全套表格,推荐文档

竣工验收全套表格,推荐文档_第1页
1/22
竣工验收全套表格,推荐文档_第2页
2/22
竣工验收全套表格,推荐文档_第3页
3/22
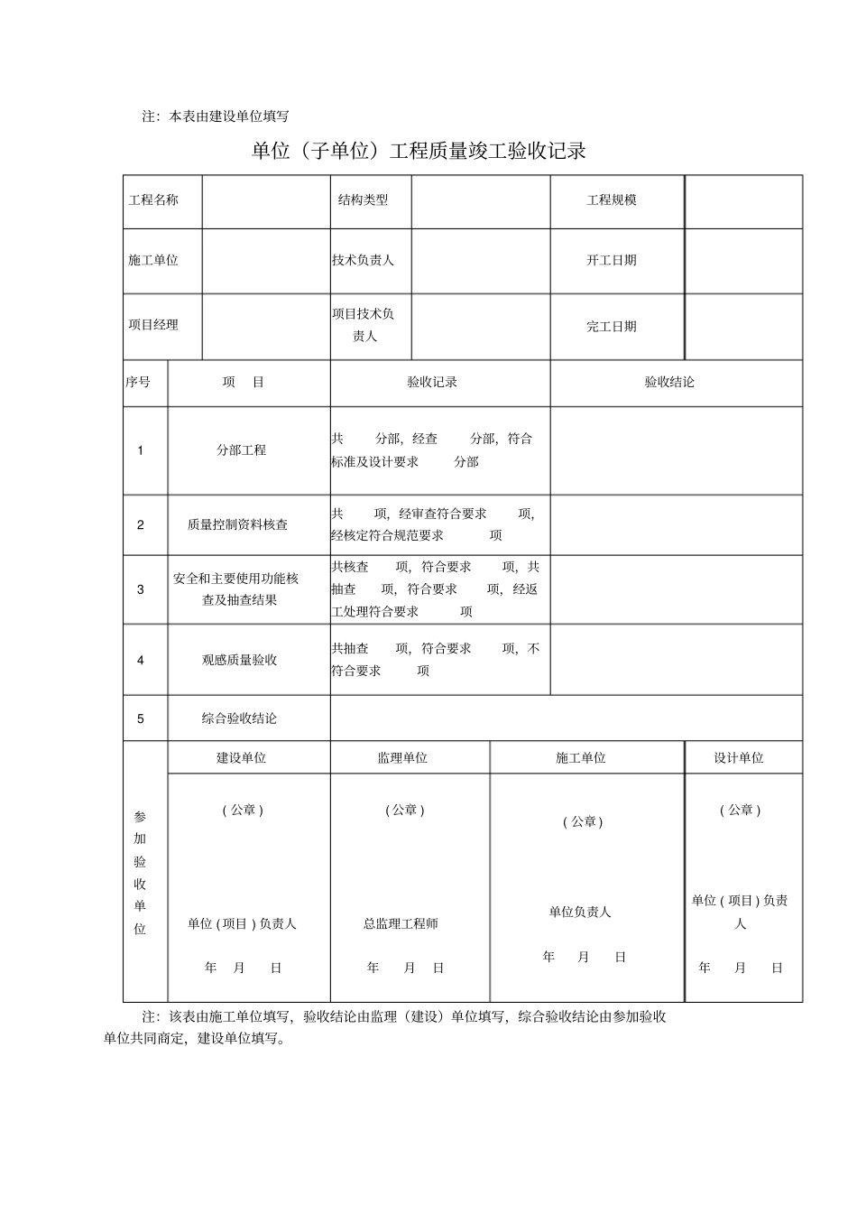
编号:工程竣工验收报告工程名称: _________________ 竣工日期: _________________ 验收组织单位(章)______________ 安徽省建设厅印制房屋建筑工程和市政基础设施工程概况一览表工程名称工程地点工程规划许可证号工程施工许可证号质量监督注册号工程用途设计能力造价工程主要内容开工日期竣工日期建设单位法定代表人单位地址项目负责人勘察单位资质等级项目负责人设计单位资质等级项目负责人施工总包单位资质等级法定代表人项目经理分包单位资质等级分包单位资质等级分包单位资质等级监理单位资质等级总监理工程师岗位证书号工程质量监督机构注:本表由建设单位填写单位(子单位)工程质量竣工验收记录工程名称结构类型工程规模施工单位技术负责人开工日期项目经理项目技术负责人完工日期序号项目验收记录验收结论1分部工程共分部,经查分部,符合标准及设计要求分部2质量控制资料核查共项,经审查符合要求项,经核定符合规范要求项3安全和主要使用功能核查及抽查结果共核查项,符合要求项,共抽查项,符合要求项,经返工处理符合要求项4观感质量验收共抽查项,符合要求项,不符合要求项5综合验收结论参加验收单位建设单位监理单位施工单位设计单位( 公章 ) 单位 ( 项目 ) 负责人年月日( 公章 ) 总监理工程师年月日( 公章 ) 单位负责人年月日( 公章 ) 单位 ( 项目 ) 负责人年月日注:该表由施工单位填写,验收结论由监理(建设)单位填写,综合验收结论由参加验收单位共同商定,建设单位填写。工程竣工验收意见验收组组长(签名) :注:建设单位根据验收组意见填写。包括:设计功能、指标实现情况;建设单位守法情况;对工程勘察、设计、施工、监理等方面的简单评价;工程质量等级(要说明各分部工程质量等级及验收标准) ;难以弥补的质量缺陷记录(不得影响安全使用)。验收组成员名单姓名验收组职务工作单位职务、职称本人签名专业管理部门验收意见单位验收意见公安消防部门年月日规划部门年月日环保部门年月日城建档案管理机构年月日监督验收意见:工程质量监督站(公章)年月日注:验收意见由专业管理部门明确同意不同意通过验收,并加盖单位公章, 或者由建设单位记录专业管理部门认可文件(或不需要认可的依据)并加盖建设单位公章;监督验收意见由质量监督站对验收组织形式、程序、 各方提供的相关资料和工程实体质量提出意见,但不做肯定性结论。附件一工程竣工报告工程名称结构类型建筑面积m2高度/跨...

1、当您付费下载文档后,您只拥有了使用权限,并不意味着购买了版权,文档只能用于自身使用,不得用于其他商业用途(如 [转卖]进行直接盈利或[编辑后售卖]进行间接盈利)。
2、本站所有内容均由合作方或网友上传,本站不对文档的完整性、权威性及其观点立场正确性做任何保证或承诺!文档内容仅供研究参考,付费前请自行鉴别。
3、如文档内容存在违规,或者侵犯商业秘密、侵犯著作权等,请点击“违规举报”。

碎片内容

竣工验收全套表格,推荐文档

爱的疯狂+ 关注
实名认证
内容提供者

该用户很懒,什么也没介绍

相关文档

确认删除?
VIP
微信客服
  • 扫码咨询
会员Q群
  • 会员专属群点击这里加入QQ群
客服邮箱
回到顶部