电脑桌面
添加小米粒文库到电脑桌面
安装后可以在桌面快捷访问

内存管理练习带答案VIP免费

内存管理练习带答案_第1页
1/5
内存管理练习带答案_第2页
2/5
内存管理练习带答案_第3页
3/5
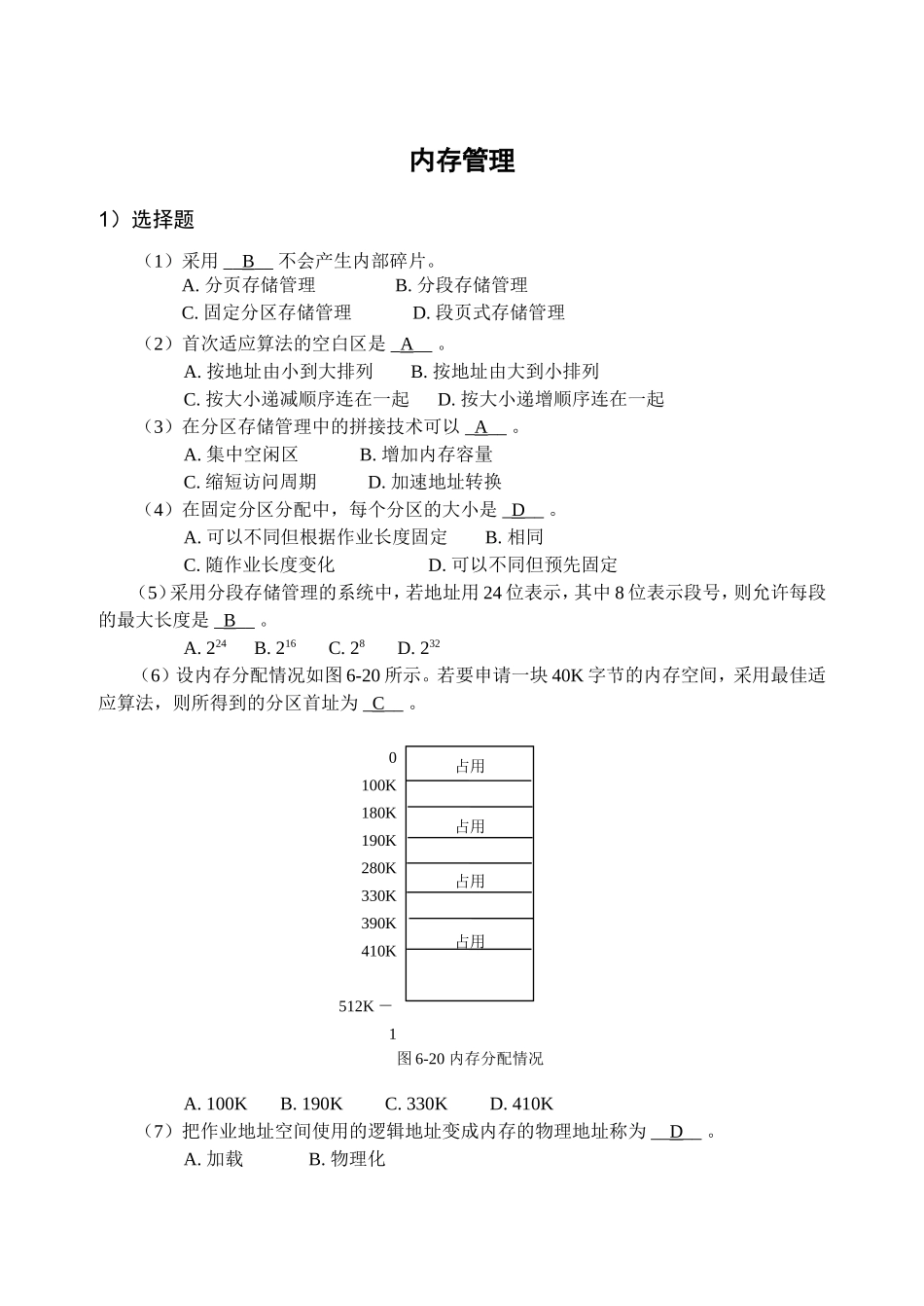
内存管理1)选择题(1)采用__B__不会产生内部碎片。A.分页存储管理B.分段存储管理C.固定分区存储管理D.段页式存储管理(2)首次适应算法的空白区是_A__。A.按地址由小到大排列B.按地址由大到小排列C.按大小递减顺序连在一起D.按大小递增顺序连在一起(3)在分区存储管理中的拼接技术可以_A__。A.集中空闲区B.增加内存容量C.缩短访问周期D.加速地址转换(4)在固定分区分配中,每个分区的大小是_D__。A.可以不同但根据作业长度固定B.相同C.随作业长度变化D.可以不同但预先固定(5)采用分段存储管理的系统中,若地址用24位表示,其中8位表示段号,则允许每段的最大长度是_B__。A.224B.216C.28D.232(6)设内存分配情况如图6-20所示。若要申请一块40K字节的内存空间,采用最佳适应算法,则所得到的分区首址为_C__。图6-20内存分配情况A.100KB.190KC.330KD.410K(7)把作业地址空间使用的逻辑地址变成内存的物理地址称为__D__。A.加载B.物理化占用占用占用占用0100K180K190K280K330K390K410K512K-1C.逻辑化D.重定位(8)在以下存储管理方案中,不适用于多道程序设计系统的是_C_。A.固定式分区分配B.页式存储管理C.单一连续分配D.可变式分区分配(9)在可变式分区分配方案中,某一作业完成后,系统收回其内存空间并与相邻空闲区合并,为此需修改空闲区表,造成空闲区数减1的情况是_D__。A.无上邻空闲区也无下邻空闲区B.有上邻空闲区但无下邻空闲区C.有下邻空闲区但无上邻空闲区D.有上邻空闲区也有下邻空闲区(10)采用两级页表的页式存储管理中,按给定的逻辑地址进行读写时,通常需访问主存的次数是__C__。A.1次B.2次C.3次D.4次(11)在存储管理中,采用覆盖与交换技术的目的是__A___。A.减少程序占用的主存空间B.物理上扩充主存容量C.提高CPU效率D.代码在主存中共享(12)分区管理和分页管理的主要区别是___D____。A.分区管理中的块比分页管理中的页要小B.分页管理有地址映射而分区管理没有C.分页管理有存储保护而分区管理没有D.分区管理要求一道程序存放在连续的空间内而分页管理没有这种要求(13)在一页式存储管理系统中,页表内容如图6-21所示。若页的大小为4K,则地址转换机构将逻辑地址0转换成物理地址为___A____。(块号也从0开始编号)A.8192B.4096C.2048D.1024(14)某段表的内容如图6-22所示,现执行某条指令Load1,2/154,逻辑地址2/154(其中段号为2,段内地址为154),它对应的物理地址为B。A.120K+2B.480K+154C.30K+154D.2+480K段号段首址段长度页号块号0211263347图6-21页表0120K40K1760K30K2480K20K3370K20K2)填空题(1)把作业装入内存中随即进行地址变换的方式称为静态重定位,而在作业执行期间,当访问到指令或数据时才进行地址变换的方式称为动态重定位。(2)在分区分配算法中,首次适应算法倾向于优先利用内存中的低地址部分的空闲分区,从而保留了高地址部分的大空闲区。(3)分区存储管理可以分为:固定分区和动态分区。(4)三种不连续内存管理方式是:分页、分段和段页式。(5)对图6-23所示的内存分配情况(其中,阴影部分表示占用块,空白部分表示空闲块),若要申请30K的存储空间,使首地址最大的分配策略是最差分配算法。图6-23内存分配状态3)解答题(1)存储管理的主要功能是什么?答:分配和回收内存。记住内存空间的使用情况;实施内存的分配和回收。地址映射。提供地址映射功能,将逻辑地址转换为物理地址。内存的扩充。为用户提供比内存空间大的地址空间,从而实现从逻辑上扩充内存容量的目的。存储的保护。保证进入内存的各道作业都在自己的存储空间内运行,互不干扰。(2)在段式存储管理和段页式存储管理中,逻辑地址是如何表示的?从用户角度来看分别为几维空间?答:在段式存储管理和段页式存储管理中,逻辑地址都是用<段名,段内偏移量>来表示的。从用户角度来看都是2维地址空间。0100K160K200K320K350K400K410K600K-1图6-22段表(3)什么叫重定位?重定位有哪几种类型?采用内存分区管理时,如何实现程序运行时的动态重定位?答:所谓地址重定位就是当一个程序装入到与其地址不一致的存储空间时而进行地址调整过程。重定位有静态重...

1、当您付费下载文档后,您只拥有了使用权限,并不意味着购买了版权,文档只能用于自身使用,不得用于其他商业用途(如 [转卖]进行直接盈利或[编辑后售卖]进行间接盈利)。
2、本站所有内容均由合作方或网友上传,本站不对文档的完整性、权威性及其观点立场正确性做任何保证或承诺!文档内容仅供研究参考,付费前请自行鉴别。
3、如文档内容存在违规,或者侵犯商业秘密、侵犯著作权等,请点击“违规举报”。

碎片内容

内存管理练习带答案

您可能关注的文档

确认删除?
VIP
微信客服
  • 扫码咨询
会员Q群
  • 会员专属群点击这里加入QQ群
客服邮箱
回到顶部