电脑桌面
添加小米粒文库到电脑桌面
安装后可以在桌面快捷访问

农村道路硬化工程施工组织设计VIP免费

农村道路硬化工程施工组织设计_第1页
1/21
农村道路硬化工程施工组织设计_第2页
2/21
农村道路硬化工程施工组织设计_第3页
3/21
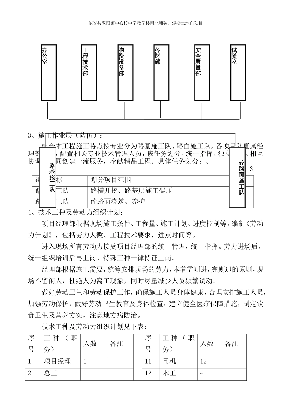
施工组织设计第一章:工程概况牧龙王劈开砖铺设:648平方米,水泥混凝土1090平方米第二章:工程管理目标1、质量目标本工程施工严格按国家现行施工规范施工、按市政工程质量验收标准进行分项、分部、单位工程的质量控制以及质量评定;接受业主、监理工程师和市政工程质量监督站的监督检查。工程质量满足如下要求:道路工程质量目标确保:优良2、环境目标资源、能源消耗量实现定额要求。污水、淤泥、固废、废气排放量符合国家有关法律法规及业主有关规定要求。有噪声的机械避开在夜间施工,噪声符合有关法律法规要求。控制施工现场、便道、通畅,无扬尘污染。3、职业健康安全目标(1)确保无重大事故和一般事故发生,因工受伤小于0.15‰(2)无职业病发生,并符合国家“职业病防治法”和相关法律法规要求。4、工期目标计划开工日期:确保30天完成全部合同内工程内容。第三章施工总体布置1、施工组织机构:本工程按项目法组织施工,经理部设项目经理一人,负责对该工程进行全面管理;项目副经理一人,负责项目的施工生产、安全质量管理;项目总工(技术负责人)一人,负责项目的施工技术管理工作。项目经理部下设工程部、物资设备部、安质部、计财部等管理职能部门。作业层为三个专业施工队担负相应的施工任务。2、施工段落划分:本工程工期较短,项目任务分散。本工程施工首先集中组织一切力量先将路基上的垃圾淤泥清除掉,尽快将全线土基面层清整出来。将全线分成一个流水作业面施工组织机构图公司技术管理部门项目经理项目副经理总工程师依安县双阳镇中心校中学教学楼南北铺砖、混凝土地面项目3、施工作业层(队伍):结合本工程施工特点按专业分为路基施工队、路面施工队,各项目队直属经理部领导,配置相关专业技术管理人员,按任务划分、统一指挥、独立施工、相互协调,共同创建一流服务,奉献精品工程。具体任务划分:。表3组织名称划分项目范围路基施工队路槽开挖、路基层施工碾压路面施工队砼路面浇筑、养护4、技术工种及劳动力组织计划:项目经理部根据现场施工条件、工程量、施工计划、进度控制等,编制《劳动力计划》,包括劳力人数、工程技术要求,进点时间等。进入现场所有劳动力接受项目经理部的统一管理,统一指挥。劳力进场后,统一组织培训后再上岗。特殊工种一律持证上岗。经理部根据施工需要,统筹安排现场的劳力,本着需则进,完则退的原则,现场不留闲人,杜绝人为窝工现象,同时尽量减少人员频繁调动。做好劳动卫生和劳动保护工作,确保施工人员身体健康,合理安排施工人员,加强劳动保护,做好劳动卫生教育及身体检查,建立健全医疗保障措施,制定饮食卫生及营养方案,注意地方病防治。技术工种及劳动力组织计划见下表:序号工种(职务)人数备注序号工种(职务)人数备注1项目经理111司机122总工112木工4办公室工程技术部物资设备部务财部安全质量部试验室路基施工队砼路面施工队依安县双阳镇中心校中学教学楼南北铺砖、混凝土地面项目3现场副经理113瓦工104技术人员214电工25试验员215电焊工6安质检员116机工47物设员117混凝土工308计财人员118普工209资料员、核算员11910测量工2205施工机械设备机具计划:合理调配成套的专业化施工机械设备是保证正常施工的重要因素,施工中根据工程需求,首先做好机械设备的选型和配件供应工作,并对工程机械设备进行动态调配。机械设备的管理(1)建立机械设备管理保障体系经理部设物资设备部,全面负责标段内的机械设备管理和设备维修,配备专业技术人员。项目队配备机械技术员,负责施工机械的维修保养工作。(2)制定机械设备保养和检查制度制定施工机械设备的保养规程、安全操作规程,实行“定机、定人、谁使用谁保管谁保养”制度,操作人员相对稳定,并监督实施,使设备管理有序,维修保养到位。定期组织机械设备检查,每日施工前和收工后对机械设备例查,对机械设备的状况、性能及各项指标进行核对,不合格的机械设备不得进入施工现场。每月对机械设备的使用管理情况进行评比,表扬先进,促进落后。以完善的机械设备管理和维修保养保证机械设备效率的充分发挥。(3)加强设备维修保养管理加强施工现场机械设备的保...

1、当您付费下载文档后,您只拥有了使用权限,并不意味着购买了版权,文档只能用于自身使用,不得用于其他商业用途(如 [转卖]进行直接盈利或[编辑后售卖]进行间接盈利)。
2、本站所有内容均由合作方或网友上传,本站不对文档的完整性、权威性及其观点立场正确性做任何保证或承诺!文档内容仅供研究参考,付费前请自行鉴别。
3、如文档内容存在违规,或者侵犯商业秘密、侵犯著作权等,请点击“违规举报”。

碎片内容

农村道路硬化工程施工组织设计

确认删除?
VIP
微信客服
  • 扫码咨询
会员Q群
  • 会员专属群点击这里加入QQ群
客服邮箱
回到顶部