电脑桌面
添加小米粒文库到电脑桌面
安装后可以在桌面快捷访问

材料及结构委托检测合同书

材料及结构委托检测合同书_第1页
1/10
材料及结构委托检测合同书_第2页
2/10
材料及结构委托检测合同书_第3页
3/10
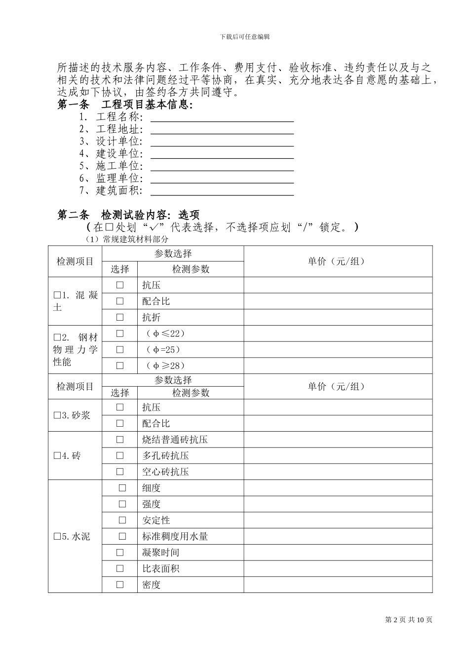
下载后可任意编辑建设工程常规建筑材料及结构实体委托检测合同书工程名称: 委 托 方: (甲方)检 测 方: (乙方)签订地点: 签订时间: 年 月 日根据《中华人民共和国合同法》之规定,本合同签约各方就本合同书中第 1 页 共 10 页下载后可任意编辑所描述的技术服务内容、工作条件、费用支付、验收标准、违约责任以及与之相关的技术和法律问题经过平等协商,在真实、充分地表达各自意愿的基础上,达成如下协议,由签约各方共同遵守。第一条 工程项目基本信息:1. 工程名称: 2、工程地址: 3、设计单位: 4、建设单位: 5、施工单位: 6、监理单位: 7、建筑面积: 第二条 检测试验内容:选项(在□处划“√”代表选择,不选择项应划“/”锁定。)(1)常规建筑材料部分检测项目参数选择单价(元/组)选择检测参数□1. 混 凝土□抗压□配合比□抗折□2. 钢材物 理 力 学性能 □(φ≤22)□(φ=25)□(φ≥28)检测项目参数选择单价(元/组)选择检测参数□3.砂浆□抗压□配合比□4.砖□烧结普通砖抗压□多孔砖抗压□空心砖抗压□5.水泥□细度□强度□安定性□标准稠度用水量□凝聚时间□比表面积□密度第 2 页 共 10 页下载后可任意编辑□6. 砌块□抗压□密度□7. 建筑用 卵 石 、碎石□颗粒级配□表观密度□含泥量□泥块含量□堆积密度,紧密密度□空隙率□有机物含量□针片状颗粒含量□压碎指标□8. 建筑用砂□颗粒级配□表观密度□含泥量□泥块含量□堆积密度,紧密密度□空隙率□有机物含量□人工砂石粉含量检测项目参数选择单价(元/组)选择检测参数□9. 防 水卷材□外观□不透水性□耐热度□抗拉强度□柔度□吸水率□撕裂强度□10.防水涂料□固体含量□拉伸强度□延伸性第 3 页 共 10 页下载后可任意编辑□低温柔性□耐热性□不透水性□粘结强度□抗冻性□紫外处理□碱处理□热处理□试样处理□11. 混凝土外加剂□凝聚时间之差□减水率□含气量□泌水率□收缩率□抗压强度比□钢筋锈蚀检测项目参数选择单价(元/组)选择检测参数□12.建筑内外墙涂料□容器中状态□低温稳定性□遮盖率□颜色及外观□干燥时间□耐洗刷性□耐碱性□粘度□细度□白度□附着力□耐水性□耐干擦性□粘结强度□耐冷热循环性□透水性第 4 页 共 10 页下载后可任意编辑□耐沾污性□施工性□骨料沉降性□制样、养护□13. 内外墙腻子□耐水性□耐碱性□打磨性□粘结强度□耐水粘结强度□制样、养护□14....

1、当您付费下载文档后,您只拥有了使用权限,并不意味着购买了版权,文档只能用于自身使用,不得用于其他商业用途(如 [转卖]进行直接盈利或[编辑后售卖]进行间接盈利)。
2、本站所有内容均由合作方或网友上传,本站不对文档的完整性、权威性及其观点立场正确性做任何保证或承诺!文档内容仅供研究参考,付费前请自行鉴别。
3、如文档内容存在违规,或者侵犯商业秘密、侵犯著作权等,请点击“违规举报”。

碎片内容

材料及结构委托检测合同书

文森传品+ 关注
实名认证
内容提供者

一家传播文化教育的小店,资料丰富,随意挑选。

相关文档

确认删除?
VIP
微信客服
  • 扫码咨询
会员Q群
  • 会员专属群点击这里加入QQ群
客服邮箱
回到顶部