电脑桌面
添加小米粒文库到电脑桌面
安装后可以在桌面快捷访问

柱上断路器技术协议样本

柱上断路器技术协议样本_第1页
1/19
柱上断路器技术协议样本_第2页
2/19
柱上断路器技术协议样本_第3页
3/19
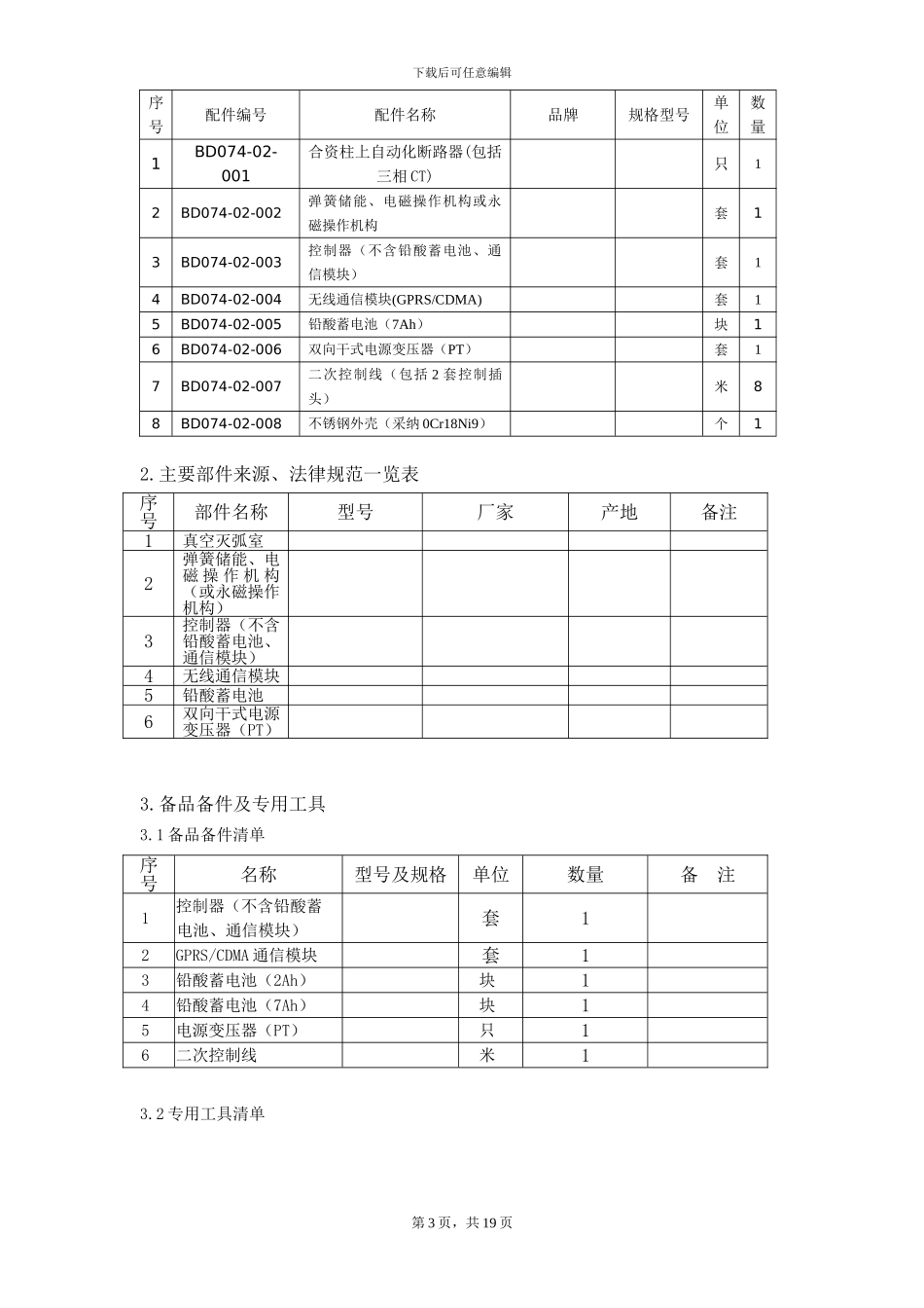
下载后可任意编辑 标准技术协议编号: XXXXXXX广东电网公司设备、材料技术协议2024-2024 年度设备材料框架协议式招标柱上断路器需 方:供 方:二 0 一 0 年三月目 录一. 专用条款1.供货设备、材料和数量2.主要部件来源、法律规范一览表第 1 页,共 19 页下载后可任意编辑3.备品备件及专用工具3.1 备品备件清单3.2 专用工具清单4.技术差异表5. 主要技术参数6.附图二. 通用条款1. 总则2. 引用标准和法律规范3.使用条件3.1 正常使用环境条件3.2 系统运行条件4.技术要求4.1 断路器及控制器成套设备整体功能要求4.2 技术参数4.3 开关本体结构和功能要求4.4 断路器控制器(FTU)技术要求4.5 电源变压器的技术要求5、安装、调试、试运行和验收6、包装、运输6.1 包装6.2 运输7、厂商应提供的技术文件7.1 供方在签订合同后应提供的图纸(一式 3 份)7.2 设备交货时供方应提供的技术文件8、柱上自动化断路器配置一、专用条款1. 供货设备、材料和数量标的编号BD074标的名称10kV 自动化柱上断路器成套设备序号物资编码物资名称1BD074-0210kV 自动化柱上断路器成套设备(合资泡)物资编码BD074-02物资名称10kV 自动化柱上断路器第 2 页,共 19 页下载后可任意编辑序号配件编号配件名称品牌规格型号单位数量1BD074-02-001合资柱上自动化断路器(包括三相 CT)只12BD074-02-002弹簧储能、电磁操作机构或永磁操作机构套13BD074-02-003控制器(不含铅酸蓄电池、通信模块)套14BD074-02-004无线通信模块(GPRS/CDMA)套15BD074-02-005铅酸蓄电池(7Ah)块16BD074-02-006双向干式电源变压器(PT)套17BD074-02-007二次控制线(包括 2 套控制插头)米88BD074-02-008不锈钢外壳(采纳 0Cr18Ni9) 个12.主要部件来源、法律规范一览表序号部件名称型号厂家产地备注1真空灭弧室2弹簧储能、电磁 操 作 机 构(或永磁操作机构)3控制器(不含铅酸蓄电池、通信模块)4无线通信模块5铅酸蓄电池6双向干式电源变压器(PT)3.备品备件及专用工具3.1 备品备件清单序号名称型号及规格单位数量备 注1控制器(不含铅酸蓄电池、通信模块)套12GPRS/CDMA 通信模块套13铅酸蓄电池(2Ah)块14铅酸蓄电池(7Ah)块15电源变压器(PT)只16二次控制线米13.2 专用工具清单第 3 页,共 19 页下载后可任意编辑序号名称型号及规格单位数量备 注1组合工具套12其他套第 4 页,共 19 页下载后可任意编辑4. 技 术 差 异 表重 要 说...

1、当您付费下载文档后,您只拥有了使用权限,并不意味着购买了版权,文档只能用于自身使用,不得用于其他商业用途(如 [转卖]进行直接盈利或[编辑后售卖]进行间接盈利)。
2、本站所有内容均由合作方或网友上传,本站不对文档的完整性、权威性及其观点立场正确性做任何保证或承诺!文档内容仅供研究参考,付费前请自行鉴别。
3、如文档内容存在违规,或者侵犯商业秘密、侵犯著作权等,请点击“违规举报”。

碎片内容

柱上断路器技术协议样本

您可能关注的文档

津创媒+ 关注
实名认证
内容提供者

欢迎交流文创,小店资料希望满足您的需要。

确认删除?
VIP
微信客服
  • 扫码咨询
会员Q群
  • 会员专属群点击这里加入QQ群
客服邮箱
回到顶部