电脑桌面
添加小米粒文库到电脑桌面
安装后可以在桌面快捷访问

综合管廊基坑开挖汇总

综合管廊基坑开挖汇总_第1页
1/14
综合管廊基坑开挖汇总_第2页
2/14
综合管廊基坑开挖汇总_第3页
3/14
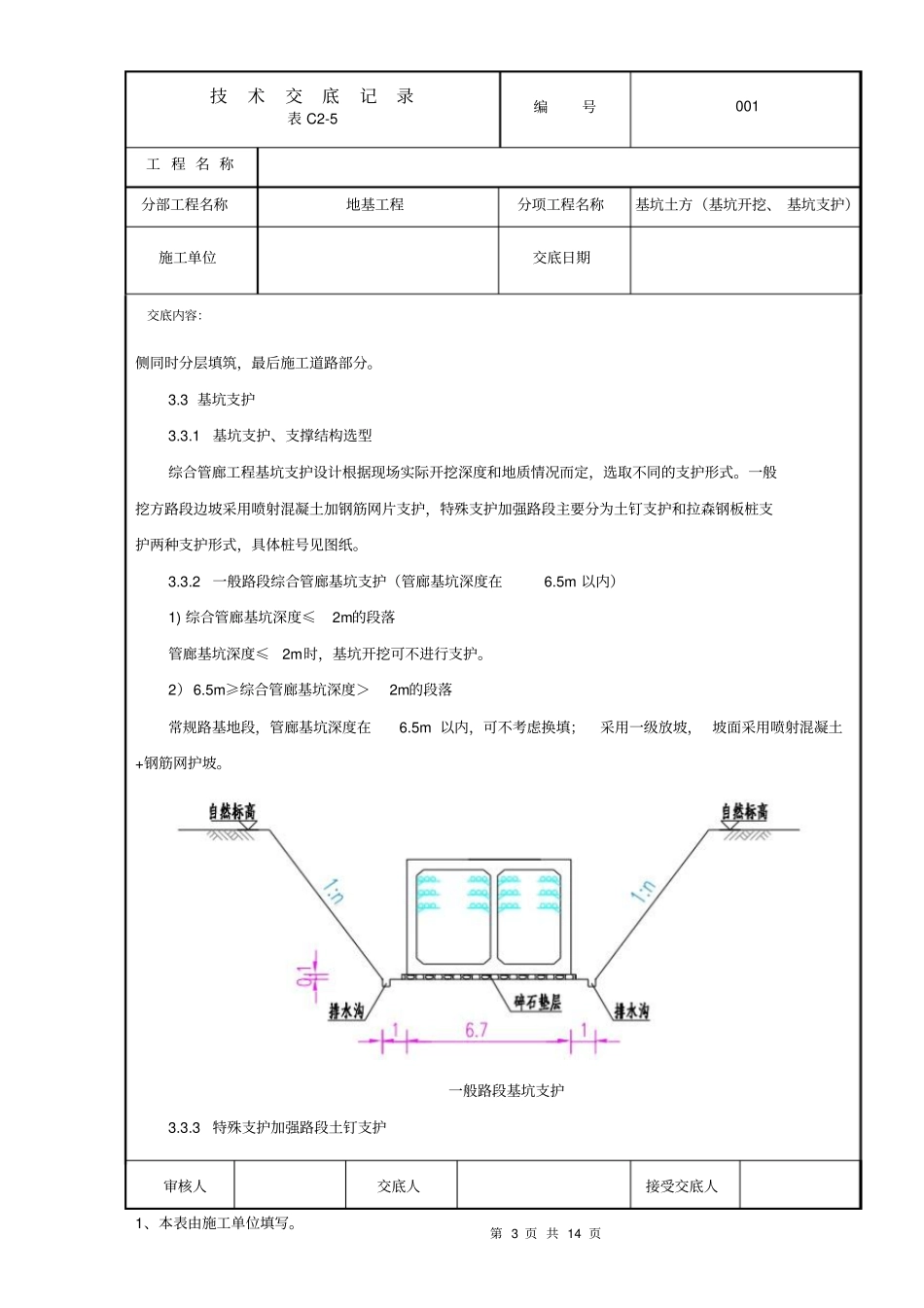
技术交底记录表 C2-5编号001 工 程 名 称分部工程名称地基工程分项工程名称基坑土方(基坑开挖、 基坑支护)施工单位交底日期交底内容:审核人交底人接受交底人1、本表由施工单位填写。第 1 页 共 14 页本标段起始桩号为k1+140-k1+600 全长 460m,综合管廊双舱标准段全长460m,其中包括吊装口1座、排风口2 座、管线分支口2 座、人员出入口1 座、合计 6 座。1. 施工准备1.1 开挖前,根据要求把施工区域下的地下、地上障碍物清除完成。1.2 施工区域内的供水、供电、临时设施满足土方开挖要求。1.3 做好土方开挖机械、运输车辆及各种辅助设备的维修检查和进场工作。2. 机具设备2.1 机具准备推土机、挖掘机、装载机、自卸汽车、潜水泵等、铁锹(平头、尖头)、钢卷尺、坡度尺、小线等。3. 施工操作工艺土方开挖施工工艺土石方开挖的施工顺序:测量放线→基坑开挖→基坑支护与基坑排水→基坑整理→基坑检验3.1 测量放线土方开挖前施放护坡上口线,放线根据施工控制线返出外墙边线,然后考虑基础肥槽宽度、标高,分别用白灰洒出,基底工作面为1m。边坡坡率按以下执行:土层: 1:0.75 ;强风化: 1:0.75 ;中风化破碎带:1:0.75 ;中风化: 1:0.5 3.2 基坑开挖基坑开挖采用长臂挖掘机开挖,基坑开挖至距基底15-30cm 应立即停止开挖,改为用人工进行清理,禁止出现超挖现象,保证基底以下土体稳定, 槽底以上15-30cm 必须用人工修整底面,槽底的松散土、淤泥、大石块等要及时清除,并保持沟槽干燥,修整好底面,立即进行边坡支护、基础施工。开挖出来的合格料,堆于基坑坡顶线3m以外,剩余部分弃置到指定弃土场。技术交底记录表 C2-5编号001 工 程 名 称分部工程名称地基工程分项工程名称基坑土方(基坑开挖、 基坑支护)施工单位交底日期交底内容:审核人交底人接受交底人1、本表由施工单位填写。第 2 页 共 14 页每次基坑开挖过程中对开挖边坡进行校核,保证基坑开挖过程中不超挖也不欠挖,以防止开挖放坡过缓形成浪费或者开挖放坡过陡造成边坡坍塌。基坑内积水要求及时排除,基坑两侧设置排水沟,每隔30 米,设置一集水坑,及时排水。坡底排水沟做成 300mm×300mm(净深×净宽 ) 的土沟作临时排水沟。基坑顶层土方用挖掘机开挖,石方采用履带式单头液压岩石破碎机破碎岩石开挖,纵向分段横向分层倒退式进行,分层开挖深度不超过2.0m,基坑内的土石方用挖掘机倒运开挖,自卸汽车运土。基坑开挖按施工...

1、当您付费下载文档后,您只拥有了使用权限,并不意味着购买了版权,文档只能用于自身使用,不得用于其他商业用途(如 [转卖]进行直接盈利或[编辑后售卖]进行间接盈利)。
2、本站所有内容均由合作方或网友上传,本站不对文档的完整性、权威性及其观点立场正确性做任何保证或承诺!文档内容仅供研究参考,付费前请自行鉴别。
3、如文档内容存在违规,或者侵犯商业秘密、侵犯著作权等,请点击“违规举报”。

碎片内容

综合管廊基坑开挖汇总

确认删除?
VIP
微信客服
  • 扫码咨询
会员Q群
  • 会员专属群点击这里加入QQ群
客服邮箱
回到顶部