电脑桌面
添加小米粒文库到电脑桌面
安装后可以在桌面快捷访问

温湿度视频监控系统清单及升级维护协议

温湿度视频监控系统清单及升级维护协议_第1页
1/5
温湿度视频监控系统清单及升级维护协议_第2页
2/5
温湿度视频监控系统清单及升级维护协议_第3页
3/5
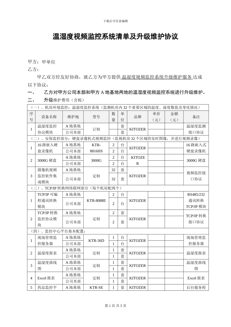
下载后可任意编辑温湿度视频监控系统清单及升级维护协议甲方:甲单位乙方:甲乙双方经友好协商,就乙方为甲方提供 温湿度视频监控系统 升级 维护服务 达成以下协议:一、乙方对甲方公司本部和甲方 A 地基地两地的温湿度视频监控系统进行升级维护。二、升级维护费用(含税)(一)、机房环境监控:温湿度监控系统(监测机房内 32 个重要区域的温度、湿度数值及变化情况) 序号设备名称维护地型号数量单位品牌单价(元)金额(元)备注1温湿度监控协议模块A 地基地订制套KITOZER温湿度监测接口协议公司本部套(二)、安保监控部分:硬盘录像机式视频监控(监视机房 32 个区域的实时图像,并进行视频录像) 116 路嵌入硬盘录像机A 地基地KTR-8816HS2台KITOZER16 路嵌入式硬盘录像机公司本部2台23000G 硬盘A 地基地3000G2台 KITOZER3000G 硬盘公司本部2台3摄像机视频监控软件集成模块A 地基地定制32套KITOZER视频监控接口协议公司本部32套(三)、TCP/IP 转换网络联网部分(每个机房配两个)1TCP/IP 可编程通讯转换模块A 地基地KTR-8088E2台KITOZERRS485/232通讯转换TCP/IP 模块公司本部2台2TCP/IP 转换监控协议模块A 地基地定制2套KITOZERTCP/IP 转换接口协议公司本部2套(四)、监控中心平台基本配置:1现场管理监控服务器A 地基地KTR-36D1台KITOZER现场管理监控服务器公司本部1台2温湿度报表A 地基地定制1套KITOZER温湿度报表公司本部1套3温湿度曲线图A 地基地定制1套KITOZER温湿度曲线图公司本部1套4Excel 报表A 地基地定制1套KITOZERExcel 报表公司本部1套5药品监控平A 地基地KTR-SE1套KITOZER后台服务程第 1 页 共 5 页下载后可任意编辑台软件序公司本部1套(五)、平台告警方式配置: 短信报警(1 台,系统报警时,短信模块会通过手机卡发短信提示工作管理人员) 1GSM 短信模块A 地基地KTR-GSM-11套KITOZER工业级公司本部1套2GSM 卡A 地基地定制1套KITOZER自购公司本部1套3手机短信报警软件A 地基地定制1套KITOZER短信通知功能公司本部1套A以上全部设备总计:B运输安装调试费(A × 15%): C税金((A + B)× 6%): 总计(A + B + C): 最终优惠总价:人民币(大写):柒万元整;人民币(小写):元整。三、乙方负责升级维护所需货物的运输送货等事宜,其产生的相关费用由乙方负责。四、乙方在收到甲方预付款后 15 个工作日内完成全部升级维护工作。五、乙方保证协议项下提...

1、当您付费下载文档后,您只拥有了使用权限,并不意味着购买了版权,文档只能用于自身使用,不得用于其他商业用途(如 [转卖]进行直接盈利或[编辑后售卖]进行间接盈利)。
2、本站所有内容均由合作方或网友上传,本站不对文档的完整性、权威性及其观点立场正确性做任何保证或承诺!文档内容仅供研究参考,付费前请自行鉴别。
3、如文档内容存在违规,或者侵犯商业秘密、侵犯著作权等,请点击“违规举报”。

碎片内容

温湿度视频监控系统清单及升级维护协议

津创媒+ 关注
实名认证
内容提供者

欢迎交流文创,小店资料希望满足您的需要。

相关文档

确认删除?
VIP
微信客服
  • 扫码咨询
会员Q群
  • 会员专属群点击这里加入QQ群
客服邮箱
回到顶部