电脑桌面
添加小米粒文库到电脑桌面
安装后可以在桌面快捷访问

反渗透过滤器检修规程72.

反渗透过滤器检修规程72._第1页
1/8
反渗透过滤器检修规程72._第2页
2/8
反渗透过滤器检修规程72._第3页
3/8
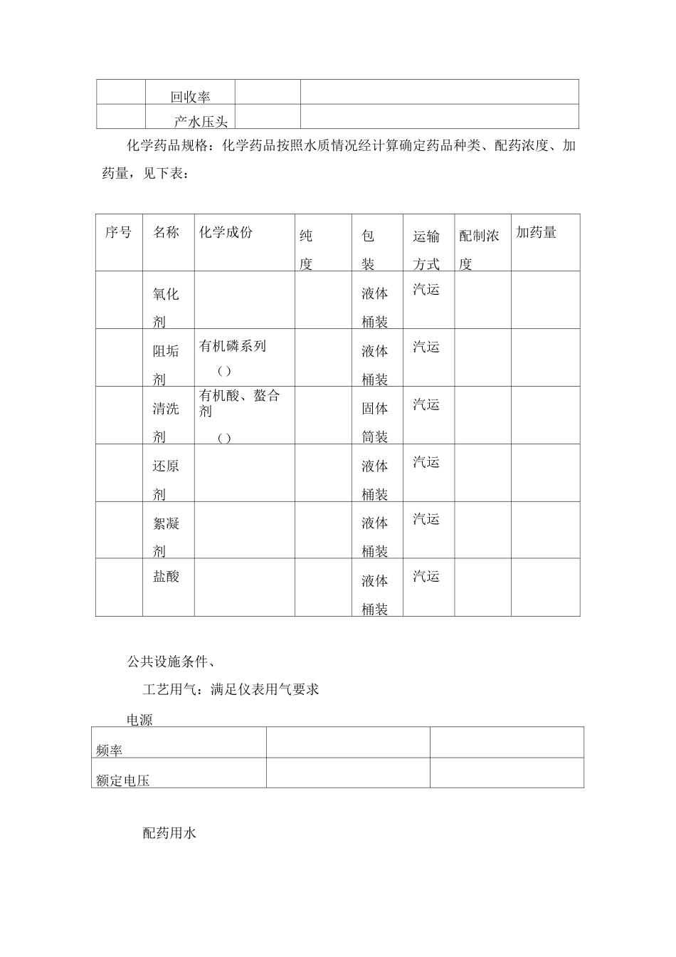
反渗透处理设备检修1 叮本规程规定了四期化学反渗透处理设备名称、规范、性能、尺寸结构、检修工艺方法。本规程适用于邹县发电厂四期 X 反渗透设备检修工作。设备系统简介:本规程规定了四期化学反渗透处理设备名称、规范、性能、尺寸结构、检修工艺方法。本规程适用于邹县发电厂四期 X 反渗透设备检修工作。设备系统简介反渗透装置是年代发展起来的新型脱盐技术,自年代中期在我国火力发电厂水处理中得到越来越广泛的使用,它的使用极大地延长了传统的离子交换设备的再生周期,减少了酸碱排放量,有利于保护环境,节省能源。我厂反渗透装置是山东欧美环境工程有限公司专门为我厂锅炉补给水预脱盐反渗透装置而设计。一、二期循环水排污水一原水池一原水提升泵一双介质过滤器一超滤保安过滤器超一滤装置超一滤水箱一清水泵一反渗透保安过滤器一高压泵一反渗透装置一淡水箱一-淡水泵一三期锅炉补给水处理(生水箱)。反渗透的基本工作原理是:渗透是水从稀溶液一侧通过半透膜向浓溶液一侧自发流动的过程,半透膜只允许水通过,而阻止溶质、固形物、盐的通过,当在浓溶液上外加压力,且该压力大于渗透压时,浓溶液中的水就会通过半透膜流向稀溶液,使得浓溶液的浓度更大,这一过程就是渗透的相反过程,称为反渗透。设备规范规范及有关参数序号设备规范单位名称设计水温CW35C水压MPa0.20系统脱盐率25°C一年内三 98%,三年内三 97%,五年内三 96%系统产水量吨(设台)系统脱盐率(35C)一年内三 95%,三年内三 94%,五年内三 93%系统水的参考值三回收率产水压头化学药品规格:化学药品按照水质情况经计算确定药品种类、配药浓度、加药量,见下表:序号名称化学成份纯度包装运输方式配制浓度加药量氧化剂液体桶装汽运阻垢剂有机磷系列()液体桶装汽运清洗剂有机酸、螯合剂()固体筒装汽运还原剂液体桶装汽运絮凝剂液体桶装汽运盐酸液体桶装汽运公共设施条件、工艺用气:满足仪表用气要求电源频率额定电压配药用水水源除盐水压力温度°C检修周期小修周期年。大修周期年。DDDDDDDDD修前准备检修前向应运行人员了解设备运行中存在的问题,并在开工前做一次详细的检修。了解设备的性能和检修工艺,日常缺陷及上次检修的台账记录。所检修的设备应备有完整的备品、配件和所需材料并准备好专用工具。办理工作票,停止设备运行,放掉内部存水并关闭进出口门加装堵板后对设备进行检修。小修标准项目加药系统检查消缺。压力表、取样门检查消缺。保安过...

1、当您付费下载文档后,您只拥有了使用权限,并不意味着购买了版权,文档只能用于自身使用,不得用于其他商业用途(如 [转卖]进行直接盈利或[编辑后售卖]进行间接盈利)。
2、本站所有内容均由合作方或网友上传,本站不对文档的完整性、权威性及其观点立场正确性做任何保证或承诺!文档内容仅供研究参考,付费前请自行鉴别。
3、如文档内容存在违规,或者侵犯商业秘密、侵犯著作权等,请点击“违规举报”。

碎片内容

反渗透过滤器检修规程72.

确认删除?
VIP
微信客服
  • 扫码咨询
会员Q群
  • 会员专属群点击这里加入QQ群
客服邮箱
回到顶部