电脑桌面
添加小米粒文库到电脑桌面
安装后可以在桌面快捷访问

职业健康安全目标指标及管理方案

职业健康安全目标指标及管理方案_第1页
1/3
职业健康安全目标指标及管理方案_第2页
2/3
职业健康安全目标指标及管理方案_第3页
3/3
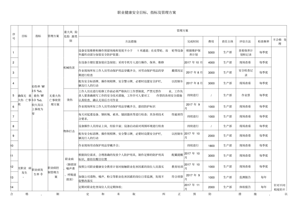
职业健康安全目标、指标及管理方案序号目标指标管理方案重大风 险危险 源类别管理方案方法措施完成时间费用责任主体评估方法检查频率不合格处理1设备安装维修和操作预留场地和宽度不小于1 米通道;在皮带轮、齿轮等设备外露传动部分加装安全防护装置;根据维护保养计划5000生产部查看保养计划和记录每季度2机械伤害在设备方便位置加装应急按钮;采用专机专人进行操作、保养、维修2017 年 10 月4000生产部现场查看每季度3作业现场所有工作人员劳动保护用品穿戴齐全,对劳动保护用品的穿戴情况定期进行检查2017 年 8 月3000生产部安全检查记录每季度4轻伤率 W配有安全标语牌、操作规程牌、安全警示牌,必要时设置安全护栏,以控制车辆及行人的行动2017 年 8 月3000生产部现场查看每季度5确保无 重大伤 亡事故2.5 %o,重伤 W0.3 %o,较大及以上事故为零无重大伤亡事故管理方案烫伤工作人员在进行检修工作前必须严格执行工作票制度,严禁无票作业,工作负责人要准确填写工作的安全技术措施,工作许可人要对工作票的各项安全措施认真检查,确认无误后方可作业持续进行/生产部作业票每季度6作业现场所有工作人员劳动保护用品穿戴齐全,悬挂防护标识2017 年 9 月1000生产部现场查看每季度7每天对起重设备、钢丝绳、索具、锚固器具等进行检查;其各项技术性能须符合要求。持续进行1000生产部现场查看每季度8物体打击设备操作人员持证上岗,经验丰富;设备启动前对周围环境进行检查持续进行/生产部现场查看每季度9配有安全标语牌、操作规程牌、安全警示牌,必要时设置安全护栏,以控制车辆及行人的行动2017 年 10月2000生产部现场查看每季度10作业现场劳动保护用品穿戴齐全;持续进行1800生产部现场查看每季度11职业病根据岗位需求,合理准确的发放个人防护用具,制作足够的防护用具配戴提醒标识,悬挂在醒目位置2017 年 10月3000生产部现场查看每季度12无职业 病发生。职业病发职业病控制管理方案(肺损害、噪声聋按照公司职业健康安全教育计划对接触职业危害因素的岗位人员落实教育培训2017 年 10月1000生产部现场查看每季度13生率 0、呼吸道损害)加强公司毒物、噪声、粉尘等职业危害因素的岗位日常监测,发现不符合项督促整改落实2017 年 9 月1000生产部监测报告每年14定期对职业危害岗位人员定期体检;2017 年 11月2000生产部体检报告每年针对不同程度的不合格,制定和米取纠正预防措施,以序目标指标管理方案重大风 ...

1、当您付费下载文档后,您只拥有了使用权限,并不意味着购买了版权,文档只能用于自身使用,不得用于其他商业用途(如 [转卖]进行直接盈利或[编辑后售卖]进行间接盈利)。
2、本站所有内容均由合作方或网友上传,本站不对文档的完整性、权威性及其观点立场正确性做任何保证或承诺!文档内容仅供研究参考,付费前请自行鉴别。
3、如文档内容存在违规,或者侵犯商业秘密、侵犯著作权等,请点击“违规举报”。

碎片内容

职业健康安全目标指标及管理方案

您可能关注的文档

确认删除?
VIP
微信客服
  • 扫码咨询
会员Q群
  • 会员专属群点击这里加入QQ群
客服邮箱
回到顶部