电脑桌面
添加小米粒文库到电脑桌面
安装后可以在桌面快捷访问

联想主板前置音频和USB跳线定义和连接方法

联想主板前置音频和USB跳线定义和连接方法_第1页
1/4
联想主板前置音频和USB跳线定义和连接方法_第2页
2/4
联想主板前置音频和USB跳线定义和连接方法_第3页
3/4
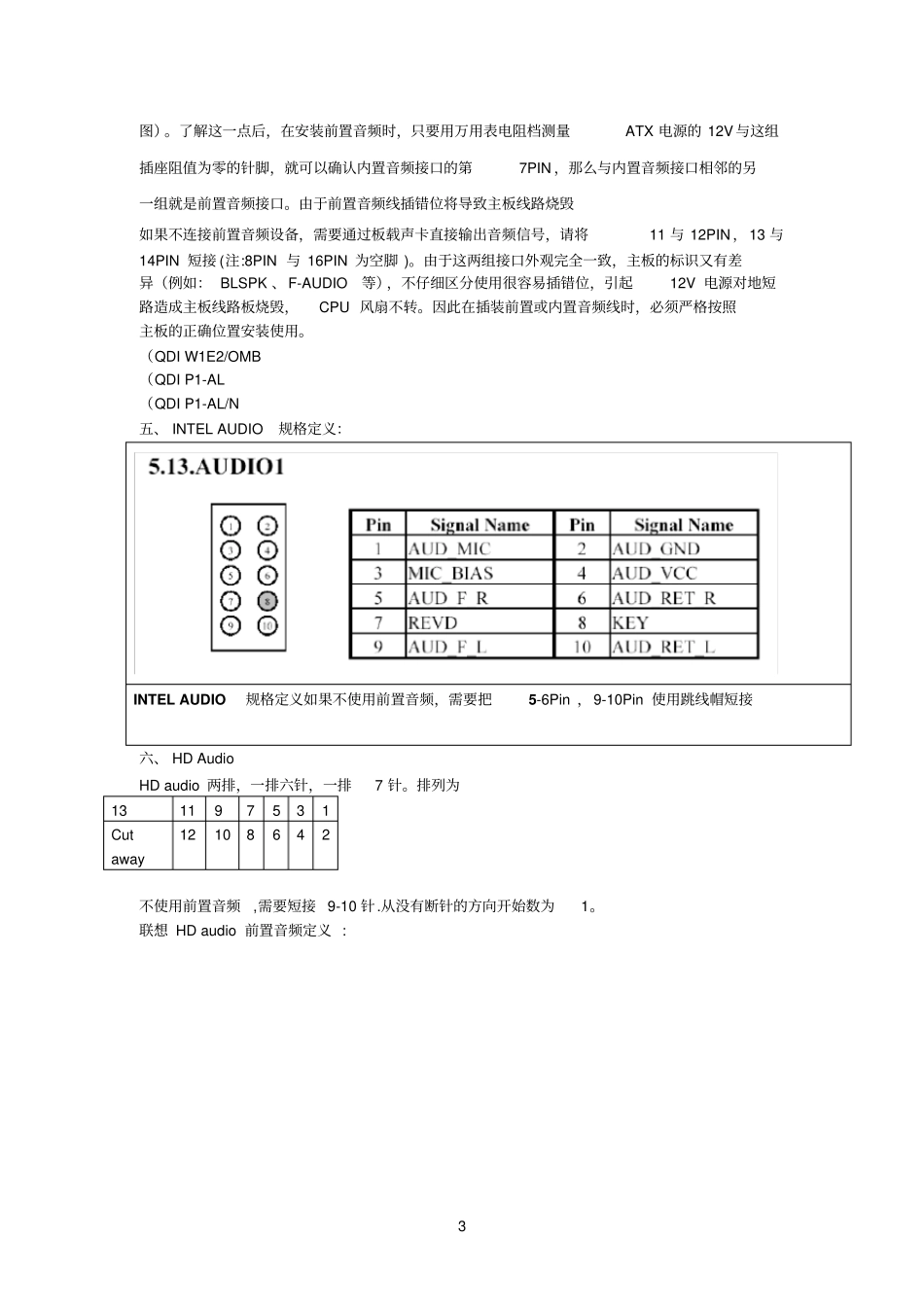
1 联想主板音频和USB 跳线的定义主板音频和 USB 跳线的定义有联想标准和Intel 标准。两种标准的定义不同。 2004 年以前开始使用的主板(主板编号是11004XXX 开头或者更低)两种标准的都有。商用机使用Intel 定义的主板很少。有部分 Intel 标准的主板带有转接线,通过转接线转成联想标准。2004年以后开始使用的主板, 基本都统一为联想标准。 在指导用户操作时,先通过用户描述和主板图片查询跳线定义是哪种标准。一.联想 USB 规格定义:USB3 Pin No. Symbol Pin No. Symbol EXAMPLE : USB3 210 1 1 +5V 与+5VSB 共存的 DUAL 方式2 GND 3 USB0- 4 (Cut away) 5 USB0+ 6 USB1+ 7 GND 8 USB1- 9 GND 10 +5V 与+5VSB 共存的 DUAL 方式USB4 Pin No. Symbol Pin No. Symbol EXAMPLE : USB4 210 1 1 +5V 与+5VSB 共存的 DUAL 方式2 GND 3 USB0- 4 (Cut away) 5 USB0+ 6 USB1+ 7 GND 8 USB1- 9 GND 10 +5V 与+5VSB 共存的 DUAL 方式二、 INTEL USB规格定义:2 三、联想 11 针 USB 规格定义:11 针增加的 2 针没有实际定义,即在Intel USB 规格定义的1 和 2 针前面增加2 针。四、联想 AUDIO 规格定义:Pin No. Symbol Pin No. Symbol 9 MIC 10 GND (MIC) 11 Front LINE Out(R) 12 LINE Next(R) 13 Front LINE Out(L) 14 LINE Next(L) 15 GND (fLO) 16 (Cut away) Note 多数主板 1-8 号引脚布线保留,但是 PIN 脚去掉,如果不使用前置音频,需要把11-12Pin ,13-14Pin 使用跳线帽短接。早期少数 1-8号引脚没有去掉的主板跳线定义:1-8 为内置音频, 9-16 为前置音频,多数主板音频线接口通常都设计成一组16PIN 的插座,有部分主板1-8 和 9-16 之间有一段距离:1— 8PIN 为内置音频线接口,9— 16PIN为前置音频线接口2X8 1 Active Line Out (R) 2 Active Line Out (L) 3 GND (ALO) 4 GND (ALO) 5 GND (+12) 6 GND (+12) 7 +12V (1A) 8 NC 9 MIC 10 GND (MIC) 11 Front Line Out (R) 12 Line Next (R) 13 Front Line Out (L) 14 Line Next (L) 15 GND (FLO) 16 NC 17 Line In (R) 18 Line In (L) J1 如 果 不 使 用前置音频,需要把11-12Pin,13-14Pin使用 跳 线 帽 短接,否这主板上 的 后 置 音频不能使...

1、当您付费下载文档后,您只拥有了使用权限,并不意味着购买了版权,文档只能用于自身使用,不得用于其他商业用途(如 [转卖]进行直接盈利或[编辑后售卖]进行间接盈利)。
2、本站所有内容均由合作方或网友上传,本站不对文档的完整性、权威性及其观点立场正确性做任何保证或承诺!文档内容仅供研究参考,付费前请自行鉴别。
3、如文档内容存在违规,或者侵犯商业秘密、侵犯著作权等,请点击“违规举报”。

碎片内容

联想主板前置音频和USB跳线定义和连接方法

您可能关注的文档

确认删除?
VIP
微信客服
  • 扫码咨询
会员Q群
  • 会员专属群点击这里加入QQ群
客服邮箱
回到顶部