电脑桌面
添加小米粒文库到电脑桌面
安装后可以在桌面快捷访问

联络通道施工

联络通道施工_第1页
1/12
联络通道施工_第2页
2/12
联络通道施工_第3页
3/12
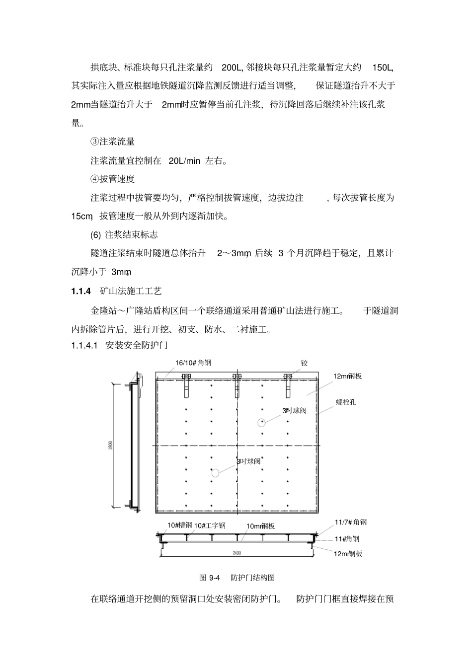
1.1联络通道施工1.1.1概况根据隧道消防要求,区间应在其中部的左、右线之间设置联络通道,在发生灾难或事故时, 以使乘客通过联络通道疏散至相邻安全隧道内。联络通道设置的间距沿隧道纵向方向不大于600m。根据线路纵断面设计及区间隧道防、排水要求,在区间线路最低点处设置废水泵房,一般情况下, 废水泵房与该处联络通道合建,即联络通道内设置废水泵房以及废水抽排和人员检修的管道、管道井。本标段盾构区间有1 个联络通道兼废水泵房 , 1 个废水泵房。布置情况见下表 9-1 。表 9-1 盾构区间联络通道统计表部位里程间距加固方法开挖方法衬砌断面形式金广区间联络通道YCK17+ 560.000 20m Ф 800@650旋喷桩(梅花布设)矿山法复合式衬砌圆拱直墙平底断面西出场线废水泵房RDK0+ 605.047 9m 800mm厚 C15素砼连续墙+Ф 800@650旋喷桩(梅花布设)矿山法复合式衬砌圆拱直墙平底断面1.1.2工期计划在盾构掘进通过联络通道200m 后即适时组织施工。 联络通道及泵房采用正台阶法开挖,复合式衬砌,二次衬砌在初期支护完成后施作。 考虑加固体的等强,联络通道施工前 30 天完成周围土体加固,每个联络通道工期按60 天安排。1.1.3加固方案1.1.3.1 联络通道加固本标段盾构区间 1 个联络通道兼废水泵房、 1 个废水泵房。金广区间联络通道兼废水泵房采用 Ф 800@650 旋喷桩(梅花布设)加固。西出场线废水泵房采用 800mm 厚 C15 素砼连续墙 +Ф 800@650旋喷桩(梅花布设)加固。1.1.3.2 隧道注浆由于隧道施工中同步浆液的强度较低,隧道长期沉降较大, 应对管片的建筑空隙进行二次注浆。根据要求,隧道施工结束后,对隧道在旁通道位置左右各20 环进行二次注浆, 加固深度为 1.0m,其中旁通位置 12 环按融沉注浆方式及频率进行。(1) 注浆孔布置注浆孔为加固环拱底,标准,邻接块压浆预留孔。(2) 注浆顺序同一孔内采用从外到内的方式进行分层注浆,每次拔管长度15cm。同一衬砌环内不同注浆孔的注浆应注意保持对称平衡。隧道纵向注浆顺序采取隔环跳打的方式,每环一次施工 1-2 孔,一般每两个施工环间隔 3-5 环。特殊情况可根据监测数据适当调整。(3) 注浆时机注浆时机应根据监测变化选定, 注浆应选择在沉降回落到0 或其沉降量不超过 2mm时,始终保持上方隧道处于微量隆起状态(2 mm~3mm)。(4) 注浆工艺注浆设备选用柱塞泵,注浆管喷口开口孔径5mm,端部开口数量4~6 个。应配备注浆压力、 注浆流...

1、当您付费下载文档后,您只拥有了使用权限,并不意味着购买了版权,文档只能用于自身使用,不得用于其他商业用途(如 [转卖]进行直接盈利或[编辑后售卖]进行间接盈利)。
2、本站所有内容均由合作方或网友上传,本站不对文档的完整性、权威性及其观点立场正确性做任何保证或承诺!文档内容仅供研究参考,付费前请自行鉴别。
3、如文档内容存在违规,或者侵犯商业秘密、侵犯著作权等,请点击“违规举报”。

碎片内容

联络通道施工

您可能关注的文档

确认删除?
VIP
微信客服
  • 扫码咨询
会员Q群
  • 会员专属群点击这里加入QQ群
客服邮箱
回到顶部