电脑桌面
添加小米粒文库到电脑桌面
安装后可以在桌面快捷访问

聚乙烯包装袋技术规格书

聚乙烯包装袋技术规格书_第1页
1/7
聚乙烯包装袋技术规格书_第2页
2/7
聚乙烯包装袋技术规格书_第3页
3/7
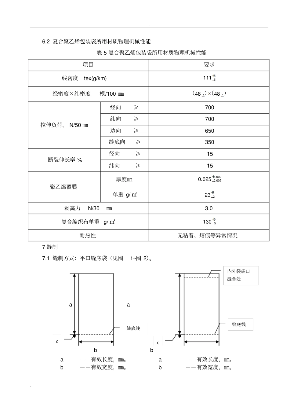
. . 食品包装用聚乙烯袋技术规格书一、概述产品用途:本产品为功能糖食品包装用聚乙烯包装袋。产品范围:承重25 ㎏的聚乙烯包装袋。二、包装物使用环境1、包装温度:≤ 80℃;2、跌落高度:不高于0.5m。三、采购内容、技术参数及要求承重 25 ㎏聚乙烯包装袋技术要求如下:1 范围本标准规定了功能糖食品包装用聚乙烯包装袋的技术要求、试验方法、检验规则及标志、包装、运输、贮存要求。本标准适用于功能糖食品包装用塑料聚乙烯包装袋的采购、进货检验及产品包装检验。2 规范性引用文件下列文件对于本文件的应用是必不可少的。凡是注日期的引用文件, 仅所注日期的版本适用于本文件。凡是不注日期的引用文件,其最新版本(包括所有的修改单)适用于本文件。GB/T191-2008 包装储运图示标志GB/T24984-2010 日用塑料袋GB/T2828.1 技术抽样检验程序第 1 部分:按接收质量限( AQL)检索的逐批检验抽样计划GB4456-2008 包装用聚乙烯吹塑薄膜GB9687-88 食品包装用聚乙烯成型品卫生标准3 定义与缩略语3.1 聚乙烯包装袋食品包装用聚乙烯袋以低密度聚乙烯树脂(LDPE)和线性低密度聚乙烯树脂(LLDPE)为主要原料,通过配料、熔融塑化、挤出吹塑、冷却定型、膜卷牵引、收卷、分切热合生产的直接包装用薄膜袋。4 袋型、品种及规格4.1.1 袋型:平口塑料袋。. . 4.1.2 品种:单层塑料袋。5 技术要求5.1 材质5.1.1 所用原材料均为原生料。5.1.2 耐热性:包装袋承受的产品的最高温度80℃。5.1.3 耐寒性:包装袋承受的产品的最低温度—20℃。5.2 外观表 1 外观质量项目要求外观平整、厚度均匀,无缺损, 不得有对使用有碍的气泡、穿孔、水纹、暴筋、塑化不良、鱼眼僵块等疵病。感官色泽正常,无异味、异嗅、异物。袋底热合袋底热合应牢固。热合线距底边13 ㎜± 3 ㎜,热合线宽度 3 ㎜± 1 ㎜。5.3 允许偏差表 2 项目极限偏差长度,㎜±20 宽度,㎜±20 厚度,㎜-0.010~+0.010 经、纬密度,根 /100 ㎜-1 单位面积质量, g/ ㎡-4 ~+4 6 材质物理机械性能6.1PE 内衬袋所用材质物理机械性能表 4 项目指标厚度(㎜)0.35 ±0.002 单重( g/ ㎡)32±2 拉伸强度(纵、横向) Mpa ≥12 断裂伸长率(纵、横向) % ≥150 冲击强度不破裂. . 6.2 复合聚乙烯包装袋所用材质物理机械性能表 5 复合聚乙烯包装袋所用材质物理机械性能项目要求线密度 tex(g/km) 55111经密度×纬密度根/100 ㎜)()(...

1、当您付费下载文档后,您只拥有了使用权限,并不意味着购买了版权,文档只能用于自身使用,不得用于其他商业用途(如 [转卖]进行直接盈利或[编辑后售卖]进行间接盈利)。
2、本站所有内容均由合作方或网友上传,本站不对文档的完整性、权威性及其观点立场正确性做任何保证或承诺!文档内容仅供研究参考,付费前请自行鉴别。
3、如文档内容存在违规,或者侵犯商业秘密、侵犯著作权等,请点击“违规举报”。

碎片内容

聚乙烯包装袋技术规格书

文库响当当+ 关注
实名认证
内容提供者

该用户很懒,什么也没介绍

确认删除?
VIP
微信客服
  • 扫码咨询
会员Q群
  • 会员专属群点击这里加入QQ群
客服邮箱
回到顶部