电脑桌面
添加小米粒文库到电脑桌面
安装后可以在桌面快捷访问

能源计量自查分析报告

能源计量自查分析报告_第1页
1/15
能源计量自查分析报告_第2页
2/15
能源计量自查分析报告_第3页
3/15
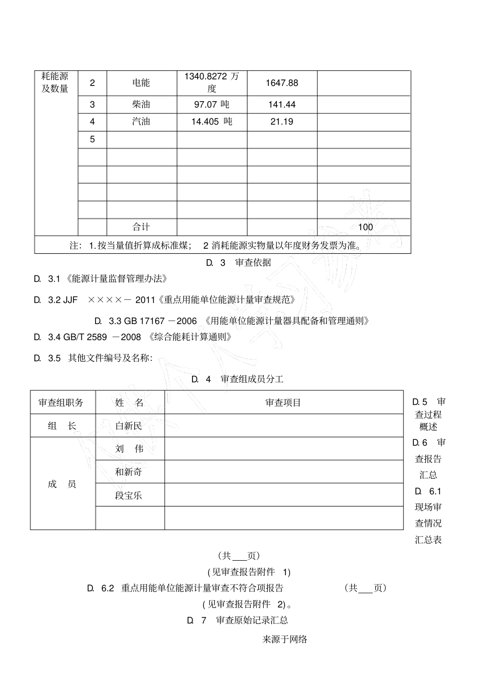
来源于网络附录 D 重点用能单位能源计量审查报告(格式)报告编号:重点用能单位能源计量自查报告用能 单 位陕西陕煤澄合矿业公司二矿分公司组织审查单位(盖章) 审 查 日期审查组组长白新民(签字) 签发 日 期2014 年8 月29 日D.1 用能单位信息用能单位名称陕西陕煤澄合矿业有限公司二矿分公司单位注册地址陕西澄城县尧头镇单位生产地址陕西澄城县尧头镇营业执照注册号组织机构代码法定代表人联系人邮政编码联系电话传真E-mail D.2 用能单位概况管理体系获证□已通过测量 / 检测体系认证 (ISO ) □ 曾获计量保证确认证书年取得计量保证确认证书产品结构主要产品: 1 原煤产量: 69 万吨产值:2 产量:产值:辅助产品: 1 产量:产值:2 产量:产值:年度销售额:年度利税:年度万元增加值能耗 ( 当量 ) :(吨标准煤 / 万元)年度综合能耗当量值: 2431.0 (吨标准煤)年度主要消序号消耗能源名称实物量(单位)折标煤(吨)占“总”标煤的百分比(%)1 原煤1580.37 吨1083.65 吨来源于网络耗能源及数量2 电能1340.8272 万度1647.88 3 柴油97.07 吨141.44 4 汽油14.405 吨21.19 5 合计100 注: 1.按当量值折算成标准煤; 2 消耗能源实物量以年度财务发票为准。D.3 审查依据D.3.1 《能源计量监督管理办法》D.3.2 JJF ××××- 2011《重点用能单位能源计量审查规范》D.3.3 GB 17167 -2006 《用能单位能源计量器具配备和管理通则》D.3.4 GB/T 2589 -2008 《综合能耗计算通则》D.3.5 其他文件编号及名称:D.4 审查组成员分工D.5 审查过程概述D.6 审查报告汇总D.6.1 现场审查情况汇总表(共页)( 见审查报告附件1) D.6.2 重点用能单位能源计量审查不符合项报告(共页)( 见审查报告附件 2) 。D.7 审查原始记录汇总审查组职务姓名审查项目组长白新民成员刘伟和新奇段宝乐来源于网络重点用能单位能源计量审查记录表(共页)D.8 能源计量器具配备率审查结果D.8.1 进出用能单位能源计量器具配备率审查结果:能源种类及名称应配数量(台)实际配数量(台)实际配备率(%)配备率要求(%)评定结论说明(指出不符合项报告编号)符合不符合不适用电能46 46 100% 100 符合固体能源煤炭2 2 100% 100 符合焦炭100 液态能源原油100 成品油100 重油100 渣油100 气态能源天然气100 液化气100 煤气100 载能工质蒸汽100 水100 可回收利用...

1、当您付费下载文档后,您只拥有了使用权限,并不意味着购买了版权,文档只能用于自身使用,不得用于其他商业用途(如 [转卖]进行直接盈利或[编辑后售卖]进行间接盈利)。
2、本站所有内容均由合作方或网友上传,本站不对文档的完整性、权威性及其观点立场正确性做任何保证或承诺!文档内容仅供研究参考,付费前请自行鉴别。
3、如文档内容存在违规,或者侵犯商业秘密、侵犯著作权等,请点击“违规举报”。

碎片内容

能源计量自查分析报告

您可能关注的文档

确认删除?
VIP
微信客服
  • 扫码咨询
会员Q群
  • 会员专属群点击这里加入QQ群
客服邮箱
回到顶部