电脑桌面
添加小米粒文库到电脑桌面
安装后可以在桌面快捷访问

脚手架施工技术交底记录

脚手架施工技术交底记录_第1页
1/8
脚手架施工技术交底记录_第2页
2/8
脚手架施工技术交底记录_第3页
3/8
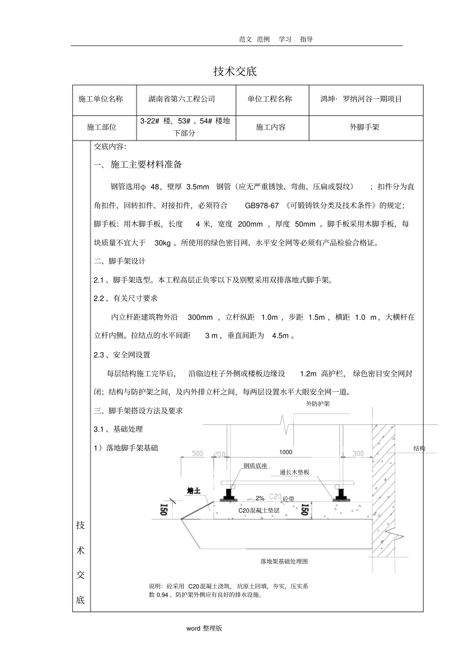
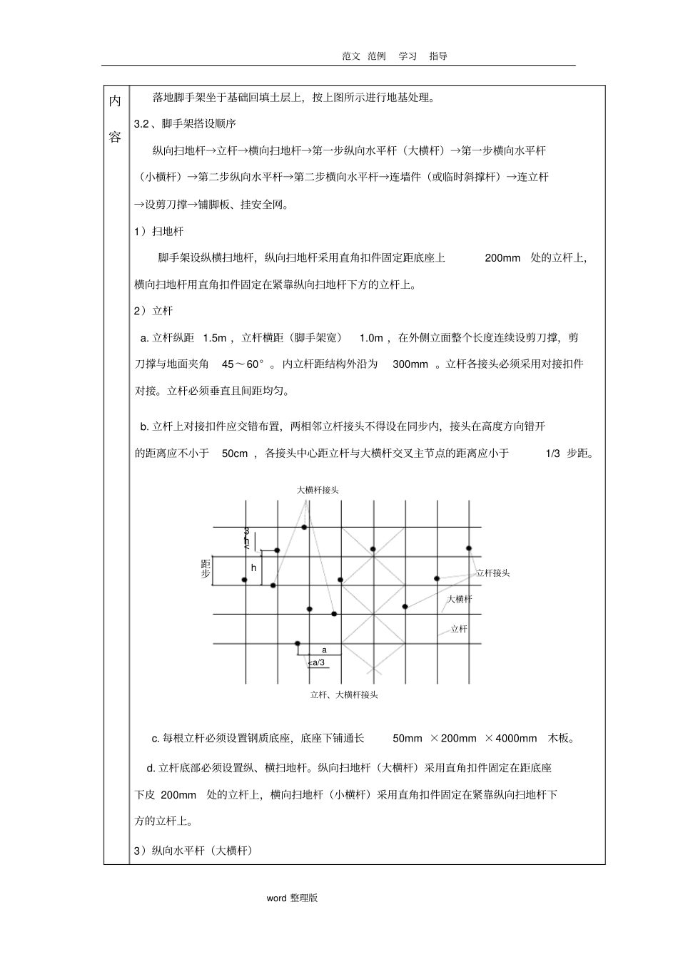
范文 范例学习指导word 整理版技术交底施工单位名称湖南省第六工程公司单位工程名称鸿坤· 罗纳河谷一期项目施工部位3-22# 楼,53# 、54# 楼地下部分施工内容外脚手架技术交底交底内容:一、 施工主要材料准备钢管选用φ 48,壁厚 3.5mm钢管(应无严重锈蚀、弯曲、压扁或裂纹);扣件分为直角扣件、回转扣件、对接扣件,必须符合GB978-67 《可锻铸铁分类及技术条件》的规定;脚手板:用木脚手板,长度4 米,宽度 200mm ,厚度 50mm 。脚手板采用木脚手板,每块质量不宜大于30kg 。所使用的绿色密目网、水平安全网等必须有产品检验合格证。二、脚手架设计2.1 、脚手架选型。本工程高层正负零以下及别墅采用双排落地式脚手架。2.2 、有关尺寸要求内立杆距建筑物外沿300mm ,立杆纵距1.0m ,步距 1.5m ,横距 1.0 m ,大横杆在立杆内侧。拉结点的水平间距3 m ,垂直间距为4.5m 。2.3 、安全网设置每层结构施工完毕后,沿临边柱子外侧或楼板边缘设1.2m 高护栏, 绿色密目安全网封闭;结构与防护架之间,及内外排立杆之间,每两层设置水平大眼安全网一道。三、脚手架搭设方法及要求3.1 、基础处理1)落地脚手架基础结构1000通长木垫板钢质底座砼带C20混凝土垫层说明:砼采用 C20混凝土浇筑, 坑原土回填,夯实,压实系数 0.94 。防护架外侧应有良好的排水设施。外防护架落地架基础处理图2%范文 范例学习指导word 整理版内容落地脚手架坐于基础回填土层上,按上图所示进行地基处理。3.2 、脚手架搭设顺序纵向扫地杆→立杆→横向扫地杆→第一步纵向水平杆(大横杆)→第一步横向水平杆(小横杆)→第二步纵向水平杆→第二步横向水平杆→连墙件(或临时斜撑杆)→连立杆→设剪刀撑→铺脚板、挂安全网。1)扫地杆脚手架设纵横扫地杆,纵向扫地杆采用直角扣件固定距底座上200mm处的立杆上,横向扫地杆用直角扣件固定在紧靠纵向扫地杆下方的立杆上。2)立杆a. 立杆纵距 1.5m ,立杆横距(脚手架宽)1.0m ,在外侧立面整个长度连续设剪刀撑,剪刀撑与地面夹角45~60° 。内立杆距结构外沿为300mm 。立杆各接头必须采用对接扣件对接。立杆必须垂直且间距均匀。b. 立杆上对接扣件应交错布置,两相邻立杆接头不得设在同步内,接头在高度方向错开的距离应不小于50cm ,各接头中心距立杆与大横杆交叉主节点的距离应小于1/3 步距。大横杆接头

1、当您付费下载文档后,您只拥有了使用权限,并不意味着购买了版权,文档只能用于自身使用,不得用于其他商业用途(如 [转卖]进行直接盈利或[编辑后售卖]进行间接盈利)。
2、本站所有内容均由合作方或网友上传,本站不对文档的完整性、权威性及其观点立场正确性做任何保证或承诺!文档内容仅供研究参考,付费前请自行鉴别。
3、如文档内容存在违规,或者侵犯商业秘密、侵犯著作权等,请点击“违规举报”。

碎片内容

脚手架施工技术交底记录

您可能关注的文档

确认删除?
微信客服
  • 扫码咨询
会员Q群
  • 会员专属群点击这里加入QQ群