电脑桌面
添加小米粒文库到电脑桌面
安装后可以在桌面快捷访问

脱硫岗位标准化作业指导书

脱硫岗位标准化作业指导书_第1页
1/19
脱硫岗位标准化作业指导书_第2页
2/19
脱硫岗位标准化作业指导书_第3页
3/19
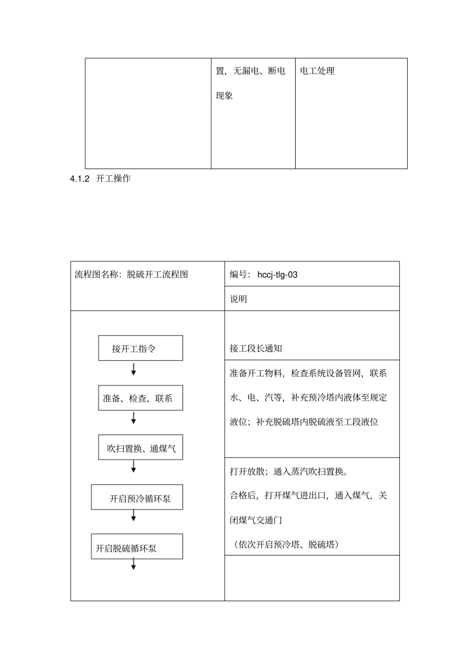
化产车间脱硫工岗位标准化作业指导书1. 岗位职责1.1 兼任组长,受带班长、工段长直接领导,协助工段长做好本岗位工作。1.2 积极参与班组生产管理,认真执行各项规章制度。1.3 努力钻研技术,精通设备的构造、性能、维护保养及操作,保证生产正常运行。1.4 负责脱硫塔、再生塔、反应槽、事故槽、废液槽及再生塔液位调节的维护与保养、使用、联系检修和验收工作。1.5 负责按制度联系分析溶液组成,根据分析结果按规定补充催化剂,保持溶液组成稳定,符合技术规定。1.6 配合压滤机工及时调节再生塔液位,保持硫泡沫和溶液流出连续稳定。1.7 负责及时调节溶液系统各处温度压力,流量符合技术规定。1.8 、负责保持反应槽正常液位,防止抽空和溢流。1.9 严格执行操作规程,认真填写原始记录,如实反应生产中存在的问题。1.10 负责所属设备及附件,生产区域的环境卫生。2. 上岗资格2.1 守国家和中煤九鑫公司的各项规章制度,具备社会基本道德观念,有敬业精神。2.2 具有高中以上学历或初中学历有三年以上工作经验。2.3 身体健康,无职业病历史,入厂经过医疗部门体检合格。有能力胜任本职工作。2.4 经过公司三级安全教育培训合格,经车间、人力资源部审核确定后方可上岗进行岗位工作。3. 作业流程图流程图名称:脱硫岗位作业流程编号 hccj — tlg — 01 说 明严格按照交接班制度交接认真听从工作安排按照巡检标准进行巡检根据实际情况及时调节各液位温度压力保证生产正常运行, 并及时记录 ,当日工作及时完成交接班及当班工作安排巡检日常操作异常情况处理打扫卫生4. 操作细则4.1 开工操作4.1.1 开工前检查流程图名称:开机前设备检查流程图编号: hccj-tlg-02 说明; 正常标准异常处理检查反应槽检查再生塔、 预冷塔各管道、阀门检查预冷泵、 脱硫液循环泵、 空压机等设备液位满足循环,本体无泄露现象如有缺液及时补充如有泄露,及时联系处理液位在规定范围本体无泄露如有缺液及时补充如有泄露,联系处理管道、阀门完好,无泄露、堵塞现象阀门开关到位,灵活好用。更换;疏通;焊补处理按要求开关阀门到位视镜油位在 1/2 刻度线;盘车灵活;本体完好无泄露开 关 处 于 正 常 位及时补充油料处理泄露将开关打到正常位置如有漏电、断电立即联系发现问题及时处理并汇报记录根据《现场管理标准》打扫设备及现场卫生。置,无漏电、断电现象电工处理4.1.2 开工操作流程图名称:脱硫开工流程图编号: hccj-tlg-03...

1、当您付费下载文档后,您只拥有了使用权限,并不意味着购买了版权,文档只能用于自身使用,不得用于其他商业用途(如 [转卖]进行直接盈利或[编辑后售卖]进行间接盈利)。
2、本站所有内容均由合作方或网友上传,本站不对文档的完整性、权威性及其观点立场正确性做任何保证或承诺!文档内容仅供研究参考,付费前请自行鉴别。
3、如文档内容存在违规,或者侵犯商业秘密、侵犯著作权等,请点击“违规举报”。

碎片内容

脱硫岗位标准化作业指导书

确认删除?
VIP
微信客服
  • 扫码咨询
会员Q群
  • 会员专属群点击这里加入QQ群
客服邮箱
回到顶部