电脑桌面
添加小米粒文库到电脑桌面
安装后可以在桌面快捷访问

广场改造施工组织设计

广场改造施工组织设计_第1页
1/29
广场改造施工组织设计_第2页
2/29
广场改造施工组织设计_第3页
3/29
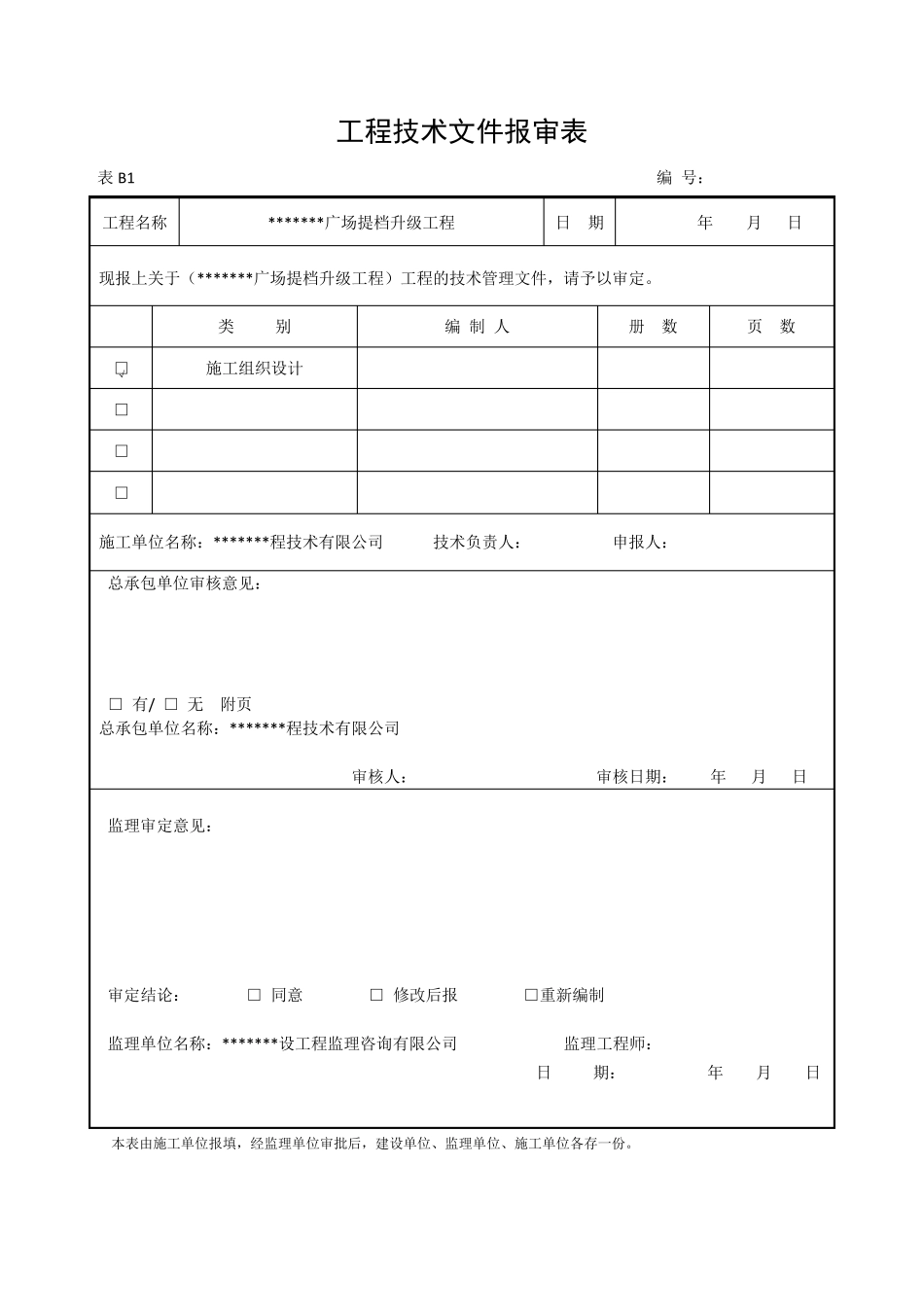
表B.0.1 施工组织设计/(专项)施工方案报审表 工程名称:*******广场提档升级工程 编号: 致: *******设工程监理咨询有限公司 (项目监理机构) 我方已完成 *******广场提档升级工程 工程施工组织设计/(专项)施工方案的编制和审批,请予以审查。 附件:□施工组织设计 □专项施工方案 □施工方案 施工项目经理部(盖章): *******程技术有限公司 项目经理(签字): 日 期: 年 月 日 审查意见 专业监理工程师(签字): 日 期: 年 月 日 审核意见: 项目监理机构(盖章): *******设工程监理咨询有限公司 总监理工程师: 日 期: 年 月 日 审核意见: 建设单位(盖章): *******市管理执法局 项目负责人: 日 期: 年 月 日 注:本表一式三份,项目监理机构、建设单位、施工单位各一份 工程技术文件报审表 表B1 编 号: 工程名称 *******广场提档升级工程 日 期 年 月 日 现报上关于(*******广场提档升级工程)工程的技术管理文件,请予以审定。 类 别 编 制 人 册 数 页 数 □√ 施工组织设计 □ □ □ 施工单位名称:*******程技术有限公司 技术负责人: 申报人: 总承包单位审核意见: □ 有/ □ 无 附页 总承包单位名称:*******程技术有限公司 审核人: 审核日期: 年 月 日 监理审定意见: 审定结论: □ 同意 □ 修改后报 □重新编制 监理单位名称:*******设工程监理咨询有限公司 监理工程师: 日 期: 年 月 日 本表由施工单位报填,经监理单位审批后,建设单位、监理单位、施工单位各存一份。 *******广场提档升级工程 施 工 组 织 设 计 *******程技术有限公司 2020 年 3 月 2 日 1 目 录 一、工程概况 … … … … … … … … … … … … … … … … … … … … … … … … … … 1 二、质量目标 … … … … … … … … … … … … … … … … … … … … … … … … … … 1 三、工期目标 … … … … … … … … … … … … … … … … … … … … … … … … … … 1 四、工程内容 … … … … … … … … … … … … … … … … … … … … … … … … … … 1 五、编制原则 … … … … … … … … … … … … … … … … …...

1、当您付费下载文档后,您只拥有了使用权限,并不意味着购买了版权,文档只能用于自身使用,不得用于其他商业用途(如 [转卖]进行直接盈利或[编辑后售卖]进行间接盈利)。
2、本站所有内容均由合作方或网友上传,本站不对文档的完整性、权威性及其观点立场正确性做任何保证或承诺!文档内容仅供研究参考,付费前请自行鉴别。
3、如文档内容存在违规,或者侵犯商业秘密、侵犯著作权等,请点击“违规举报”。

碎片内容

广场改造施工组织设计

您可能关注的文档

确认删除?
VIP
微信客服
  • 扫码咨询
会员Q群
  • 会员专属群点击这里加入QQ群
客服邮箱
回到顶部