电脑桌面
添加小米粒文库到电脑桌面
安装后可以在桌面快捷访问

应急预案演练评审报告

应急预案演练评审报告_第1页
1/6
应急预案演练评审报告_第2页
2/6
应急预案演练评审报告_第3页
3/6
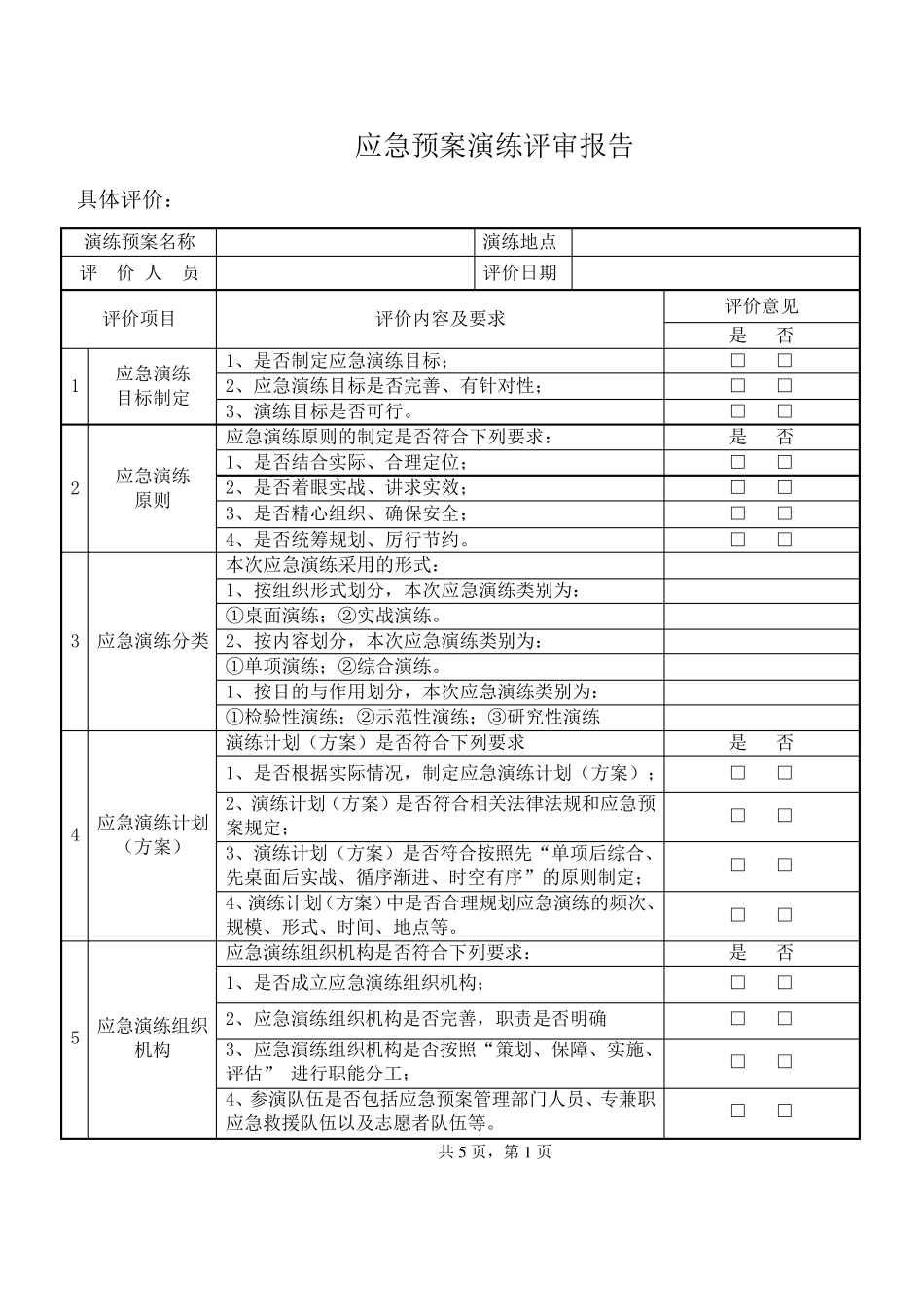
应急预案演练评审报告 总体评价: 演练预案名称 演练地点 评 价 人 员 评价日期 评价项目 评价内容及要求 评价意见 应急演练目标实现情况* 检验预案 通过开展应急演练,是否对应急预案下列情况进行检查: 是 否 1、是否通过开展应急演练,查找应急预案中存在的问题; □ □ 2、是否提出完善应急预案意见; □ □ 3、是否提出提高应急预案的实用性和可操作性针对性意见。 □ □ 完善准备 通过开展应急演练,是否对应对突发事件下列情况进行检查: 是 否 1、应急队伍是否进行配备,是否满足现在应急救援需要; □ □ 2、是否进行现场应急救援物资、装备储备,是否满足现场应 急救援需要; □ □ 3、是否进行应急救援技术准备,准备情况是否到位。 □ □ 锻炼队伍 通过开展应急演练,对应急救援队伍是否达到下列锻炼效果: 是 否 1、是否增强演练组织单位、参与单位和人员等对应急预案的熟悉程度; □ □ 2、是否有效提高演练单位、人员应急处置能力。 □ □ 磨合机制 通过开展应急演练,是否达到下列磨合机制的效果: 是 否 1、是否进一步明确相关单位和人员的职责,理顺工作关系; □ □ 2、是否有效提高应急指挥员的指挥协调能力; □ □ 3、应急救援机制是否运转有序; □ □ 4、是否进一步完善应急机制。 □ □ 科普宣教 通过开展应急演练,是否达到普及应急知识,提高公众风险防 范意识和自救呼救等灾害应对能力的目的。 □ □ 评价总结及改进建 议 项目部 演练评估 小 组一致 认 为 :这 次 演练具 有很 强的实战 性和创 新 性,评估 等级 为 优秀 ,演练取 得 圆 满成 功 ,达到预期效果。这 次 演练指导 思 想 明确,组织工作严 密 ,准备工作充 分 ,程序设 置合理,安 全 保 证 可靠 。通过演练检验了 应急预案的实用性和可操作性;锻炼了 队伍;增强了 所 有人员的忧 患 意识,普及了 防灾减 灾知识和自救互 救技能,提高了指挥人员处置重 大 事故 的能力。建 议 增加 公司 应急预案的志 项救援预案和现场处置方 案,对公司 现有的预案进行修 订 和完善。 评价人员签 字 应急预案演练评审报告 具体评价: 演练预案名称 演练地点 评 价 人 员 评价日期 评价项目 评价内容及要求 评价意见 是 否 1 应急演练 目标制定 1、是否制定应急演练目标; □ □ 2、应急演练目标是否完...

1、当您付费下载文档后,您只拥有了使用权限,并不意味着购买了版权,文档只能用于自身使用,不得用于其他商业用途(如 [转卖]进行直接盈利或[编辑后售卖]进行间接盈利)。
2、本站所有内容均由合作方或网友上传,本站不对文档的完整性、权威性及其观点立场正确性做任何保证或承诺!文档内容仅供研究参考,付费前请自行鉴别。
3、如文档内容存在违规,或者侵犯商业秘密、侵犯著作权等,请点击“违规举报”。

碎片内容

应急预案演练评审报告

您可能关注的文档

确认删除?
VIP
微信客服
  • 扫码咨询
会员Q群
  • 会员专属群点击这里加入QQ群
客服邮箱
回到顶部