电脑桌面
添加小米粒文库到电脑桌面
安装后可以在桌面快捷访问

建筑供配电与照明实训报告

建筑供配电与照明实训报告_第1页
1/13
建筑供配电与照明实训报告_第2页
2/13
建筑供配电与照明实训报告_第3页
3/13
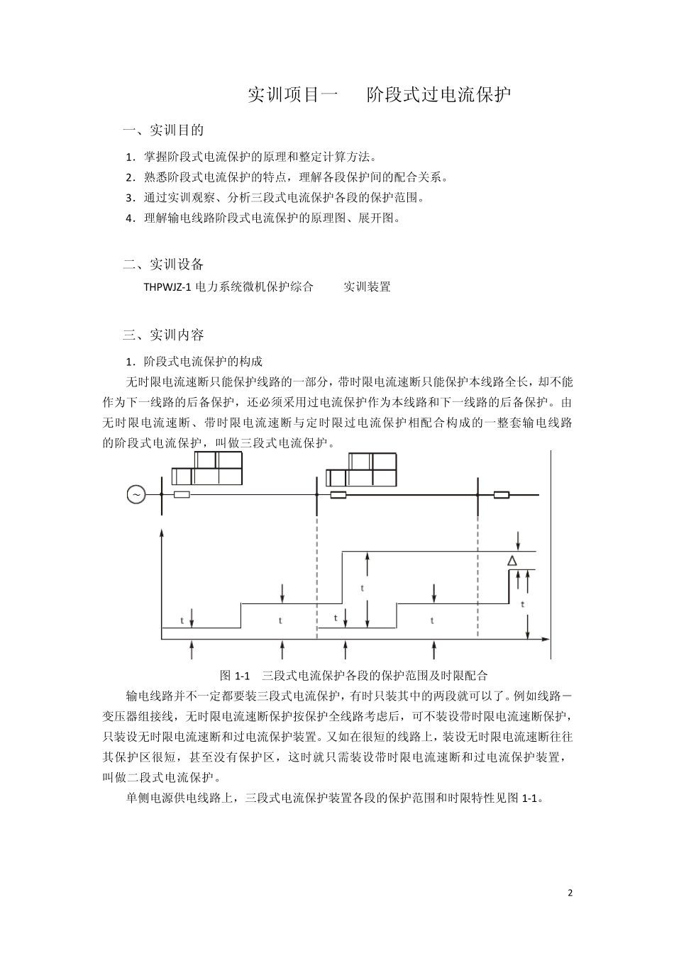
建筑供配电与照明 课程设计报告 系 别: 专 业: 姓 名: 班 级: 学 号: 指导教师: 成员姓名: 成 绩: 3 目 录 实训项目一 阶段式过电流保护…………………………………2 实训项目二 反时限电流保护…………………………………….6 实训项目三 微机变压器纵差动保护…………………………11 2 实训项目一 阶段式过电流保护 一、实训目的 1.掌握阶段式电流保护的原理和整定计算方法。 2.熟悉阶段式电流保护的特点,理解各段保护间的配合关系。 3.通过实训观察、分析三段式电流保护各段的保护范围。 4.理解输电线路阶段式电流保护的原理图、展开图。 二、实训设备 THPWJZ-1 电力系统微机保护综合 实训装置 三、实训内容 1.阶段式电流保护的构成 无时限电流速断只能保护线路的一部分,带时限电流速断只能保护本线路全长,却不能作为下一线路的后备保护,还必须采用过电流保护作为本线路和下一线路的后备保护。由无时限电流速断、带时限电流速断与定时限过电流保护相配合构成的一整套输电线路的阶段式电流保护,叫做三段式电流保护。 ~AII0.5tI1XL-1B2XL-2CII0.5tI30I1II1I2III1II2III2tIt 图 1-1 三段式电流保护各段的保护范围及时限配合 输电线路并不一定都要装三段式电流保护,有时只装其中的两段就可以了。例如线路-变压器组接线,无时限电流速断保护按保护全线路考虑后,可不装设带时限电流速断保护,只装设无时限电流速断和过电流保护装置。又如在很短的线路上,装设无时限电流速断往往其保护区很短,甚至没有保护区,这时就只需装设带时限电流速断和过电流保护装置,叫做二段式电流保护。 单侧电源供电线路上,三段式电流保护装置各段的保护范围和时限特性见图 1-1。 3 t+-II-TQ-LHa+3XJ2SJ2LJ1LJ+QFQFBCJt+-2XJ1SJ1XJ信号+II4LJ3LJI5LJII7LJ6LJACLHc(a)LHa5LJ6LJ7LJLHc+KM3LJ4LJ5LJBCJ-KMFU1SJ控制电源小母板熔 断 器3LJ4LJ1LJ2LJ交流电流回路+KM1LJ2LJ3LJ至信号信号回路1LJ2LJ1XJ2SJ6LJ7LJ3SJBCJQFTQ2XJ3XJFU直流回路(b)无时限电流速断带时限电流速断定时限过电流保护出口中间继电器跳闸回路 (a)原理图 (b)展开图 图1-2 三段式电流保护接线图 XL-1 线路保护的第Ⅰ段为无时限电流速断保护,它的保护范围为线路XL-1 的前一部分即线路首端,动作时限为 t1I,它由继电器的固有动作时间决定。第Ⅱ段为带时限电流速断保护,它的保护范围为线路XL-1 的全部并延伸至线路XL-...

1、当您付费下载文档后,您只拥有了使用权限,并不意味着购买了版权,文档只能用于自身使用,不得用于其他商业用途(如 [转卖]进行直接盈利或[编辑后售卖]进行间接盈利)。
2、本站所有内容均由合作方或网友上传,本站不对文档的完整性、权威性及其观点立场正确性做任何保证或承诺!文档内容仅供研究参考,付费前请自行鉴别。
3、如文档内容存在违规,或者侵犯商业秘密、侵犯著作权等,请点击“违规举报”。

碎片内容

建筑供配电与照明实训报告

您可能关注的文档

确认删除?
VIP
微信客服
  • 扫码咨询
会员Q群
  • 会员专属群点击这里加入QQ群
客服邮箱
回到顶部