电脑桌面
添加小米粒文库到电脑桌面
安装后可以在桌面快捷访问

建筑制图试卷及答案

建筑制图试卷及答案_第1页
1/10
建筑制图试卷及答案_第2页
2/10
建筑制图试卷及答案_第3页
3/10
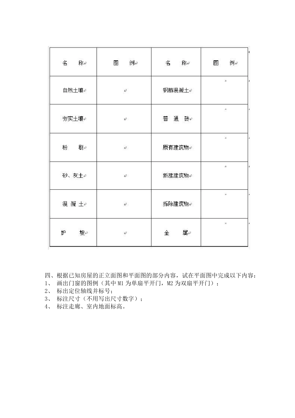
( )成人高等教育本科课程考试试卷 建筑制图 (A )卷 姓名: 专业: 年级: (本)科 题号 一 二 三 四 五 六 七 总分 得分 一,填空题: 1、一般房屋中把反映建筑物主要出入口的立面图称为 ,其背后的立面图称为 。 2、房屋是供人们 、 、 、 、和 的场所,与人们关系密切。 3、标高数值以 为单位,一般注至小数点后 位数。标高符号为 三角形,高度约为 mm。 4、 是由水泥、沙子、和水按一定比例拌和而成; 制成的梁、板、柱、基础等构件,称为钢筋混凝土构件。 5、配置在钢筋混凝土构件中的钢筋,按其作用分 、 、 、 。 6、钢筋混凝土构件详图,一般包括 、 、 及钢筋表。 7、A2 图纸的幅面大小为 。 8、详图符号的圆直径为 mm,以 实线绘制。 9、索引符号的圆直径为 mm,以 实线绘制。 10、定位轴线采用 线表示,轴线编号的圆圈用 线,直径为 mm。 11、若详图与被索引的图样不在同一张图纸内,详图编号为5,被索引图纸的编号为 3,则详图符号应表示为 。 12、在钢筋详图中,箍筋的尺寸是指 (里皮;外皮)尺寸,弯起钢筋的高度尺寸是指 (里皮;外皮)尺寸。 13、在编写附加 定位轴线的编号时 ,1 号轴线之 前 附加 的第 二根 轴线应表示为 ,C 轴线之 后附加 的第 一根 轴线应表示为 。 14、指北 针 用 线表示,圆的直径宜 为 mm,指针 尾 部 宽 度宜 为 mm。 15、图样上 的尺寸由 、 、 和 组 成。 16、尺寸线和尺寸界 线应用 线绘画 ;尺寸起止 符号应用 线绘画 ,其倾 斜 方 向 应与尺寸界 线成顺 时 针 角。 17、在结 构平 面图中配置双 层 钢筋时 ,顶 层 钢筋的弯钩 应 (向 左 ;向 右 )或 (向下 ;向 上 )。 二、简答题 1、剖面图与断面图的处理方式各有哪些?(8 分) 2、建筑平面图的图示内容有哪些?(8 分) 3、楼层结构平面布置图的图示内容有哪些?(6 分) 4、结构施工图应包括的内容有哪些?(6 分) 5、建筑详图的形成及其主要作用。(6 分) 三、画出下列相应的图例: 18、虚线的画和间隔应保持长短一致,画长约 mm,间隔约为 mm。单点长画线和双点长画线的画长约为 mm。 19、钢筋混凝土构件详图中的配筋图又分为 、 、 。 20、焊缝代号主要由 、 、 组成。 21、焊缝代号中的引出线由 和 组成。 22、建筑形体的三种尺寸分别为 尺寸、 尺寸和 ...

1、当您付费下载文档后,您只拥有了使用权限,并不意味着购买了版权,文档只能用于自身使用,不得用于其他商业用途(如 [转卖]进行直接盈利或[编辑后售卖]进行间接盈利)。
2、本站所有内容均由合作方或网友上传,本站不对文档的完整性、权威性及其观点立场正确性做任何保证或承诺!文档内容仅供研究参考,付费前请自行鉴别。
3、如文档内容存在违规,或者侵犯商业秘密、侵犯著作权等,请点击“违规举报”。

碎片内容

建筑制图试卷及答案

确认删除?
VIP
微信客服
  • 扫码咨询
会员Q群
  • 会员专属群点击这里加入QQ群
客服邮箱
回到顶部